При построении Highf-End УМЗЧ встает проблема выбора ИМС регуляторов громкости. Такие известные ИМС, как TDA 1524/1526, ТСА740/730, КР 174ХА53/54, ТЕА6300/6310/6330, LM1036 имеют сравнительно большой для Hight-End УМЗЧ коэффициент шума (от -57 до -90 дБ).
Предлагаемый электронный регулятор громкости имеет следующие параметры:
Коэффициент шума -70 дБ
Коэффициент нелинейных искажений - 0,001%
Неравномерность АХЧ - около нуля
Диапазон рабочих частот - 0 - 100000 Гц
Входное напряжение - 0,5 В
Выходное напряжение - 0 - 0,5 В
Входное сопротивление - 10 кОм
Напряжение питания - 7 - 20 В
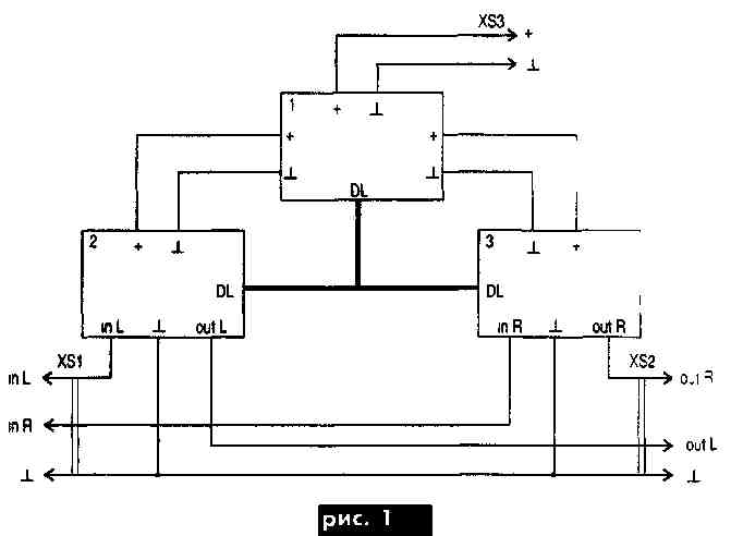
Такие параметры, как коэфициент интермодуляционных искажений (КИИ) и коэффициент шума определяются в основном качеством монтажа схемы. Этому параметру особое внимние. При плохом монтаже появляется емкосная и индуктивная связи, что приводит к повышению КИИ, неравномерности АХЧ и "подвозбудам". Структурная схема устройства показана на рис.1. Оно состоит из цифровой схемы управления (1), идентичных блоков делителей напряжения для левого и правого каналов (2) и (3). Делитель напряжения построен на резисторах (рис.2).

На микросхемах DD1, DD2 выполнены интегральные двунаправленные ключи, которые коммутируют нужный коэффициент деления входного напряжения. Устройство имеет семь коэффициентов деления. Номиналы резисторов не указаны. Пользователь сам выбирает нужный коэффициент деления подбором резисторов. Полное сопротивление цепочки резисторов должно быть 9-15 кОм. Некоторые рекомендации по выбору номиналов резисторов: R1 - должен иметь такое сопротивление, при котором уровень громкости очень малый (при котором хорошо засыпать), его номинал около 100 Ом при полном сопротивлении цепочки 10 кОм. Сопротивление резисторов (кОм) можно определить по формулам.
R1 = RU1/U
R2 = RU1/U - R1
R3 = RU1/U - R1 - R2
R4 = RU1/U - R1 - R2 - R3
R5 = RU1 - R1 - R2 - R3 - R4
R6 = RU1/U - R1 - R2 - R3 - R4 - R5
R7 = RU1/U - R1 - R2 - R3 - R4 - R5 - R6
R8 = RU1 - R1 - R2 - R3 - R4 - R5 - R6 - R7
R9 = RU1/U - R1 - R2 - R3 - R4 - R5 - R6 - R7 - R8,
где: R - полное сопротивление делителя (кОм); U - входное напряжение (мВ), U1 - напряжение, которое нужно получить на выходе (мВ). Резисторы рассчитывают в последовательности от R1 до R9. Коэффициент деления определяют по формуле:
К = U/ U1 = R/Rц,
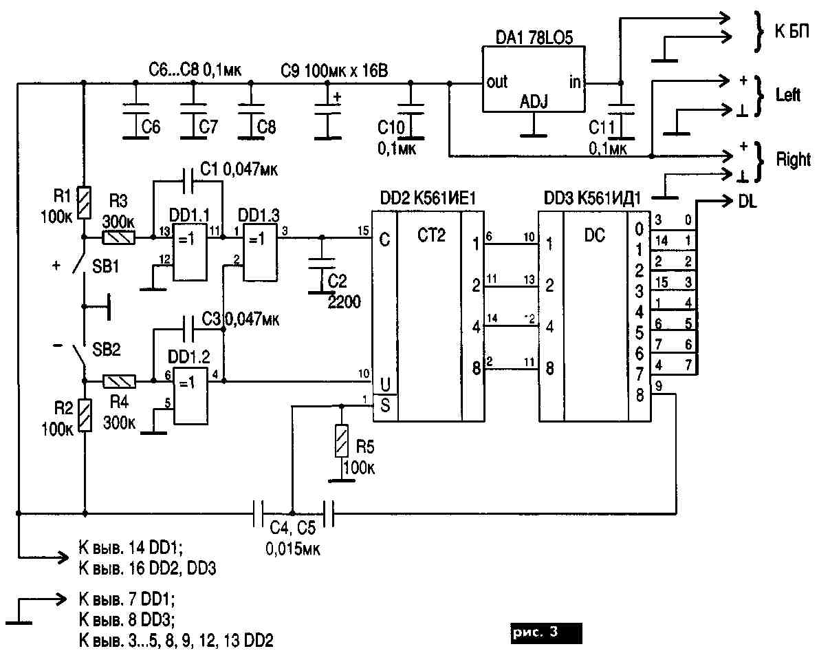
где U, U1 - входное и выходное напряжения (мВ), R, Rц - сопротивление полное и цепочки (считая от R1 к нужному резистору). Принципиальная схема цифрового блока управления показана на рис.3. В него входят узел управления на микросхеме DD1, реверсивный счетчик импульсов DD2, определяющий нужный уровень громкости дешифратор DD3, стабилизатор напряжения питания DA1. Выбор фиксированного уровня громкости производится кнопками SB1 и SB2. Дребезг их контактов устраняется элементами DD1.1 и DD1.2. При нажатии на кнопку SB1 ("+") на выходе элемента DD1.1 устанавливается низкий логический уровень. Этот уровень поступает на вход элемента DD1.3, на выходе которого появляется высокий логический уровень, переключающий счетчик на микросхеме DD2. Поскольку на входе управления направлением счета (вывод 10 МС DD2) высокий логический уровень с выхода элемента DD1.2, показания счетчика увеличиваются на единицу. Когда на кнопку SB1 нажимают восьмой раз, счетчик досчитывает до восьми, и на выводе 9 DD3 появляется лог. "1". Начинает заряжаться конденсатор С5 через резистор R5, формируя импульс высокого уровня - счетчик сбрасывается, и процесс повторяется. Когда нажимают на SB2 ("-"), на входе элемента DD1.2 появляется низкий логический уровень, сигнал которого переводит реверсивный счетчик DD2 в режим вычитания. Поскольку на вход 15 счетчика DD2 с выхода элемента DD1.3 поступает сигнал высокого уровня, счетчик срабатывается, и его показания уменьшаются на единицу. Конденсатор С2 обеспечивает задержку поступления счетного импульса на выход 15 микросхемы DD2 при переходе счетчика из режима суммирования в режим вычитания и наоборот. Условный номер уровня громкости (от 0 до 9) в виде четырехразрядного двоичного кода поступает со счетчика DD2 на дешифратор DD3. Дешифратор DD3 преобразует четырехразрядный двоичный код в позиционный, при этом на одном из его выходов появляется сигнал высокого напряжения, а на остальных - низкого. Сигналы по шине DL поступают на делители напряжения левого и правого каналов. Активным уровнем является лог. "1". При подключении напряжения питания ток заряда конденсатора С4, протекающий через резистор R5, создает на нем импульс высокого уровня. В результате микросхема устанавливается в исходное (нулевое) состояние, при котором на выходе дешифратора (DD3) лог. "1", которая по шине DL поступает на блок делителей напряжения на вход управления двунаправленного интегрального ключа DD2.4 (рис.2), который подключает точку соединения резисторов R1 и R2 к выходу устройства. Таким образом организовано управление.
В устройстве можно применить следующие электронные компоненты: резисторы МЛТ-0,125; конденсаторы С1 - С8, С10, С11 (рис.3), С1, С2 (рис.2) - керамические К10-17 или аналогичные; электролитический конденсатор С9 - фирмы SAMSUNG. Микросхемы можно заменить на аналогичные серий К176, К564, КР1561 или импортные. Интегральный стабилизатор (DA1) - любой с напряжением стабилизации 5 В. Устройство смонтировано на двусторонней фольгированной плате из стеклотестолита. Фольга со стороны деталей используется в качестве экрана. Выводы элементов должны быть по возможности короче. Сигнальные провода, идущие к устройству, экранированные. Блокировочные конденсаторы распределяются следующим образом: С6 к DD1, С7 к DD2; C8 к DD3,C9,C10,C11 к DA1 (рис.3); С1 к DD1, C2 к DD2 (рис 2) и припаиваются прямо к ножкам питания данных микросхем. Кнопки SB1 и SB2 выведены на лицевую панель УМЗЧ. Питается устройство от блока питания УМЗЧ. Над блоками 2 и 3 (рис.1) обязательно должен быть экран из тонкой фольги. Монтаж должен быть хорошо продуман, иначе регулятор будет работать НЕУСТОЙЧИВО. Устройство не требует регулировок, за исключением делителей напряжения (при необходимости). Если оно смонтировано без ошибок, то начинает работать сразу после подачи напряжения питания. Контроль работы цифровой части заключается в проверке счета формирования импульсов, поступающих с SB1 и SB2 в режиме суммирования и вычитания. Затем устройство подключают к УМЗЧ и проверяют возможность регулировки громкости.
К.Герасименко, Житомирская обл., РАДИОАМАТОР № 4, 2001