В начале восьмидесятых годов при работе через метеорные потоки скорость передачи была 600—800 знаков в минуту и для записи принятых сигналов еще можно было использовать магнитофон, замедляя в нем движение ленты при расшифровке. Сейчас же скорость передачи значительно возросла, достигнув 2000 знаков в минуту. А за рубежом уже рассматривается вопрос о проведении метеорных связей при скорости до 4000 знаков в минуту. На смену магнитной записи пришла цифровая с «жесткой» и программно-управляемой логикой. Все чаще в радиолюбительской практике применяют компьютер. Однако далеко не каждый коротковолновик и ультракоротковолновик, желающий работать через метеоры, имеет возможность сделать «жесткое» логическое устройство, предложенное В. Багдяном и описанное в [1—3], а тем более собрать или приобрести компьютер с необходимым программным обеспечением.
Предлагаемый читателям простой цифровой «магнитофон» (далее по тексту — устройство) позволяет проводить метеорные связи при скорости передачи от 420 до 2000 знаков в минуту. Он совмещает в себе многие достоинства аналоговой записи (такие, как участие слухового анализатора человека в процессе приема, что особенно важно в условиях помех; возможность оценки скорости передачи корреспондента при работе на общий вызов) с достоинствами цифровой (возможность работы устройства с узкополосным фильтром; мгновенный автоматический переход в режим воспроизведения после окончания записи в режим воспроизведения после окончания записи бурста с замедлением в несколько раз, а при доработке устройства — вплоть до полной «остановки», без изменения тона воспроизводимого сигнала; логическая защита от перехода в режим воспроизведения от сигналов, не отвечающих некоторым заданным параметрам). Снижение достоверности сигналов, записанных при скорости свыше 1500 знаков в минуту, при воспроизведении оправдано простотой устройства. Если увеличить объем памяти и повысить тактовую частоту, диапазон скоростей можно расширить. Чем выше тактовая частота в устройстве, тем большей достоверности можно достичь.
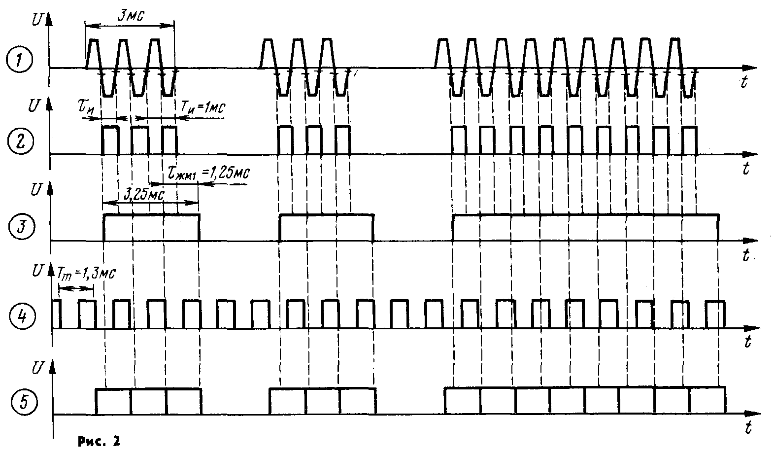
Принципиальная схема устройства изображена на рис. 1. Оно состоит из аналого-цифрового преобразователя на транзисторах VT1—VT3 и триггере Шмитта DD1.1, узла «восстановления» огибающей сигнала (выполнен на ждущем мультивибраторе DD2.1), управляемого тактового генератора на элементах 2И-НЕ микросхемы DD3, узлов памяти (на счетчиках DD4—DD6 и ОЗУ DS1) и управления (на ждущем мультивибраторе DD2.2 и микросхеме DD8) и тонального генератора на элементах 2И-НЕ DD7.1 — DD7.3. Эпюры напряжения в некоторых точках устройства показаны на рис. 2.
Отфильтрованные тональные посылки амплитудой 2...3 В, переданные со скоростью 420— 2000 знаков минуту, с выхода приемника поступают на АЦП, выполненный по схеме, схожей с описанной в [4] (несколько изменена входная часть). Здесь они ограничиваются диодами VD1, VD2 и усиливаются дифференциальным усилителем на транзисторах VT1, VT2. Усилительные каскады на транзисторах VT2 и VT3, охваченные положительной обратной связью через резистор R9, образуют узел с триггерными свойствами, который формирует прямоугольные импульсы, приходящие на вход триггера Шмитта DD1.1. С его выхода тональная посылка в виде пачки прямоугольных импульсов поступает на вход D ждущего мультивибратора DD2.1 Функция этого узла — заполнить паузы в поступающей пачке и тем самым восстановить первоначальную длительность телеграфной посылки (с незначительной погрешностью, увеличивающейся с ростом скорости передачи). Условие нормальной работы узла «восстановления»: Ти<тЖМ|<Ти+ти, где тжм, — длительность импульса, формируемого ждущим мультивибратором DD2.1, ти — длительность импульса в пачке, Ти — период импульсов в ней. При частоте тональных посылок 1 кГц и длительности тЖМ1, равной 1 мс, длительность «восстановленной» посылки на 0,25 мс больше, чем у принятой. С выхода ждущего мультивибратора DD2.1 телеграфная посылка поступает на вход D ОЗУ DS1.
Перед записью информации в ОЗУ необходимо предварительно «очистить» в нем все ячейки памяти, для чего кнопку SB2 удерживают нажатой до тех пор, пока не погаснет све-тодиод HL2 «Запись». При этом на входах RO счетчиков DD4— DD6 появляется низкий логический уровень, и они начинают считать импульсы, приходящие с тактового генератора, тем самым последовательно перебирая адреса ОЗУ с 0 до 1023. Во все ячейки ОЗУ запишется логический 0, так как с вывода 13 ждущего мультивибратора DD2.1 до окончания удержания кнопки SB2 на вход D ОЗУ поступает низкий логический уровень. На 1024-м такте импульсом низкого уровня с выхода 2 счетчика DD6 переключится RS-триггер (на элементах DD8.2, DD8.3), и устройство перейдет в режим воспроизведения. Об изменении режима можно судить по погасанию светодиода HL2.
Узел управления работает следующим образом. При кратковременном нажатии на кнопку SB2 продифференцированный импульс низкого уровня переведет RS-триггер на элементах DD8.2, DD8.3 в состояние, при котором на выходе элемента DD8.2 будет низкий логический уровень, а на выходе DD8.3 — высокий. Устройство перейдет в режим записи. При этом загорится светодиод HL2, прекратится протекание тока по обмотке реле К1, ОЗУ готово к записи информации из эфира. Ждущий мультивибратор DD2.2 служит для запуска узла при появлении на входе устройства тональных посылок. Кроме того, он является избирательным элементом, позволяющим увеличить помехозащищенность устройства. Запускаясь фронтом импульса первой телеграфной посылки с выхода ждущего мультивибратора DD2.1, ждущий мультивибратор DD2.2 разрешает работу счетчиков DD4— DD6 сигналом, проходящим через элементы DD8.1 и DD3.4. Если пауза в серии телеграфных посылок или длительность посылки в процессе записи превысит длительность импульса, вырабатываемого ждущим мультивибратором DD2.2 (тЖМ2= = 100 мс), устройство вернется в исходное состояние — в режим ожидания информации. То же произойдет, когда длительность серии посылок не будет удовлетворять условию Тс>13/2-тЖМ2, где Тс - длительность серии посылок, t3 — время записи, зависящее от положения переключателя SA1 (в положении «600» 1з=2 с, «1200»—ts=l с), тЖМ2=100 мс.
Параметры устройства в зависимости от положения переключателя «600»/«1200»
Параметр |
«600» | «1200» |
| Скорость записываемой информации, знаки в минуту | 420—900 | 900—2000 |
| Замедление при воспроизведении, раз, в положении переключателя: | ||
| «600» | 8 | 12 |
| «1200» | 5 | 8 |
| Защита от серии импульсов длительностью, мс, не более | 900 | 400 |
| Время записи бурста, мс | 2000 | 1000 |
| Частота следования импульсов тактового генератора, Гц, в режиме: | ||
| записи | 510 | 780 |
| воспроизведения | 64 | 98 |
Если поступающая серия телеграфных посылок удовлетворяет условиям, перечисленным выше, она будет записана в ОЗУ. Импульс со второго разряда счетчика DD6, продифференцированный цепью C9R26, изменит состояние RS-триггера, и устройство перейдет в режим воспроизведения. При этом сработает реле К1 и своими контактами К 1.1 подключит в тактовом генераторе параллельно конденсатору С5 конденсатор С6, что приведет к снижению тактовой частоты приблизительно в 8 раз. На вход EWR ОЗУ с RS-триггера (с DD8.2) поступит высокий логический уровень, разрешающий считывание. Низкий логический уровень с выхода элемента DD8.3, пройдя через элементы DD8.1, DD3.4, разрешит работу счетчиков DD4 — DD6, циклично изменяющих адреса ОЗУ. Таким образом, на выходе ОЗУ будет воспроизводиться записанная информация, которая поступает на нижний по схеме вход элемента DD7.4, играющего роль логического сумматора. На его второй вход поступает сигнал с тонального генератора. С выхода элемента DD7.4 через эмиттер-ный повторитель (VT4) тональный сигнал поступает на низко-омные головные телефоны В F1.
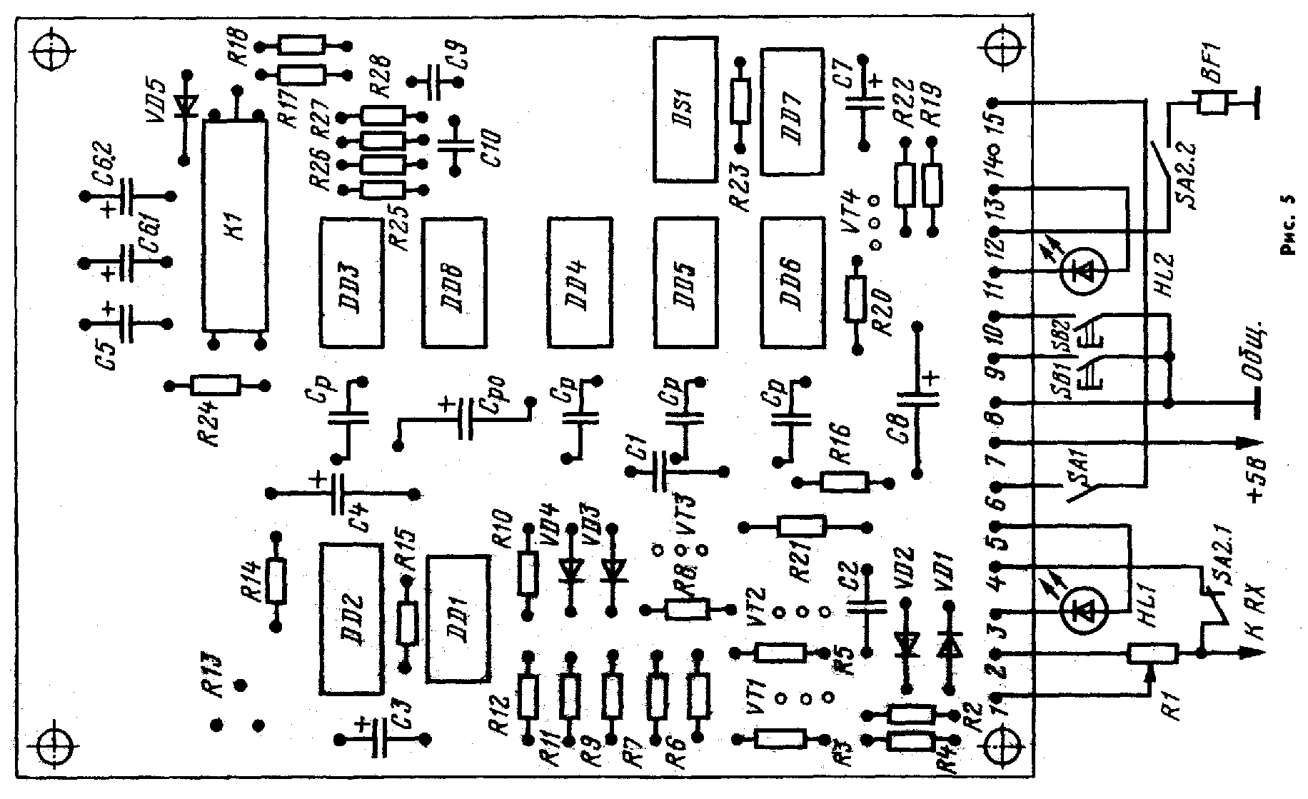
Цифровой
«магнитофон» собран на двусторонней печатной
плате (рис. 3—5). В устройстве применены
постоянные резисторы МЛТ-0,125 и МЛТ-1 (R21),
подстроечный СП4-1В (R13). Конденсаторы КМ-5Б, КМ-6Б.
Развязывающие конденсаторы Ср — КМ-5Б, Ср() — К53-1.
Реле К1—РЭС55 (паспорт РС4.569.603).
Налаживание устройства сводится к подбору резисторов R4, R15, R21 и сопротивления резистора R13. На вход устройства подают синусоидальный сигнал частотой 1 кГц и амплитудой 300 мВ и подбором резистора R4 добиваются максимальной чувствительности АЦП, контролируя сигнал на коллекторе транзистора VT3. Затем впаивают вместо подобранного резистора новый с несколько большим сопротивлением, чтобы при отсутствии входного сигнала транзистор VT3 был надежно закрыт. При этом гистерезис триггера в АЦП — около 100 мВ. Подстройкой резистора R13 при средней частоте узкополосного фильтра 1 кГц устанавливают длительность импульса, вырабатываемого первым ждущим мультивибратором, равной 1,25 мс. При других значениях входной частоты длительность импульса необходимо скорректировать согласно равенству тЖМ1 = Ти+ти/2, где Ти — период серии импульсов, ти — длительность импульсов в серии. Подбором резистора R15 добиваются, чтобы длительность импульса второго ждущего мультивибратора стала равной 100 мс. Резистор R21 подбирают таким образом, чтобы уровень входного сигнала был независим от положения переключателя SB2.
В заключение несколько практических советов. Если используемый приемник имеет регулятор усиления по ЗЧ, то в цифровом «магнитофоне» резистор R1 можно исключить, а входной сигнал подавать на резистор R2 (точка 1 на плате).
Чтобы получить максимальную чувствительность, регулятор усиления по ЗЧ устанавливают в положение, обеспечивающее почти максимальную громкость. В какое именно, можно уточнить следующим образом. На вход приемника подают сигнал, чтобы он на 2—3 балла (по шкале S) превышал шум. Переключатель SA2 переводят в положение «Воспр.», удерживая кнопку SB1 нажатой, регуляторами усиления добиваются, чтобы в головных телефонах прослушивался четкий тональный сигнал. Если прекратить подавать полезный входной сигнал, светодиод HL1 должен загораться лишь при пиках шума, но не светиться постоянно, так как устройство, записав шумовую помеху, обязано перейти в режим воспроизведения. Чтобы повысить помехоустойчивость от коротких импульсных помех, в устройство можно встроить интерфейс, описанный в [3]. Его включают между выходом триггера Шмитта DD1.1 и входом D микросхемы DD2.1.
И. НИКИФОРОВ (UB5WBL), г. Старый, Львовской обл.
ЛИТЕРАТУРА:
1. Багдян В. Любительский дисплей.— Радио, 1 982, № 5, с. 19—24.
2. Багдян В. Блок обработки CW и RTTY сигналов.— Радио, 1982, № 8, с. 17—20.
3. Багдян В. CW интерфейс к любительскому дисплею. — Радио, 1983, № 8, с. 19—20.
4. Бирюков С. Цифровой частотомер.— Радио, 1981, № 10, с. 44—47.
Радио № 12, 1989 г.