Универсальная цифровая шкала - частотомер с функцией ЦАПЧ

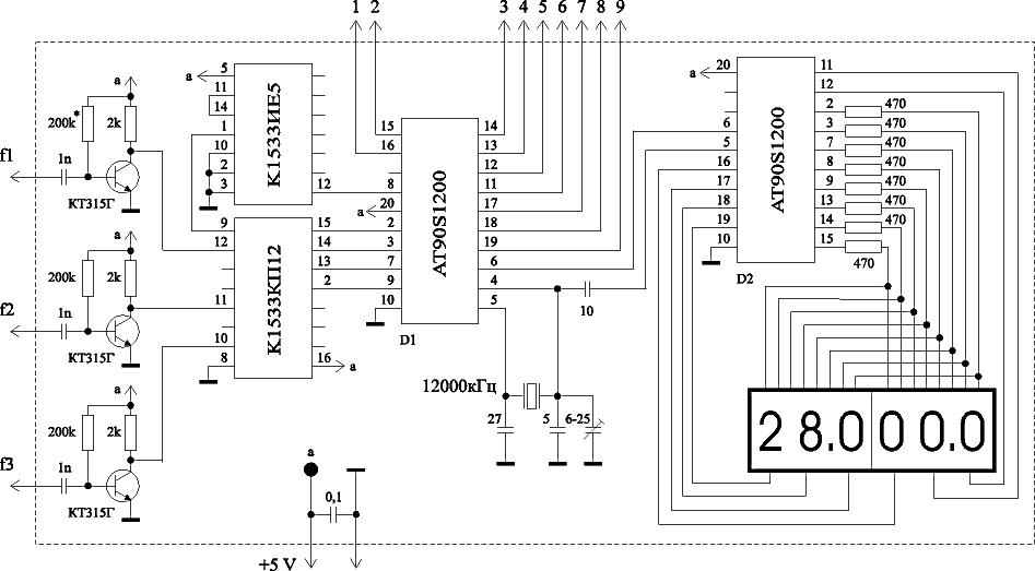
Схема универсальной цифровой шкалы — частотомера с функцией ЦАПЧ

Печатная плата универсальной цифровой шкалы — частотомера с функцией ЦАПЧ

Печатная плата универсальной
цифровой шкалы

Устройство предназначено для установки в любые КВ трансиверы в качестве цифровой шкалы (ЦШ), а также может использоваться как частотомер до 70 МГц. ЦШ может работать с одним или тремя частотными входами. При работе с одним частотным входом имеется возможность записи двух ПЧ. При работе с тремя частотными входами обеспечиваются любые комбинации сложения и вычитания частот гетеродинов. Для стабилизации частоты ГПД трансивера имеется функция цифровой автоматической подстройки частоты (ЦАПЧ). Есть возможность выбора времени счета: 1/2, 1/4, 1/8 или 1/16 с.

Конструктивно ЦШ выполнена на одной плате размером 95х40 мм, что позволяет легко устанавливать ее на переднюю панель трансивера.

Для индикации автором использовались светодиодные матрицы с общим катодом зелёного свечения.

Основные параметры:

максимальная частота на входе 70 МГц
минимальная частота на входе 10 кГц
максимальное программируемое значение ПЧ 99 МГц
минимальное программируемое значение ПЧ 100 Гц
младший разряд показаний 100 Гц
время измерения 1/2 , 1/4 , 1/8 или 1/16 с
точность измерений, в зависимости от времени измерения:
   1/2 с ±2 Гц
   1/4 с ±4 Гц
   1/8 с ±8 Гц
   1/16 с ±16 Гц
количество частотных входов 3
минимальный уровень входного сигнала 50 мВ
максимальный уровень входного сигнала 5 В
напряжение питания 5 В ±10% (стабилизированное)
ток потребления 60 мА

Алгоритм работы устройства задается выводами 1,2,3,5,6,7.
Выводы 1 и 2 — это задание времени измерения:

Вывод 1 1 0 1 0
Вывод 2 1 1 0 0
Время, с 1/2 1/4 1/8 1/16

где: 0 означает замкнуть вывод на общий провод, 1 — разомкнуть.
Вывод 3 — выбор работы устройства с одним частотным входом или тремя: 1 — с одним, 0 — с тремя.
Вывод 4 — сигнал ЦАПЧ.
Вывод 5 — захват ЦАПЧ. Функция ЦАПЧ работает следующим образом. Когда вывод 5 разомкнут, на выводе 4 присутствует сигнал в виде меандра с амплитудой от 0 до 5 В и частотой в зависимости от выбранного времени измерения, который через интегрирующую цепочку подается на варикап ГПД, т.е. на варикап фактически подается напряжение 2,5В. Если вывод 5 замкнуть, то начнется слежение за частотой ГПД. Теперь если измеренная частота будет выше той, которая была до замыкания вывода 5, то на выводе 4 будет присутствовать 0 В; если ниже - то будет присутствовать 5 В, что обеспечит подстройку ГПД.

Вывод 6 — для трехвходового режима выбор «+» или «*» измеренная частота со входа f2: 1 - «+», 0 - «*»;

Вывод 7 — для трехвходового режима выбор «+» или «*» измеренная частота со входа f3: 1 - «+», 0 - «*»;

Вывод 8 — для одновходового режима выбор «+» или «*» ПЧ: 1 - «+», 0 - «*».

Вывод 8 — запись ПЧ. Работает следующим образом. Выберите трехвходовой режим. Разомкните вывод 6. Подайте на вход f1 сигнал частотой равной ПЧ1. На одну-две секунды замкните вывод 8. Частота ПЧ1 записана. Затем замкните вывод 6. Подайте на вход f1 сигнал частотой равной ПЧ2. На одну-две секунды замкните вывод 8. Частота ПЧ2 записана. Снова перейдите в одновходовой режим. Теперь выводом 6 можно выбирать ПЧ1 или ПЧ2, а выводом 7 - «+» или «*» ПЧ. При выключении питания ПЧ сохраняются.
Вывод 9 — для просмотра показаний младших разрядов (единицы и десятки Гц): 0 — просмотр младших разрядов. (или второй вариант — инверсия функции ЦАПЧ).

При одновходовом режиме измеряемый сигнал подается на вход f1. Базы буферных транзисторов на входах f2 и f3 желательно замкнуть на общий провод. Для работы устройства в качестве частотомера записывается ПЧ = 000000, и выбирается одновходовой режим. Для обеспечения максимальной чувствительности под определенный уровень входного сигнала подбираются базовые резисторы транзисторов входных буферных каскадов.

Автор проекта: Игорь Максимов (E-mail: maksi@metax.kharkiv.com)

Назад