Малогабаритный частотомер-цифровая шкала до 200 МГц с ЖКИ дисплеем

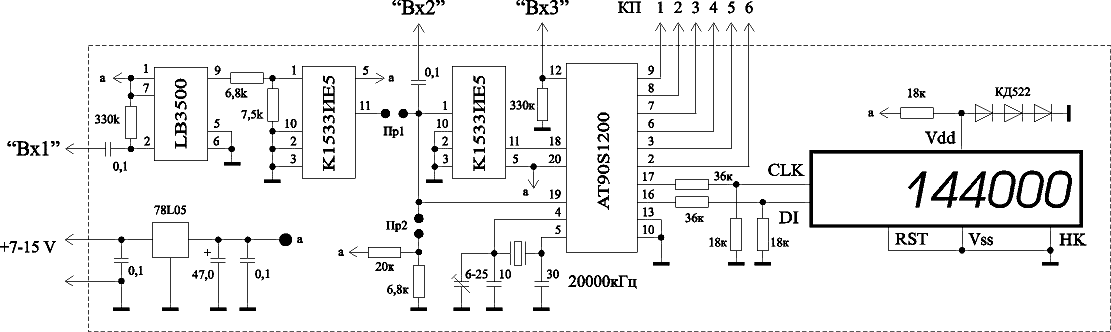
Схема малогабаритного частотомера-цифровой шкалы

Малогабаритный частотомер-цифровая шкала Частотомер имеет небольшие габариты 65х35х20 мм и легко помещается на ладони. Несмотря на это он работает в широком диапазоне частот от 0 до 200 МГц, а также может использоваться как цифровая шкала приёмника.

Основные технические параметры:

В режиме цифровой шкалы устройство работает с приемниками имеющими ПЧ: 455 кГц, 465 кГц, 500 кГц, 10695 кГц, 10700 кГц, 21000 кГц, 24000 кГц. Предусмотрен выбор +ПЧ или -ПЧ. Возможна индивидуальная прошивка под любые другие ПЧ. Основу прибора составляет программируемый микроконтроллер AT90S1200-12SI фирмы ATMEL. Контроллер управляет ЖКИ дисплеем HT-1611 и в зависимости от установленных перемычек работает как частотомер или цифровая шкала. Для питания микросхем применяется стабилизатор напряжения 78L05, что обуславливает нижний предел питающего напряжения не ниже 7В. Если необходимо уменьшить нижний предел питающего напряжения вплоть до 5В, следует заменить стабилизатор 78L05 на LM2931Z5. Для работы со входа 1 на частотах до 200 МГц используется высокочастотный делитель LB3500 фирмы SANYO, благодаря которому чувствительность в диапазоне 1...200 МГц не хуже 50 мВ. При работе на низких частотах (вход 3) 0...1 МГц используется внутренний компаратор микроконтроллера, что обеспечивает высокую чувствительность и уменьшает габариты платы. Все детали прибора умещаются на плате размером 65х35 мм. Микроконтроллер устанавливается со стороны печатных дорожек. ЖКИ дисплей впаивается в плату со стороны деталей. При этом высота прибора вместе с индикатором не превышает 20 мм.

Описание режимов работы:

Автор проекта: Игорь Максимов (E-mail: maksi@metax.kharkiv.com)

Назад