FM-сканер предназначен для использования совместно с приемниками у которых перестройка по диапазону осуществляется при помощи варикапов.
Uпит................................................................................ 6?15 В
Iпотр................................................................................ < 10 mА
Напряжение настройки................................................ 0?1,7 В
Количество ячеек памяти............................................... 256
Время хранения информации, (не менее).................... 1 год
ПОДКЛЮЧЕНИЕ
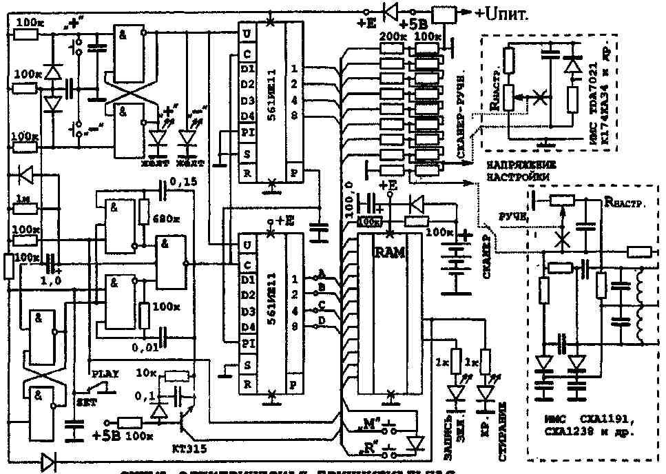
Подключение сканера к приёмнику показано на схеме. В приёмнике необходимо разорвать проводник соединяющий движок Кнастр. с варикапами и к месту разрыва подключить переключатель. Место разрыва на схеме обозначено знаком -^-. Так как различные типы приемников имеют разное напряжение настройки, в сканере предусмотрены два выхода:
-для приёмников на основе ИМС ТDА7021,К174ХА34 и др;
-для приемников на основе ИМС СХА1191,СХА1238 и др.
Для подключения сканера необходимо использовать экранированные провода. Для удобства ориентации в FM-диапазоне к сканеру можно подключить электронную линейную шкалу - выводы: - D A B C + (см. описание шкалы) кабелем следующей конфигурации:


Сканер является высокостабильным устройством. Запоминаемое им напряжение настройки не зависит от Uпит., температуры, длительности работы и времени хранения информации. Такие же параметры должен иметь подключаемый к сканеру приёмник. В противном случае может наблюдатся уход некоторых станций из-за нестабильности входных и гетеродинных цепей приёмника или неправильно настроенной системы АПЧГ.
УСТРОЙСТВО И ПРИНЦИП РАБОТЫ
Сканер представляет собой цифровое устройство состоящее из следующих функциональных блоков:
-универсальный тактовый генератор (К561ЛА9);
-переключатель направления сканирования и старт-стопный триггер (К561ЛА7);
-блок реверсивных счётчиков (К561 ИЕ 11):
-ЦАП типа R-2R с делителем напряжения;
-ИМС RAM памяти с блоком перехода в статический режим.
FM-сканер имеет два режима работы SET и PLAY, устанавливаемые переключателем режимов.
Режим SET: служит для поиска станций и записи их в память. В этом режиме нажимая на кнопки "+" или "-" необходимо настроиться на станцию, добившись наилучшего качества приёма и записать её настройку в память нажав на кнопку "М" (при этом загорится зеленый светодиод). Повторить описанные выше действия для остальных станций диапазона. Независимо от порядка записи станций - они автоматически выстраиваются подряд по диапазону.
Режим PLAY: служит для выбора станций (кнопки "М" и "R" заблокированы). В этом режиме, кратковременным нажатием на кнопки "+" и "-", выбирается любая из запомненных ранее станций, расположенных подряд по диапазону.
Для стирания из памяти одной станции необходимо точно настроиться на удаляемую станцию (горит зеленый светодиод) и в режиме SET нажать кнопку "R" (загорится вместо зеленого-красный светодиод). Для полного стирания всех станций из памяти необходимо в режиме SET нажать одновременно кнопки "+" и "R" и удерживать их в течении 40-50 секунд (обнуление всех ячеек памяти). Запрограмированный сканер, при включении питания, автоматически настроит приемник на первую (по диапазону) из записанных в него станций. FM станции запоминаются в ИМС RAM памяти, которая при отключении питания переходит в статический режим и запитывается от батарейки резервного питания, состоящей из трёх элементов типа AG3, установленных на плате. В этом режиме ИМС RAM потребляет ток не более 5мкА, что позволяет хранить записанную информацию не менее года. Для компенсации саморазряда и увеличения срока службы резервной батарейки, в схеме предусмотрена её автоматическая подзарядка микротоком.

Производитель и разработчик фирма "Витан", г. Запорожье