Назначение.
Устройство предназначено для установки в активные акустические системы (далее ААС) компьютера. Оно замещает собой сдвоенный переменный резистор регулировки уровня громкости и позволяет получить дополнительные функции и высокую надежность в работе. Всем известно, что переменный резистор, при постоянном активном пользовании им, выдерживает не более чем 1-2 года, а затем начинаются неприятности, вызванные старением резистивного слоя и износом трущихся частей. Вернее, они становятся гораздо более заметными. Разный уровень громкости в колонках, посторонний треск на средней и высокой громкости воспроизведения, обусловленный вибрацией резистора; отказ одного из стереоканалов, а также треск при регулировке громкости. Давно уже в телевизорах и музыкальных центрах используются электронные регуляторы громкости, но лишь компьютерные ААС по-прежнему остаются с этими проблемами. Предлагаемое вашему вниманию устройство полностью устраняет все указанные недостатки. Его можно использовать как при ремонте, так и для установки в новые ААС перед продажей.
Функциональный состав.
Устройство имеет следующие функции:
1. Сенсорное управление.
Все управление производится при помощи одного
сенсора. Каждое касание сопровождается
подтверждающим звуковым сигналом. Сенсор
реагирует на изменение емкости, а человек,
поднося палец к сенсору, производит ее
увеличение. В результате становится возможным
определять не только касание к сенсору, но и
нахождение пальца в нескольких миллиметрах от
него. Программно реализована защита от помех и
дрожания пальца. В качестве сенсора используется
металлическая сеточка, прикрывающая
динамическую головку. Она установлена на
подавляющем количестве типов ААС. В таком случае,
при установке этого устройства, не происходит
никакого изменения внешнего вида ААС. Если ААС не
имеют такой сетки, можно расположить сенсор
(металлический кружок диаметром примерно 25 мм)
под верхней стороной корпуса колонки.
Чувствительность, в этом случае, следует
несколько увеличить изменением сопротивления
резистора R3. Об этом будет сказано ниже. Можно
применить и другие варианты сенсоров.
2. Увеличение и уменьшение уровня громкости со
звуковым контролем.
В этих режимах происходит вывод мелодичного
сигнала, изменяющегося по громкости в
соответствии с устанавливаемым уровнем. То есть,
установить нужный уровень громкости вы можете
даже при отсутствии звукового сигнала от
аудиокарты компьютера. Устройство позволяет
получить 46 ступеней уровня громкости от
минимального до максимального значения.
3. Режим MUTE.
Позволяет мгновенно убавить уровень громкости
до минимума с возможностью последующего
возврата к установленному ранее уровню. Очень
удобен, когда в разгар игры вдруг зазвонил
телефон и необходимо ответить на звонок.
4. Режим "RSI Break".
"Синдром часто повторяющихся нагрузок"
(repetitive stress injury, RSI) возникает в результате
многодневного сидения за компьютером, когда вы
часами всматриваетесь в экран, не выпуская из рук
мышь и даже забывая пообедать. Общее недомогание,
жгучая боль и скованность в руках или кистях;
напряжение и боль в мышцах спины или шеи;
нарушенная координация движений – любой из этих
симптомов может говорить о том, что вы уже нажили
себе недуг, который называется RSI. Единственный
способ полностью избежать RSI – это вообще
отказаться от работы за компьютером. Впрочем,
существуют приемы, позволяющие уменьшить
степень риска. Описываемое устройство позволяет
использовать режим "RSI Break" и организовать
небольшие перерывы в работе, заполняемые
гимнастикой или другой физической нагрузкой,
связанной с разнообразными движениями. Это
позволяет избежать заболевания. При включении
этого режима начинается отсчет времени. По
истечении 50 мин. выдается прерывистый звуковой
сигнал, свидетельствующий о необходимости
прервать работу на компьютере. Затем через 10 мин.
раздастся мелодичный звуковой сигнал,
разрешающий приступить к работе. Цикл
повторяется до выключения режима "RSI Break".
Оба этих сигнала имеют длительность 20 сек., но
могут быть прерваны одним касанием к сенсору.
Режим "RSI Break" при этом останется включен.
5. Запоминание установленного уровня громкости
и разрешения режима "RSI Break" при выключении
питания.
При включении питания будет восстановлен
использованный ранее уровень громкости. Если
ранее был включен режим "RSI Break", то будет
выдан мелодичный звуковой сигнал длительностью 2
сек., свидетельствующий о начале отсчета
рабочего времени. Включение режима MUTE не
запоминается при выключении питания.
6. Проверка установленного уровня громкости при
отсутствии звукового сигнала от компьютера.
В любое время, коснувшись один раз сенсора, вы
услышите мелодичный звуковой сигнал
длительностью 1 сек. с уровнем громкости,
соответствующим установленному.
Управление устройством.
1. Одно касание и отпускание: проверка
установленного уровня громкости
воспроизведением мелодичного звукового сигнала
или отключение режима MUTE (возврат к прежнему
уровню громкости), если он был включен. В
последнем случае не выдается мелодичный
звуковой сигнал для проверки установленного
уровня громкости.
2. Одно касание и удержание: плавное
уменьшение громкости звука с воспроизведением
мелодичного звукового сигнала, соответствующего
устанавливаемому уровню. По достижении
минимального уровня будет выдаваться
прерывистый одно-тональный сигнал.
3. Два касания и отпускание: включение режима
MUTE (быстрое уменьшение громкости до минимума).
4. Два касания и удержание: плавное увеличение
громкости звука с воспроизведением мелодичного
звукового сигнала, соответствующего
устанавливаемому уровню. По достижении
максимального уровня будет выдаваться
прерывистый одно-тональный сигнал.
5. Три касания и отпускание: Включение или
выключение режима "RSI Break". Включению режима
соответствует мелодичный звуковой сигнал после
касаний, а выключению – прерывистый
одно-тональный сигнал.
Примечание: Повторные касания должны
происходить с интервалом времени не более 0,75 сек.
Принципиальная схема.

Устройство выполнено на
микроконтроллере PIC16F84A-04 (PIC16LF84A), но могут быть
использованы и другие типы PIC с внутренней EEPROM
памятью данных. Контроллер PIC содержит полевые
транзисторы в выходных каскадах портов, что
позволяет создать резистивный ЦАП для работы с
переменным током звуковой частоты, имеющим как
положительные, так и отрицательные полуволны
сигнала. На элементах R13-R15, VT1 собрана схема
запуска контроллера, рекомендованная Microchip для
контроллеров не имеющих функции "Brown-out
Reset". Она обеспечивает надежный запуск
контроллера в любых условиях и выработку
необходимого сигнала Reset при понижении
напряжения питания. Это гарантирует отсутствие
сбоев в работе. На резисторах R5, R5'...R10, R10'
выполнены два шестиразрядных ЦАП,
осуществляющих изменение уровня громкости
звука, подаваемого на вход ААС. Их номиналы
выбраны исходя из допустимой точности
отклонения от расчетного ряда: 250 Ом, 500 Ом, 1 кОм, 2
кОм, 4 кОм, 8 кОм. То есть, можно применить
несколько другие номиналы, чем те, что указаны на
схеме, но максимально близкие к указанному ряду
сопротивлений. При необходимости можно точнее
подобрать соответствие уровней звука от
контроллера и от аудиокарты одновременным
изменением резисторов R11, R11'. Увеличение их
сопротивления приводит к уменьшению уровня
звука от контроллера. Впрочем, добиться
желаемого соответствия можно и "регулятором
громкости" в Windows. Резистором R3 можно
регулировать чувствительность сенсора. Для
сенсора в виде окрашенной металлической сетки на
ААС его сопротивление должно быть, как указано на
схеме, 160 кОм. Для сенсора в виде металлической
пластины расположенной на внутренней
поверхности корпуса следует поставить
максимально возможное сопротивление R3 – 390 кОм.
Для открытого сенсора, рассчитанного на
непосредственное касание пальцем к его
металлической поверхности, сопротивление R3
можно уменьшить до 100кОм.
Резистор R12 – МЛТ-0,25, остальные – МЛТ-0,125. С целью
минимизации устройства можно применить
компоненты предназначенные для поверхностного
монтажа.
Подключение устройства к акустической системе.
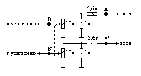
На рисунке, расположенном ниже, для примера, показана входная часть принципиальной схемы ААС MS-691.
![]() |
Все элементы, находящиеся между точками А-В и А'-B', удаляются, и устройство подключается к указанным точкам в соответствии с принципиальной схемой. Обратите внимание, что удаление сдвоенного переменного резистора из схемы выполняется лишь коррекцией разводки печатной платы, чтобы не нарушать внешний вид ААС. Все соединительные проводники должны быть, по возможности, минимальной длины и не слишком тонкими. Особенно это касается общего провода. Провод от резистора R4 припаивается к металлической сетке ААС с внутренней стороны. |
| Напряжение питания
(+8V) берется от ААС после выключателя POWER (с
микросхемы усилителя) с тем, чтобы при выключении
питания этим выключателем, устройство оказалось
бы тоже отключенным. Если напряжение питания
ваших ААС значительно отличается от указанного,
следует изменить номинал резистора R12. Большинство ААС не содержит стабилизатора питающего напряжения и установленная емкость фильтрующего конденсатора в блоке питания (обычно 2200 мкф), как правило, слишком мала. Это приводит к снижению громкости и искажению звука при воспроизведении низких частот, а также к увеличенному уровню фона переменного тока. Емкость этого конденсатора желательно поднять до 10000 мкф для улучшения качества работы ААС. Дальнейшего снижения фона переменного тока и искажений звука можно добиться более грамотной разводкой общего проводника на печатной плате толстым медным проводом. |
|
|
Часто недорогие стерео-ААС оказываются неспособными приемлемо воспроизводить низкие звуковые частоты и их звучание оказывается слишком резким, звенящим и раздражающим слух. Выровнять уровень АЧХ и тем самым "поднять басы", сделав звучание гораздо более приятным на слух, позволяет замена каждого из резисторов R1 и R2 на простой Т-образный RC фильтр нижних частот первого порядка, принципиальная схема которого представлена на рисунке слева. |
Программа для контроллера.
Руководители фирм желающие заняться серийным производством этого устройства могут обращаться ко мне за получением программы. Возможно также программирование контроллеров без передачи файла "прошивки".
Автор проекта и описания: Александр Протопопов (г. Москва). E-mail: alexhigh@mtu-net.ru , alexhigh@mail.ru WWW-site: www.protopopov.da.ru . Если Вы нуждаетесь в разработке какого-либо устройства с применением микроконтроллера, обращайтесь ко мне по e-mail. Буду рад письмам с предложением работы.