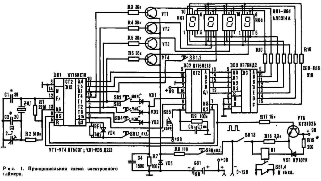
Многие владельцы бытовой радиоаппаратуры — радиоприемников, магнитофонов, магнитол — могут расширить функциональные возможности своих аппаратов, оснастив их электронным таймером. Это устройство показывает текущее время и позволяет включать или выключать радиоаппаратуру в заранее установленный момент. Кроме того, оно может служить будильником, поможет записать в отсутствие владельца интересную радиопрограмму, известит своим сигналом о начале нужной телепередачи и т. д. Работает прибор от внутреннего источника питания радиоаппарата (9—12 В). Точность хода таймера стабилизирована кварцевым резонатором и составляет ±1 с в сутки. Таймер собран на микросхемах повышенной степени интеграции и энергоэкономичности. При отключенной индикации устройство потребляет всего доли микроватта, в ждущем режиме расходуемый им ток не превышает 0,3 мА. Блок индикации, выполненный на миниатюрных светодиодных индикаторах, может быть встроен в любое удобное место радиоаппаратуры. Таймер собран на трех специализированных микросхемах (см. рис. 1): генератор DD1— К176ИЕ18, счетчик DD2—K176ME13, дешифратор DD3—К176ИД2. Интегральная микросхема К176ИЕ18 специально разработана для использования в электронных часах. В ее состав входит генератор, рассчитанный на работу с внешним кварцевым резонатором частотой 32 768 Гц, и два делителя частоты с коэффициентами деления 215 =32768 и 60. Сопротивление резистора R1 может находиться в пределах 10—33МОм. Конденсатор СЗ служит для точной подстройки частоты. На выходах Т1—Т4 DD1 формируются импульсы с частотой 128 Гц и скважностью 4, сдвинутые между собой на четверть периода. Они необходимы для коммутации разрядов индикатора в часах при динамической индикации. Сигнал с частотой 1 Гц с вывода 4 микросхемы можно использовать для зажигания разделительной точки. В данном устройстве он сигнализирует о работе часов в режиме «будильник-таймер». ИМС К176ИЕ18 имеет специальный формирователь звукового сигнала. При подаче на вход HS импульса положительной полярности с одноименного выхода микросхемы DD2 на выводе 7 DD1 появляются пачки отрицательных импульсов с частотой заполнения 2048 Гц и скважностью 2. Длительность пачек — 0,5 с, период заполнения — 1с. Выход Q3 (вывод 7) выполнен с «открытым» стоком и позволяет подключать излучатели сопротивлением более 50 Ом без эмиттерных повторителей. Микросхема DD2 содержит счетчики минут и часов, регистр памяти будильника, цепи сравнения и включения звукового сигнала, цепи формирования сигналов цифр в двоичном коде при динамической индикации. При уровне 1 на выходе Т1 DD1, на выходах А—В—С—D DD2 присутствуют сигналы, соответствующие в двоичном коде цифре единиц минут: при таком же уровне на выходе Т2 — сигналы десятков минут и т. д. На выходе Q1 (вывод 12) формируются импульсы для записи сигналов цифр в триггеры памяти микросхемы DD3. С выхода HS (вывод 7 DD2) снимается сигнал будильника, используемый для запуска выходного реле К1, коммутирующего выключатель питания в режиме таймера. Реле включено в катодную цепь тринистора VS1, управляющий вход которого подключен через согласующий повторитель на транзисторе VT5 к выводу 7 DD2. Напряжение питания 9 В на все три микросхемы подается на вывод 16, а с общим проводом соединяют вывод 8. При подаче питания счетчики часов и минут, а также регистр памяти автоматически переводятся в нулевое состояние. Для установки счетчика минут нажимают на кнопку SB2. При этом показания разрядов минут в индикаторе начинают меняться с частотой 2 Гц от 00 до 59 (далее снова 00 и т. д.). В момент перехода от числа 59 к 00 показания счетчика часов увеличатся на единицу. Если нажать на кнопку SB3, то с той же частотой будут изменяться показания разрядов часов (от 00 до 23). При нажатой кнопке SB4 на индикаторе появится время включения сигнала будильника. Если одновременно нажать на кнопки SB2 и SB4, то показания разрядов минут включения будильника станут изменяться, как и при нажатой кнопке SB2, однако в разряде часов переключения не будет. При одновременно нажатых кнопках SB3 и SB4 устанавливают показания разрядов часов будильника но при переходе из состояния 23 в 00 осуществляется перевод в нулевое значение разрядов минут. Кнопка SB5 служит для коррекции хода часов в процессе эксплуатации. Если нажать на кнопку SB5 и отпустить ее спустя секунду после шестого сигнала поверки времени, то появится нулевое показание разрядов минут. После этого можно установить показание разрядов часов в индикаторе, нажав кнопку SB3. При этом ход минут не будет нарушен. Следует помнить, что при показаниях индикатора в пределах от 00 до 39 состояние счетчика часов при нажатии и отпускании кнопки SB5 не изменяется В интервале же от 40 до 59 минут после отпускания кнопки SB5 значения разрядов часов увеличатся на 1 Если текущее время и время включения сигнала будильника не совпадают, на выходе HS (вывод 7 DD2) присутствует уровень логического 0. При совпадении показания на выходе HS появляются импульсы положительной полярности с частотой повторения 128 Гц и скважностью 16. Когда их подают на излучатель через эмиттерный повторитель, то раздается сигнал, напоминающий звук механического будильника. Сигнал прекратится, как только текущее время перестанет совладать с временем включения будильника, то есть через 1 мин. Для согласования микросхем К176ИЕ18 и К176ИЕ13 с индикатором используется дешифратор DD3 и ключи на транзисторах VT1—VT4. Интегральная микросхема К176ИД2 содержит преобразователь сигналов двоично-десятичного кода в сигналы управления семисегментными индикаторами. Она включает в себя также триггеры, позволяющие запомнить сигналы входного кода. Микросхема имеет четыре индикаторных входа (DO—D3) для подачи сигналов в коде 1-2-4-8 и три управляющих входа М, К, S (6, 7, 1). Вход М определяет полярность выходных сигналов: при О—на выходе 1 и наоборот. При 0 на входе К разрешена индикация. Вход S управляет работой триггеров памяти: при уровне I на нем триггеры превращаются в повторители и изменение сигналов на входах DO—D3 соответственно изменяет выходные сигналы. Если же на входе S присутствует уровень 0, то сигналы, имевшиеся перед этим на входах DO—D3, запоминаются и микросхема на их изменение не реагирует. Ток короткого замыкания на выходах DD3 примерно равен 9 мА при напряжении питания 9 В. Они соединены через токоограничивающие резисторы R10—R16 с выводами семисегментного индикатора АЛС314А или аналогичным. Соответствующие аноды всех четырех разрядов индикатора объединены и соединены с выходами дешифратора, а катоды связаны с выходами Т1—Т4 DD1 через ключи на транзисторах VT1—VT4. При среднем потреблении тока 10 мА индикатор обеспечивает в помещении достаточную яркость свечения. В случае использования таймера на улице а солнечную погоду индикатор необходимо углубить в корпусе прибора и установить красный светофильтр. Желательно при этом уменьшить величины резисторов R8 или R10-R16. Часы могут работать и от буферной батареи «Корунд». Тогда исключаются сбои в работе часов при смене источника питания и повышается надежность таймера. От батареи QB1 питаются генератор, счетчик и дешифратор. Индикатор и исполнительное реле К1 получают энергию от внутреннего, более мощного источника питания радиоаппаратуры. Потребляемый от батареи GB1 ток не превышает 0,35 мА. Кроме того, она подзаряжается от радиоаппаратуры при включенной индикации (то есть при замкнутом выключателе SB6) через резистор R8 и диод VD5, препятствующий работе индикатора от буферной батареи GB1. Срок ее службы — около года. Если в приборе нет свободного места, батарею GB1, резистор R8 и диод VD5 из схемы исключают. Контакты исполнительного реле К1 включают последовательно с тумблером литания аппарата, в который установлен таймер.

Рис. 2. Печатная плата таймера со схемой расположения элементов.

Рис 3. Печатная плата блока индикации.

Рис.4. Печатная плата исполнительного блока со схемой расположения элементов.
Таймер собран на трех печатных платах. На одной, размером 65Х40 мм (рис. 2), смонтирован собственно таймер, на второй, размером 20x40 мм,—блок индикации (рис. 3), на третьей, размером З0x17,5 мм,— исполнительный блок с реле К1 (рис. 4). Блок индикации размещают на панели управления. Платы таймера и исполнительного устройства располагают в корпусе радиоаппаратуры в свободном месте. Соединения между блоками выполняют жгутами из тонкого многожильного провода. В собранном таймере потребуется точно установить частоту задающего генератора. Удобней всего это сделать, контролируя период 0,5 с на выводе 6 микросхемы DD1 (или вывод 9 DD2). Для этого в указанное место подключают цифровой частотомер. Вращая движок подстроечного конденсатора СЗ, устанавливают период 0,5 с. При необходимости подбирают емкость конденсатора С2. В таймере использован кварцевый резонатор марки РВЧ-72, но подойдет и любой другой на частоту 32 768 Гц. Вместо микротелефона ТМ2 можно применить аналогичные с сопротивлением обмотки более 50 Ом. Кнопки SB2—SB5— микропереключатели МПЗ, МП7, МП10, МП12; SB1, SB6 — переключатели П2К или подобные. Микросхему К176ИД2 допустимо заменить на К176ИДЗ. Если нет необходимости в звуковом сигнале, то вместо МС К176ИЕ18 используйте К176ИЕ12. При этом потребуется немного изменить схему ее подключения и доработать печатную плату. Звуковой сигнал в этом случае получают от микросхемы DD2. В исполнительном устройстве применяется реле РЭС49 (паспорт РС4.569.425) или любое другое малогабаритное на ток срабатывания 10—15 мА при напряжении 6—9 В. При этом подбирается резистор R19. Тринистор — любой из серии КУ101, транзисторы VT1-VT4 КТ503Б (Г) или КТ315А-И, VT5 типа КТ3102А-Е, КТ342А-В или аналогичный. В индикаторе применены малогабаритные светодиодные индикаторы АЛС314А с общим катодом. Их можно заменить на АЛС304А. Б, В.
Д. ШАМОВ, Г. ШИК г. Тольятти, Куйбышевская обл., «М-К» № 4/90