Аккумуляторы, составляющие батарею, лучше заряжать индивидуально. Предлагается схема многоканального зарядного устройства ( ЗУ ) для никель-кадмиевых аккумуляторов.

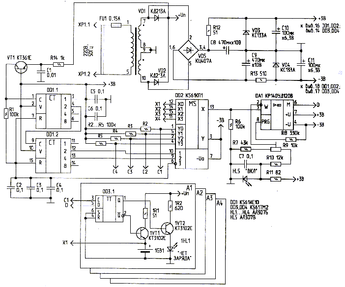
Работа ЗУ сводится к следующему: на вход С счетчика DD1.1 поступают тактовые импульсы. На выходе DD1.2 присутствует некоторый двоичный код, являющийся номером канала (выводы 12, 13). Этот код поступает на адресный вход мультиплексора DD2. Допустим, что в настоящий момент в счетчик записано число N (N=0, 1, 2, 3). Через мультиплексор напряжение с N-го канала ЗУ поступает на неинвентирующий вход компаратора DA1 (вывод 3), который сравнивает его с образцовым U обр (вывод 2), равным выбранному напряжению окончания заряда. На выходе DA1 ко времени окончания N-го тактового импульса формируется напряжение высокого (аккумулятор, подключенный к N-му каналу, заряжен) или низкого (аккумулятор разряжен) логического уровня, которое поступает на D-входы триггеров DD3,DD4 в блоках А1…А4 и заряжает их входную емкость. В этот момент через дешифратор на тактовый вход С N-го триггера поступает положительный импульс, производящий запись в триггер информации с его входа D. Состояние этого триггера остается неизменным до поступления следующего тактового импульса, т.е. до повторения адреса. Напряжение с выхода каждого триггера поступает на силовые ключи (1VT1 и 1VT2 для блока А1), которые включают зарядный ток, если аккумулятор, подключенный к этому каналу, разряжен. В противном случае включается индикатор HL1 “Нет зарядо” (аккумулятор заряжен).
Импульсы с удвоенный частотой сети ( ~100 Гц) поступают с выхода выпрямителя VD1,VD2 через формитрователь R14, C1, VT1. R1 на счетный вход DD1, с выходов которого тактовая последовательность производит переключение каналов с частотой Fт = 6 (Гц). При таком выборе тактовой частоты переключение каждого канала происходит с частотой 1,5 Гц.
При этом мигание индикаторов зарядки 1HL1…4HL1, при линейном их расположении и отсутствии подключенных аккумуляторов, напоминает всем известную елочную гирлянду. Конденсатор С1 необходим для предотвращения сбоев счетчика из-за помех по сети 220 В.
Светодиод HL5 зеленого цвета является индикатором включения устройства в сеть и совместно с резисторами R7, R9, R10 образует источник образцового напряжения ( ИОН ). Напряжение на инвертирующем входе 2 компаратора DA1 устанавливается с помощью резистора R9 равным пороговому напряжению заряженного аккумулятора, т.е. 1,43…1,50 В.
Источник питания выполнен на трансформаторе мощностью 3 Вт с действующим значением напряжения вторичноц обмотки под нагрузкой 5 В.
Наладка. После включения питания должны засветиться зеленый светодиод HL5 и замигать красные (1HL1…4HL1). Поочередно закорачивая контакты для подключения аккумуляторов в каком либо канале, проверьте погасание соответствующих индикаторов. После этого подключите к любому из каналов заряженный аккумулятор и подстроечным резистором R9 насторойте компаратор DA1 на Uобр = 1,43 В - “поймайте” момент загорания индикатора состояния канала. Последнюю операцию сожно заменить установкой указанного напряжения на выводе 2 микросхемы DA1.
Если используемый трансформатор обладает достаточным запасом мощности, можно увеличить зарядный ток или число каналов. Для увеличения зарядного тока достаточно заменить зарядные ключи 1VT1…4VT1 на составные транзисторы (например КТ973), стабилитрон VD3 -–на КС139 (или КС147) и изменить сопротивление и мощность токозадающих ресторов 1R1…4R1. Число каналов можно увеличить до 8 применив 8-канальный мультиплексор К561КП2 и соответственно изменив схему.
Радиолюбитель № 3,1998 г.(с сокращениями)
Материал предоставил: Дмитрий (gamper@maxnet.ru)