Датчик влажности, света и уровня воды на таймере КР1006ВИ1.

Для сигнализации о нарушении какого-либо параметра на производстве и в быту применяют электромагнитные реле, соединенные с электронными схемами. Контакты электромагнитных реле работают более долговечно, если питание обмотки производится в "триггерном" режиме - резкая подача и резкое снятие напряжения, при этом количество включений желательно уменьшить и совсем нежелателен "дребезг" - импульсное питание обмотки реле. Таймер на микросхеме КР1006ВИ1 хорошо подходит для подобных целей по следующим причинам:

Таким образом, два пороговых устройства, триггер и два мощных выхода при небольших размерах корпуса позволяют собрать неплохие устройства, но мы остановимся на релейном устройстве - преобразователе слабого и медленно меняющегося сигнала в резко изменяющиеся два состояния для управлением выходным реле.

На рис.1 изображена схема сигнализатора влажности. Схема подходит для контроля момента осаждения капелек влаги на датчик-гигристор R'. Простейший датчик можно изготовить из фольгированного стеклотекстолита, вырезав "зигзагом" две дорожки. Лучшие результаты будут, если покрыть эти дорожки серебром или применить фторопластовую пластину и прижатые к ней нержавеющие электроды. Чтобы лучше "поймать" повышение влажности воздуха, можно поместить электроды датчика в мешочек с хлоридом кальция (или хотя бы с поваренной солью). Помещать датчик следует в более прохладном месте. Резистором R1 устанавливаем порог срабатывания схемы (притягивание якоря реле). Выключение схемы (отпускание реле) происходит при большем сопротивлении датчика, поэтому срабатывания реле не будут слишком частыми.

Резистор R2 ограничивает предел регулировки R1 до "нуля", R3 ограничивает ток на входе схемы от датчика при монтаже, аварийных ситуациях. Конденсатор С1 (с хорошей изоляцией!) сглаживает входной сигнал, а также наводки от сети. Стабилитрон VD1 желательно всегда применять в схемах с таймером КР1006ВИ1 - это позволит безопасно монтировать и налаживать устройство: стабилитрон ограничивает напряжение на входах таймера от + напряжения стабилизации до - 0,6 В. Стабилитрон выдерживает ток до 30 мА, а входной резистор имеет сопротивление 50 кОм. Вывод: входное напряжение до 1500 В не принесет вреда таймеру (а входной резистор выйдет из строя). Конденсатор С2 сглаживает потенциал вывода 5 микросхемы, который "задействован" в схемах сравнения компараторов, поэтому применение его обязательно. Диод VD2, включенный "обратно" питанию, убирает выбросы тока в момент выключения обмотки реле. Питание схемы должно быть стабилизированным (микросхема может нормально работать в интервале 5-16В питания [З].

Фотореле (рис.2) содержит входной каскад на полевом транзисторе с изолированным затвором. Это повышает входное сопротивление до миллиардов ом и позволяет включать на вход схемы не только полупроводниковые фоторезисторы, но и вакуумные фотоэлементы, стабильность параметров которых при изменении температуры выше, чем у полупроводниковых. Разумеется, снизив сопротивление резистора R1 даже до 10 кОм, можно настроить вход схемы на сопротивление фотодатчико в момент срабатывания выходного реле. Схема с повторителем напряжения на полевом транзисторе позволяет регулировкой сопротивления резистора R6 "сближать" края интервала включения (выключения) реле.

Если в схеме (рис.1) момент срабатывания реле удовлетворяет пользователя, а выключение (возврат) требует большого изменения входного потенциала, то в схеме (рис.2) увеличением сопротивления резистора R6 можно как угодно сужать "дифференциал" между включением и выключением. Возможность такой регулировки позволяет превратить сигнализатор нарушения параметра в регулятор, поддерживающий параметр в некотором интервале вблизи нормы.

Для контроля или регулирования температуры необходимо включить на вход схемы рис.2 датчик температуры - терморезистор, диод или транзистор (рис.3). Полупроводник при повышении температуры уменьшает сопротивление. Если нагрев на 10°С диода приводит примерно к двукратному уменьшению сопротивления, то нагрев транзистора - к четырехкратному. Сильнее "чувствует" температуру германиевый полупроводник, зато кремниевый может работать при более высоких температурах (до 150°С). Транзисторы лучше устанавливать такие, в которых корпус соединен с коллектором, а на эмиттер подавать плюс питания, тогда не будет проблем с изоляцией точки "вход" от корпуса схемы.

Для повышения быстродействия схемы к корпусу транзистора можно припаять радиатор из луженой жести. Если пайку проводить мощным паяльником и быстро охладить транзистор воздухом, даже германиевые приборы не будут повреждены. Таким датчиком температуры 9-я экспедиция Винницкой обл. измеряла температуру воздуха при наблюдениях затмения Солнца в 1981 г. в Новосибирской обл. [I].

Замечание. Выводы транзисторов в металлических корпусах изолируют стеклянными изоляторами. Проверить, не будет ли вызывать срабатывания схемы освещение выводов солнечными лучами, при необходимости - обернуть их черной ниткой и замазать клеем. Если сопротивление датчика температуры не очень высокое, полевой транзистор можно заменить биполярным с большим коэффициентом усиления, например, КТ3442Б, это уменьшит трудности монтажа. При подключении контактов выходного реле в схемах (рис.1 и 2) следует учитывать, что реле замыкается при увеличении влажности, температуры, освещенности и размыкается при их снижении. Таким образом, если схема рис.2 управляет схемой автомата пожаротушения, следует задействовать замыкающие контакты реле. Если же схема управляет электролампой-подогревателем в сушильном шкафу, необходимо использовать размыкающий контакт реле

Наличие двух компараторов в составе микросхемы таймера позволяет выполнить но нем простую схему управления насосом водоснабжения (рис.4). Схема предназначена для откачивания воды из емкости (схема наполнения емкости использует в выходном реле размыкающий контакт). При замачивании водой электрода нижнего уровня Э1 на входе схемы действует напряжение примерно равное половине напряжения питания (такое напряжение не может переключать выход микросхемы), вследствие одинаковых сопротивлений резисторов R1 и R2. В за висимости от температуры воды, материала электрода возникающая ЭДС может немного исказить это напряжение, тогда придется изменить номинал резистора R2.

При дальнейшем повышении уровня воды и замачивании электрода Э2 на входе схемы напряжение снижается ниже, чем третья часть питающего напряжения. Это вызывает переключение схемы и срабатывание выходного реле! Уровень воды убывает, но до тех пор пока Э1 находится в воде, состояние схемы не изменяется. Потеря контакта Э1 с водой приводит к повышению напряжения на входе схемы выше 2/3 питающего напряжения, в результате чего переключается внутренний триггер микросхемы и реле обесточивается. Для настройки схемы существенно следующее обстоятельство: настраивать необходимо при самой низкой температуре воды и самой низкой концентрации проводящих примесей. Емкость конденсатора С1 выбрана сравнительно большой, чтобы сетевая наводка на провод, идущий ко входу схемы, была подавлена. Этот конденсатор лучше устанавливать неэлектролитический. Резистор R2, соединяющий выводы электродов между собой, следует установить на плате из стеклотекстолита, которая закреплена на один из электродов (на клемму электрода). Гибкий вывод изолированным проводником подводится ко второму электроду. Необходимо обеспечить защиту резистора от влаги и механических воздействий. В отличие от большинства схем сигнализаторов уровня воды данная схема не только позволяет экономить одну жилу кабеля, что упрощает наладку и монтаж, но и подавлять наводки переменного напряжения на входе схемы, в том числе и импульсные помехи (которые сейчас на действующих установках с промышленными сигнализаторами уровня часто создают проблемы). Увеличением номиналов R3 и С1 можно даже "задержать" время срабатывания реле на несколько минут, тогда любые импульсные наводки не смогут вызвать ложного срабатывания схемы. Кроме того, микросхема имеет еще одну входную клемму (вывод 4),замыкание которой "сбрасывает" в 0 выход таймера независимо от потенциалов но входе (выводы 2 и 6). Обычно этот вывод 4 подсоединяют к питающему напряжению, чтобы вход не влиял на роботу схемы.

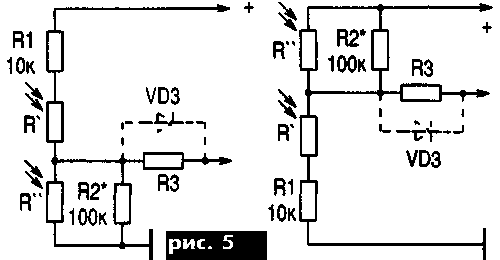
Еще одно интересное применение может получить релейное устройство, если вход его оборудовать двойным (дифференциальным) датчиком освещенности или температуры. В этом случае выходное реле срабатывает при переходе границы свет/тень через двойной датчик. Для устранения ложных срабатываний, а также для защиты от большой засветки двух датчиков необходимо установить два резистора R1 - для ограничения тока "своего" фотодатчико и R2 -для добавки "начального" тока в плечо "своего" фотодатчика. Такая схема в случае засветки двух датчиков ярким светом дает на вход релейной схемы потенциал, близкий к предельным значениям R2 и R". Такой же потенциал подается на релейную схему в затемненном состоянии двух датчиков, когда высокое сопротивление фоторезисторов и их неравные "тепловые" токи могли бы привести к неопределенному сигналу на входе схемы. И только в случае не слишком большой засветки фотодатчиков, при условии большей освещенности R', релейное устройство переключается в необходимое состояние (смотря, кокой вариант входа на рис.5 нас устраивает). Такое необычное соединение датчиков позволяет легко выполнить мишень фототира. В центральной зоне - один фоторезистор, о вокруг него четыре, соединенные в параллель, только "попадание" света в центральную зону вызовет срабатывание выходного реле! Если резистор R3 зашунтировать кремниевым диодом, то в зависимости от его полярности, схема будет быстрее переходить в одно состояние и медленнее в другое. Подбором R3 и С1 можно задержать срабатывание реле от короткой вспышки света на некоторое время. Не составит труда изготовить будильник для рыболова, срабатывающий от света Луны. Для этого необходимо защитный тубус фотодатчиков навести на место, в котором появится Луна в определенное время ночи, так чтобы один датчике был освещен раньше, а другой позже. Если ночь будет безлунной или облачной, "будильник" не сработает!

Датчиками освещенности и температуры могут быть приборы с различным сопротивлением - диапазон перестройки схем огромный. В случае дифференциального датчика желательно применение фото- или термоприборов из одной коробки, т. е. приборы, изготовленные и хранимые одинаково. Упомянутые несколько приложений не охватывают весь спектр применения донных релейных схем. В самом деле, изменив постоянную времени входной цепочки и установив на выходе вместо электромагнитного реле высокочастотный транзистор, можно заставить схему работать на частотах до мегагерца (зависит от входного датчика). Значит, можно выполнить устройство дистанционного управления телевизором с большого расстояния, с применением дифференциального фотодатчика - и "засекреченное" управлением. Подобным образом можно инфракрасным импульсным "ключом" открывать дверь объекта, направляя сфокусированный луч в определенную точку - это повышает степень защиты объекта. При хорошей разметке дороги дифференциальный датчик с осветителем мог бы "следить" за полосой разметки и дать водителю звуковой сигнал в момент ослепления от встречного автомобиля, чтобы водитель смог пару секунд "не слететь" с дороги, а продолжить дальше движение. Но это требует дублирования датчиков и применения другой схемы [2]. Схема с дифференциальным фотодатчиком и правильно подобранной постоянной времени входной цепи может с помощью электромотора поворачивать солнечный свето- или теплоприемник вслед за движением светила.

Литература:
1. Горейко М. Фотометр, Знание и работа 1982
2. Горейко Н., Фоноскоп - говорящая видеокамера, Техника молодежи-1983 -№ 2
3. Горейко Н. Несжигаемый блок питания, Радиоаматор 1997, № 7

Н.П.Горейко
Украина, г.Лещыжин
РАДИОАМАТОР № 3, 2001

Назад