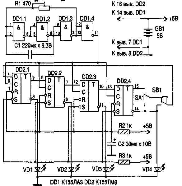
Автомат световых эффектов можно сделать на количество огней, кратных 4, изменяя количество микросхем К155ТМ8. Также можно вместо светодиодов подключить тиристорные ключи и к ним подключить лампы накаливания и тогда устройство можно использовать для украшения елки и др.
Устройство собрано на двух микросхемах серии К155, но можно использовать также аналоги других серий. На микросхеме К155ЛАЗ собран мультивибратор с времязадающими элементами R1,C1. Частоту переключения можно изменять резистором R1. На микросхеме К155ТМ8 собран четырехразрядный триггер сдвига. Конденсатор С2 и резистор R2 служат для начального сброса триггера. Резистор R3 и связанные с ним цепи предназначены для установки триггеров сдвига, собранных на микросхемах отличных от микросхем К155ТМ8, в лог. "1". Переключатель SA1 и кнопка SB1 служат для установки световых эффектов.

Переключатель SA1 предназначен для переключения режимов "бегущий огонь" и "бегущая тень". Изменяя положение переключателя SA1 и время нажатия кнопки SB1, можно получать самые разнообразные световые эффекты.
В.Н.Шадько, г.Токмак
РАДИОАМАТОР № 12, 2001г.