Автоматический выключатель освещения.

Мною было опробовано много схем устройств автоматического выключения освещения в подсобных помещениях (кладовая, ванная, туалет и т.д.), но ни одна из них не работала устойчиво при изменении температуры в различные сезоны года. Из-за большого количества электронных компонентов. эти схемы приходилось часто ремонтировать. Со временем пришлось разработать свою схему с минимальным количеством радиодеталей. Было изготовлено три устройства, которые установлены во всех подсобных помещениях квартиры. И за время эксплуатации (более девяти лет) ни разу не производился ремонт этих устройств и не было сбоев в работе.


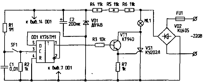
Работает предлагаемое устройство следующим образом. На двери помещения устанавливается магнит, а к дверной коробке крепится герконовый контакт. Удобно использовать комплект геркон-магнит от охранной сигнализации. Магнит, при закрывающейся двери, воздействует на геркон SF1. При этом контакты геркона замыкаются, и на выходе триггера DD1 появляется уровень логической "1", открывающий транзистор VT1, который в свою очередь открывает тиристор VS1. В помещении включается освещение.

Электрическая лампочка HL1 горит до тех пор, пока дверь не будет закрыта второй раз. Тогда воздействие магнита на геркон переводит триггер во второе устойчивое состояние. На выходе DD1 появляется логический "0", транзистор VT1 закрывается, выключает тиристор VS1, и свет гаснет.

В.ЛАЗОВИК, Украина, г.Макеевка., Радиолюбитель № 6,99

Назад