Эксперименты с лечением магнитным полем в настоящее время становятся актуальными. Ранее для этой цели рекомендовалось ношение магнитных браслетов. Хотя эффект от их применения до сих пор вызывает споры, многие постоянно ими пользуются. В последнее время начали разрабатываться малогабаритные электронные устройства, которые можно носить так же, как и магнитные браслеты, но воздействующие на организм переменным полем определенных частот.
Эти простые в эксплуатации устройства используются как обезболивающее при головных болях и мигренях, как стимулирующее средство при неврозах и переутомлении, а также для снятия ревматических болей и т.д.
Частота магнитного поля подбирается индивидуально с помощью соответствующих переключателей. Обычно более низкие частоты используют при снятии ревматических болей, а более высокие - головных. Минимальное время ежедневного сеанса - 15 минут. Миниатюрная конструкция устройства дает возможность прикреплять его пояском к руке, ноге или к другим частям тела.
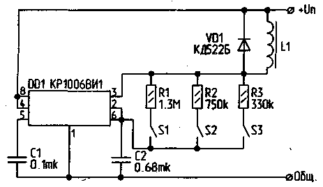
Предлагаемый вариант устройства для лечения магнитным полем (рис.1) содержит одну микросхему - таймер КР1006ВИ1. Таймер использован для генерирования импульсных сигналов необходимых частот. Напряжение питания Uп=5...16 В, нестабильность периода следования генерируемых импульсных сигналов от напряжения питания - 0,01% [I]. Таймер выполнен по биполярной технологии, а его мощный выходной каскад обеспечивает ток Iвых=200 мА.

рис.1
Работа схемы (рис. 1) может быть пояснена следующим. В исходном состоянии конденсатор С2 разряжен. Заряжается он через резисторы R1, R2, R3. Напряжение на конденсаторе экспоненциально увеличивается, приближаясь к Uп. Когда напряжение достигает значения 0,7Uп, внутренний транзистор микросхемы срабатывает и переключает триггер, из-за чего на выводе 3 возникает напряжение низкого уровня. Теперь конденсатор разряжается через резисторы R1, R2, R3 и напряжение уменьшается до значения 0,3 Uп. В этот момент триггер возвращается в исходное состояние, и на выводе 3 устанавливается высокий уровень. Длительности импульса tи и паузы tп на выходе составляют tи=tп= 0,69 R...C2, где R - суммарная величина включенных резисторов.
| NN п/п |
Замкнутый переключатель | Частота импульсов, Гц |
| 1 | S1 | 0,74 |
| 2 | S2 | 1,2 |
| 3 | S3 | 3 |
| 4 | S1+S2 | 2 |
| 5 | S1+S3 | 4 |
| 6 | S2+S3 | 4,5 |
| 7 | S1+S2+S3 | 5,2 |
Путем коммутации переключателей S1, S2 и S3 возможно получение семи значений номиналов частот импульсных сигналов, указанных в таблице. При необходимости точной установки частот величины резисторов R1, R2, R3 подбирают, выполняя их из двух последовательно включенных резисторов. На рис.2 приведена печатная плата устройства размером 20х50 мм. Электромагнит L1 имеет размер 12,5х22 мм и содержит 4300 витков провода ПЭЛ 0,09, Сердечник электромагнита - магнитомягкая сталь (рис.3).

рис.2

рис.3
Индуктивность собранного электромагнита - 270 мГн, сопротивление постоянному току - 300 Ом. В качестве электромагнита можно использовать электромагниты от низко-омных малогабаритных реле, например РЭС-6, паспорт РФ 0.452.104. Устройство питается напряжением 5В, 9В или 15В - в зависимости от рекомендуемой дозы, и потребляет ток соответственно 15, 30 или 50 мА.
Литература:
1. Пухальский Г.И., Новосельцева Т.Я. Проектирование дискретных устройств на интегральных микросхемах: Справочник. - М.: Радио и связь, 1990. - 303 с.
Е.СТАХОВ, 230023, г.Гродно, ул.Ленина, 8 - 13, тел.47-01-66.
Радиолюбитель № 7, 96