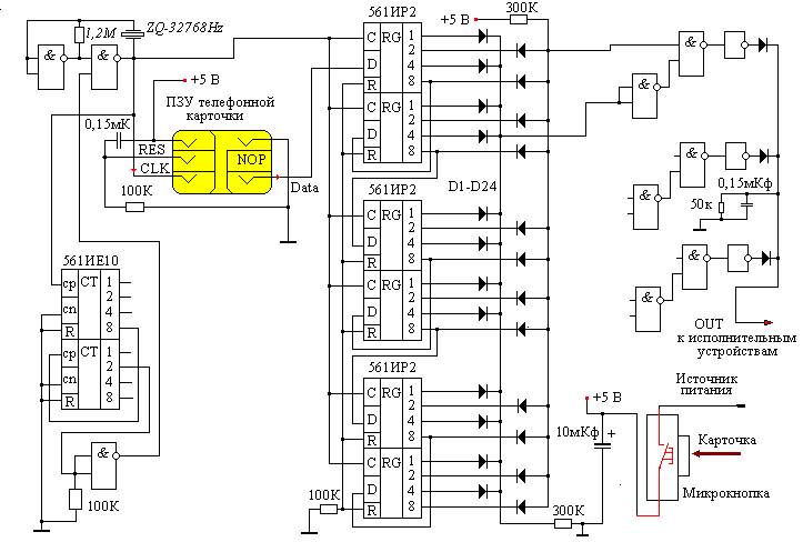
Устройство считывания состоит из:
Устройство можно применить в том случае, когда требуется ограничить доступ нежелательным лицам, например:
Преимущество перед классическими кодовыми устройствами: отсуствие клавиатуры,очень быстрый ввод кода и очень большая секретность, определяемая 32-битным кодом карточки. При проектировании использовалась телефонная карточка "Электросвязь"
Принцип работы устройства
следующий.
Вставляем карточку в картоприемник, которая
включает микрокнопку, подается питание на
основную плату. Запускается генератор тактовых
импульсов с коэффициентом счета 32. Тактовые
импульсы одновременно поступают на вход -СР
К561ИЕ10, на CLOK телефонной карточки, на -С К561ИР2. При
поступлении 32-ого импульса генератор прекращает
работу.
Генератор совмещен со счетчиком К561ИЕ10, при поступлении 32 импульса на выходе с весовым коэффициентом 32 формируется логическая единица, которая через инвертор запрещает работу тактового генератора. С выхода карточки DATA код последовательного типа поступает на вход-D К561ИР2, который далее преобразуется в параллельный 24-битный код. Из первоисточника следует: Первый прочитанный байт должен быть равен 7Вh, или он одинаков для всех тел. карточек поэтому этот байт нас неинтересует и 8 старших бит сдвигающим регистром переноситься в незначащий старший разряд, дешифрируем только младшие 24-бита данных(3 байта). Дешифратор преставляет собой комбинацию соедененных между собой диодов D1-D24, и 3-х логических элементов DD2.1, DD2.2(К561ЛА7) и DD3.1(К561ЛН2). Принцип работы этого дешифратора подробно описан в "РАДИО"-№6/2002 в статье "Радиоэлектронная охрана поселка". Для расширения вводимых данных дополнительно вводим ещё 2, идентичных 1-му, дешифратора (для использования ещё 2-х карт). В общем виде 3 параллельно соеденённых дешифратора представляют собой банк данных, который при желании можно увеличить, или изменить.

В устройстве применены микросхемы КМОП; К561ИЕ10 - 1шт, К561ИР2 -3 шт, К561ЛА7 - 3шт, К561ЛН2 - 1шт. Кварц - часовой на 32768 Гц, от настольных кварцевых часов. Все диоды КД521, или аналогичные. Резисторы МЛТ-0,125. Конденсаторы любые, малогабаритные. Следует заметить, что задающий генератор не обязательно выполнять с кварцевой стабилизацией, можно выполнить и с помощью RC-цепи, заменив ею кварцевый резонатор. При этом следует экспериментально подобрать частоту генерации.

Подобная схема устройства практически не потребляет тока в дежурном режиме, и может быть запитана от 3-х (3х1,5в) элементов питания с малым током саморазряда. Устройство вместе с сетевым источником питания практически становится энергонезависимым. Напряжение +5в подается на ножки 14 микросхем К561ЛА7, на ножки 16 микросхем К561ИР2 и К561ИЕ10, ножки 7 и 8 этих же микросхем соеденяем с общим проводом.

Логический пробник построен на 2-х элементах И-НЕ, микросхеме 561ЛА7. Используем для определения логических уровней на выводах 561ИР2. При свечение зеленого светодиода на входе низкий логический уровень, при свечение красного светодиода на входе высокий логический уровень(логическая единица). Пробник также используется для тестирования основной схемы. Настройка дешифратора заключается в предварительном считывании Т.К. и последующем анализе логических уровней логическим пробником, и с записью результата на бумагу в виде:

и так далее..
После считывания выключаем питание, и припаиваем диоды в соответсвии с составленной таблицей, катодом к соответсвующему выходу если нулевое состояние, или анодом к соответствующему выходу если единичное состояние.

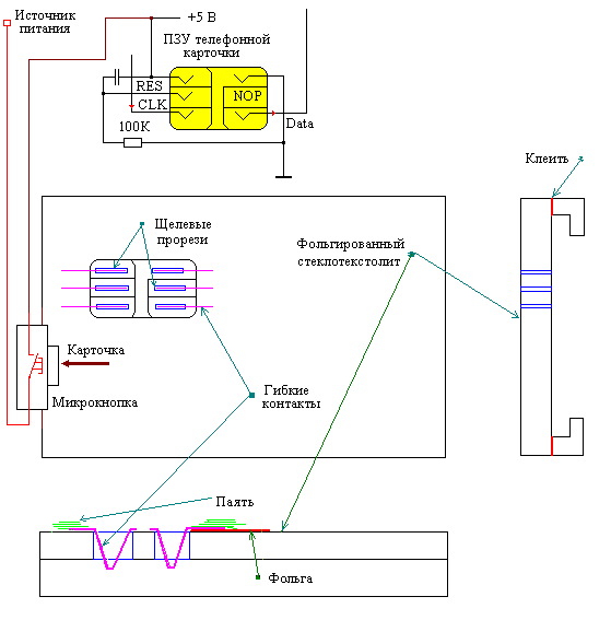
Устройство картоприемника.
Корпус вырезается из фольгированного стеклотекстолита, или выгибается из тонкого металла вместе с крепежными элементами с учетом изоляции контактов . Контакты изготовляются из тонкого, желательно посеребренного стального проводника. Например стальная жилка от телефонного полевого двупроводного кабеля, которым обычно протягивают воздушные линии.
Мартемьянов Эдуард.
г.Усть-Илимск. e-mail ..