В последнее время многие радиолюбители собирают усилители мощности на интегральных микросхемах (ИМС), таких, как TDA7294, STK4231 и подобных с выходной мощностью более 100 Вт. В большинстве случаев применение этих ИМС требует принудительного охлаждения радиаторов, на которых они закреплены, особенно при малых габаритах самих радиаторов и усилителей в целом. Для принудительного охлаждения используют вентиляторы, подобные применяемым в компьютерных блоках питания.
Применение вентилятора для охлаждения усилителя мощности оказывается очень эффективным и позволяет построить мощный усилитель с малыми габаритами. Существует только один недостаток - шум самого вентилятора, особенно хорошо слышимый при малой громкости. Для эффективного охлаждения нужно подавать на вентилятор напряжение 12...14 В. Понижение напряжения питания вентилятора, с одной стороны, снижает шум вентилятора, а с другой, уменьшает силу воздушного потока, в результате чего вентилятор не в состоянии охладить ИМС мощного усилителя.
Предлагаю использовать вентилятор совместно с регулятором напряжения, датчиком которого является терморезистор, установленный на радиаторе. При малой мощности ycилителя радиатор чуть теплый, и вентилятор вращается с минимальными оборотами Шум при столь малой скорости вращения практически не
слышен даже при отсутствии звука в колонках. При возрастании выходной мощности усилителя нагрев радиатора увеличивается, увеличиваются также напряжение питания вентилятора и скорость воздушного потока: устанавливается оптимальный режим охлаждения. В большинстве усилителей шина питания +15 В загружена сильнее, чем шина -15В. Поэтому целесообразно вентилятор подключать к отрицательной шине питания.

Принципиальная схема устройства показана на рис.1. Терморезистор RT1, закрепленный на радиаторе усилителя мощности, включен в цепь делителя напряжения, потенциал с которого поступает на неинвертирующий вход операционного усилителя (ОУ). На выходе ОУ устанавливается напряжение, задаваемое подстро-ечным резистором R2 и терморезиаором. Это напряжение поступает на базу транзистора VT1, к эмиттеру которого подключен двигатель вентилятора. Нагрев терморезистора приводит к уменьшению его сопротивления, на выходе ОУ увеличивается отрицательное напряжение, тем самым увеличивая напряжение на вентиляторе. При нагреве терморезистора свыше 60...70°С на выходе ОУ максимальное напряжение, транзистор полностью открыт и на вентилятор подается около 14В (напряжение питания минус падение в цепи коллектор-эмиттер), при этом воздушный поток максимален.
При охлаждении терморезистора (например, при использовании усилителя в холодное время года в неотапливаемом помещении), отрицательное напряжение на выходе ОУ уменьшается и даже может стать положительным. От положительного напряжения база транзистора VT1 защищена диодом VD1. При напряжении питания около -3...-4 В вентилятор может остановиться, а его'лопасти заклинить. Если для охлаждения используется такой же вентилятор, как в блоке питания компьютера, то он допускает заклинивание при поступающем на него низком напряжении без повреждения. При последующем повышении напряжения он опять начнет вращаться.

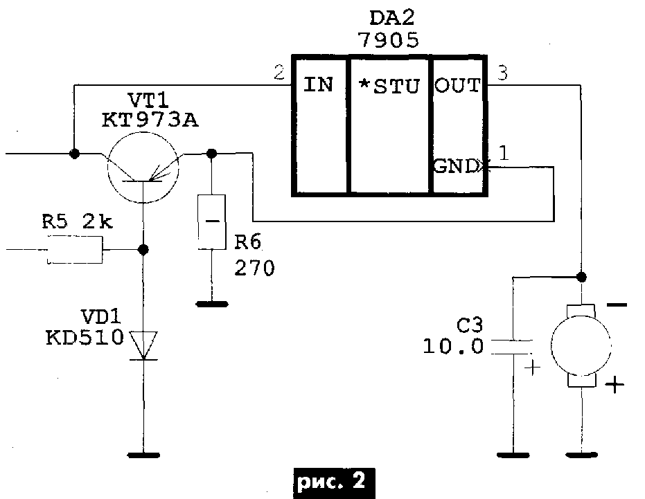
Если же используется вентилятор на основе двигателя с обмотками на роторе, то остановка ротора при подаче на него напряжения может привести к перегоранию обмотки. В этом случае необходимо предотвратить подачу на двигатель слишком низкого напряжения, при котором ротор может заклинить, собрав выходной узел регулятора по схеме рис.2. В этой схеме напряжение на вентиляторе не уменьшается менее 6 В даже при охлаждении терморезистора до отрицательной температуры. Подбором резистора R6 можно задавать минимальное напряжение на выходе стабилизатора DA2, однако его сопротивление не должно быть меньше 200 Ом, так как это может привести к недопустимо большому нагреванию резистора при открывании транзистора VT1. При указанном на схеме рис.2 сопротивлении резистора R6 и закрытом транзисторе VT1 напряжение на выходе стабилизатора около 6,3 В.
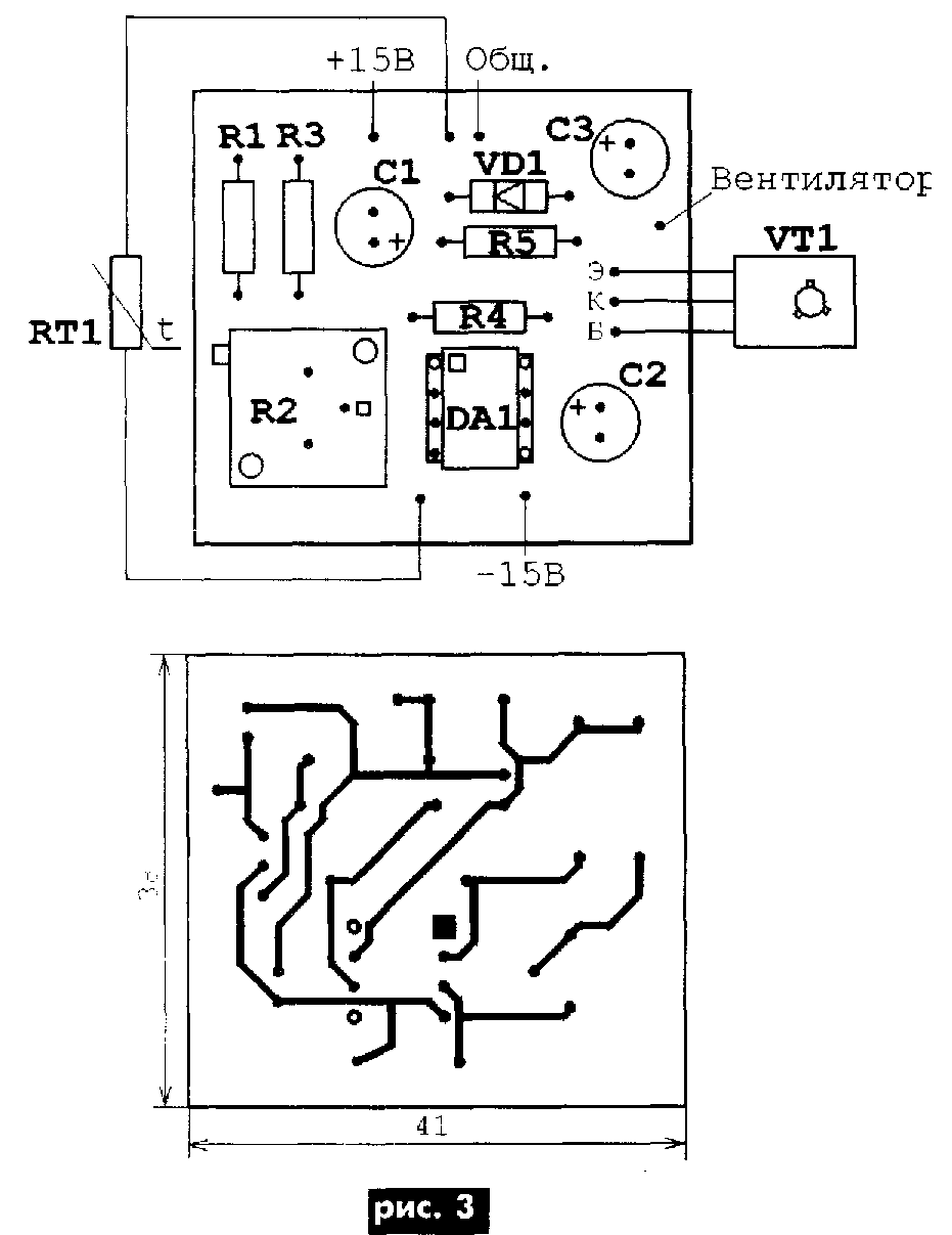
Вид печатной платы устройства размерами 41x38 мм показан на рис.3. На плате располагаются все элементы, кроме терморезистора RT1 и вентилятора. В схемах рис.1 и рис.2 можно использовать резисторы любого типа мощностью 0,125 Вт, кроме резистора R6 (1 Вт). Подстро-ечный резистор типа СП5-2 или другой, подходящий по размеру. Терморезистор можно использовать типа КМТ-17в или ММТ-4. Конденсаторы К50-35 или другие малогабаритные с напряжением не менее 16 В. ОУ КР140УД6 можно заменить КР140УД7, КР140УД23 или другим подобным. В качестве транзистора VT1 допустимо применение КТ814, КТ816 с любым буквенным индексом. Корпус транзистора (в схеме рис.1) нужно через изолирующую прокладку закрепить на металлическом шасси усилителя мощности или расположить его на алюминиевой пластинке размерами не менее 20x40 мм. В схеме рис.2 на радиаторе должен располагаться стабилизатор DA2. Транзистор VT1 в этом случае радиатора не требует.

Настройка схем очень проста и заключается в установке подстроечным резистором R2 напряжения на выходе ОУ (вывод 6). Для схемы на рис.1 нужно при комнатной температуре выставить .напряжение около -6 В. Для схемы на рис.2 (также при комнатной температуре) выставляют напряжение -0,2...-0,5 В. На этом настройка закончена. Проверить работу устройства можно, поднеся к терморезистору разогретый паяльник. При нагревании терморезистора скорость вращения вентилятора должна увеличиваться.
Данные регуляторы рассчитаны на применение вентиляторов с номинальным напряжением 12... 14 В. Схема, собранная по рис.2, позволяет при необходимости увеличить выходное напряжение. Для этого нужно стабилизатор DA2 запитать от отдельного источника отрицательного напряжения, большего (по абсолютной величине) -15 В, но не превышающего максимально допустимого входного напряжения используемого стабилизатора. Применяя различные стабилизаторы напряжения, можно получить на выходе регулятора сумму выходного напряжения стабилизатора и напряжения на транзисторе VT1. Если в качестве DA2 использовать ИМС типа 7915, то минимальное напряжение на выходе будет изменяться в пределах от -16 до -30 В при напряжении на входе 2 DA2 -32...-35 В.
И.А. Коротков, Киевская обл. РА 3, 2004 г.