Данное устройство может использоваться для самообороны и обеспечивает готовность к действию через 3 секунды после включения питания.
Технические данные:
Емкость накопительного конденсатора 100 мкФ (более чем достаточно)
Напряжение на накопительном конденсаторе - 350 В
Сохранение заряда на конденсаторе после выключения питания - не менее 30 минут.

Детали:
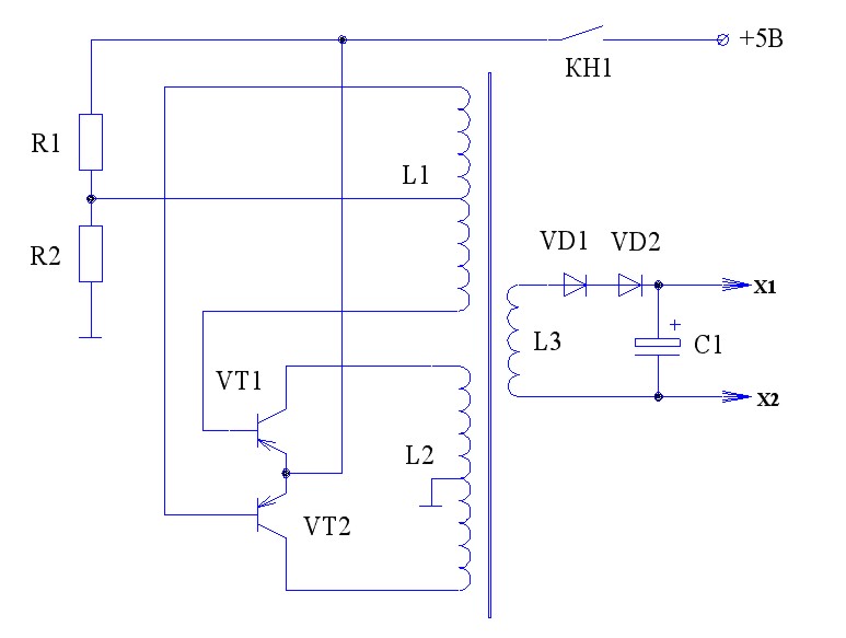
R1 - 330 Ом; R2 - 30 Ом; VD1,VD2 - КД105; VT1, VT2 - КТ816; C1 - 1000 мкФ х 400 В (подобрать с малой утечкой, например типа К50-73 или японского производства)
Катушки намотаны на ферритовом магнитопроводе сечением не менее 0,5 см и проницаемостью 2000, например на кольце или на броневом магнитопроводе. Катушка L3 имеет 600 витков провода ПЭЛШО или ПЭВ-2 диаметром 0,2 мм. Сверху катушки L3 прокладываеться 2 слоя изоляции, а затем наматываются катушки L1 и L2: L1 - 8 витков провода ПЭЛ диаметром 0,4 мм с отводом от середины; L2 - 12 витков провода ПЭЛ диаметром 0,8 мм.
Устройство монтируется в жестком футляре; расстояние между штырями Х1 и Х2 - 30-40 мм, их длина - 50 мм. Питание подаеться кнопкой КН1 кратковременно. Источник питания - 4 последовательно соединенных элемента Д-0,55.
Внимание !
Данное устройство не являеться детской игрушкой, так как вызывает временной паралич и, возможно остановку сердца !