Переключатель двух ёлочных гирлянд.

30-го декабря передо мной остро встала задача украсить новогоднюю елку. В моем распоряжении были две гирлянды. Я за пару дней собрал простенькое устройство для создания световых эффектов, и теперь предлагаю его вам. Оно работает с двумя гирляндами. Они переключаются по циклу, изображенному на рис 1.


Puc.1.

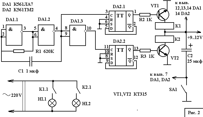
Принципиальная схема устройства изображена на рис 2. Гирлянды символически обозначены одной лампочкой. На элементах DA1.1 и DA1.2 собран мультивибратор. Частота определяется резистором R1 и конденсатором С1. Триггеры DA2.1 и DA2.2 работают в качестве делителей частоты. Но сигнал на их входы C поступает в противофазе, благодаря этому сигнал на выходе отличается на 90 градусов и получается такой красивый световой эффект.


Puc.2.

В моем исполнении схема была выполнена на двухстороннем фольгированом текстолите. Печатная плата приведена на рис 3. Она рассчитана на применение реле РЭС49.


Puc.3.

Микросхемы К561ЛА7 и К561ТМ2 заменимы на К176ЛА7 и К176ТМ2 соответственно. Чтобы обеспечить регулировку частоты переключения гирлянд, можно включить в качестве R1 реостат. Важно, чтобы С1 был неполярным. Конденсатор С2 используется против обратных связей и его емкость некритична. Транзисторы - КТ315 с любыми буквенными индексами. Реле - любое, работающее при напряжении питания схемы. Если оно не будет срабатывать от транзистора КТ315, используйте составной транзистор. В моем исполнении используются реле РЭС49.

Михаил Салин, E-mail: msalin@sandy.ru

Назад