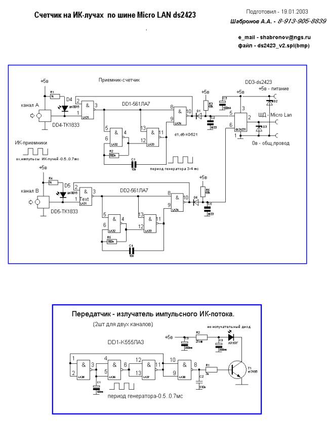
Использование современной элементной базы применяемой в дистанционных управлениях позволяет создать достаточно простой счетчик для подсчета, например на конвейере ящиков с продукцией. Приемники инфрокрасного излучения (ИК) в дистанционных управлениях (ДУ) от современных телевизоров и видеомагнитофонов выполняются в монолитных схемах и имеют чувствительность до 6...8 метров. Чувствительность достигается использованием импульсной передачи сигналов и цифровой фильтрацией низкочастотных помех. А стоимость их вполне доступна. Схемы приемника, передатчика и пояснения приведены ниже. Линия инфрокрасного барьера, которую пересекает продукция, выполнена в импульсном режиме. А подсчет проводиться путем интегрирования сигнала. Т.е импульсы идут - барьер есть, постоянный сигнал - барьер нарушен. Функцию интегрирования успешно выполняет диод и конденсатор. Но импульсный режим передачи создает специфическую помеху, при плавном пересечении инфрокрасного барьера, скважность импульсов увеличивается и постепенно выходной сигнал от приемника становиться постоянным уровнем. Для устранения краевой помехи, используется управляемый генератор на микросхеме К561ЛА7. Частота управляемого генератора значительно превосходит частоту, используемую в передачи по ИК каналу. Схема выполнена так, что генератор может выдавать только импульсы своей частоты, и без изменения скважности и таким образом краевая помеха не может пройти на диод и конденсатор интегрирующей цепи. Выбранные частоты управляемого генератора и передающего ИК генератора позволяют отсчитывать пересечение ИК барьера в 10..15 миллисекунд, что вполне достаточно для большинства применений. На рисунках представлены схемы генератора и приемника. На диаграммах приведены сигналы в основных точках. Передатчик выполнен на одной микросхеме К155ЛА3 и ключевом транзисторе, который управляет передающим ИК диодом. Частота импульсов определяется конденсатором в цепи обратной связи. Конденсатор на входе транзистора фильтрует высокочастотные импульсные помехи.


Приемник
ИК импульсов импортный типа ТК1833, GP107 или любой
другой аналогичный. Они все имеют три
вывода и заключены в металлический корпус. Общий вывод обычно самый
крайний к металлическому
корпусу. Вывод
питания и вывод данных может быть расположен по - разному. Воспользуйтесь
осцилографом. Подключите
к одному плюсовое напряжение, а к оставшемуся
вывод осцилографа. Направьте
любое ДУ и проконтролируйте
выходной сигнал. Если видны импульсы, вы
определились с цоколевкой. Если нет импульсов, то
Вы тоже определились с цоколевкой, но проверьте и
другой вариант.
10
REM язык программирования QBASIK
15
CLS : PRINT " Счетчик, выход - ESC "
20
a = &H379: REM адрес LPT-порта+1
25
m = &H40: REM маска для в10 разьема db25
30
n = 0: k1 = 0: REM счетчики продукции
35
x = INP(a): REM сосчитали значение порта
40
IF (x AND m) = 0 THEN k = 0 ELSE k = 1
45
IF (k = 0) THEN LOCATE 2, 1: PRINT " ........."
50
IF (k = 1) THEN LOCATE 2, 1: PRINT " #########"
55
IF (k = 0) AND (k1 = 1) THEN n = n + 1: k1 = k
60
IF (k = 1) AND (k1 = 0) THEN k1 = k
65
LOCATE 3, 1: PRINT "
Количество
= "; n
70
IF INKEY$ = CHR$(27) THEN END
75
GOTO 35
Другое
авторское программное обеспечение для данных счетчиков слишком велико.
Данный фото счетчик подключается к счетчику фирмы Dallas
Semiconductor - ds2423. А выход счетчика ds2423 подключается
к шине MicroLan, и вся собранная информация
передается по шине в ПЭВМ. Кроме того, по этой же
шине передается и информация о температуре,
информация на табло отображения и т.д. См сайт – www.irs.ru/~mikrolan
Примечание. Схема генератора, критична к типу микросхемы. В случае использовании других типов логики 1554 и зарубежных аналогов, желательно изменить способ генерации. Возможно, не будет генерации. Емкость зашунтирует возможность возбуждения. А, данный вариант выбран для минимизации количества элементов и работе при возможных импульсных помехах по шине питания.
Автор - Шабронов
Андрей Анатольевич тс.8-913-905-8839
e_mail - shabronov@ngs.ru , www.irs.ru/~shabr