Генератор пачек частот.

Генератор пачек частот (ГПЧ) позволяет оперативно и визуально настраивать каналы записи и воспроизведения магнитофонов (форма генерируемой пачки частот показана на рис.1, а), измерять динамические характеристики вводимых устройств систем динамического подмагни-чивания (СДП) — время отклика т (рис.1,б) тока подмагничивания на увеличение уровня высокочастотных составляющих в спектре записываемого сигнала, время возврата системы к исходному состоянию после уменьшения их уровня. С помощью обычного генератора звуковых частот определить динамические параметры СДП невозможно. Предлагаемую конструкцию ГПЧ можно использовать для оперативной сравнительной оценки магнитных лент, для выполнения контрольной записи на магнитной ленте, которую впоследствии применять как измерительную ленту при регулировке высоты установки и угла наклона зазора магнитных головок. ГПЧ вырабатывает на выходе две сетки частот (в зависимости от положения переключателя):

"ПЧ1" - 0.39, 1.55, 3.1, 6.2, 12.5 кГц.

"ПЧ2" - 0.5, 2.0 ,4.0 ,8.0 ,16.0 кГц.

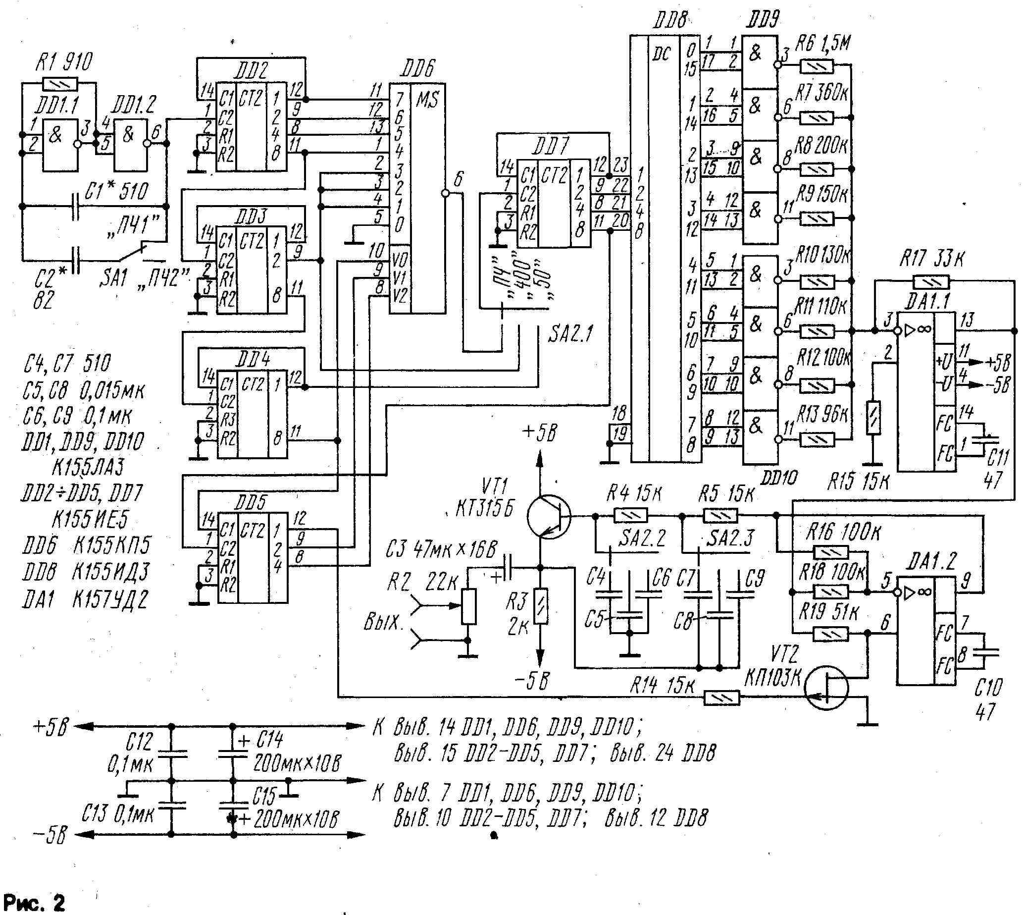
Кроме того, генератор может формировать непрерывные синусоидальные сигналы с частотами 50, 63, 390 и 500 Гц. Максимальное выходное напряжение генерируемых колебаний - 1 В. ГПЧ работает по принципу аппроксимации ступенчатого напряжения с синусоидальной огибающей с последующей его фильтрацией. Его принципиальная схема на рис.2.


На элементах DD1.1 и DD1.2 выполнен задающий генератор, вырабатывающий импульсную последовательность с частотой 800 кГц (переключатель SA1 в положении «ПЧ1»), которая делится последовательно соединенными счетчиками DD2 — DD5. Сигналы с выходов этих счетчиков поступают на входы коммутатора-мультиплексора DD6. На адресные входы коммутатора поступают сигналы со старших разрядов линейки счетчиков. Таким образом, на выходе DD6 формируется последовательность сигналов, по частоте кратная двум — 12,5, 50, 100, 200 и 400 кГц. Далее сигнал поступает на формирователь синусоидального ступенчатого напряжения, выполненного на элементах DD7 — DD10, DA1, VT2. В течение 16 периодов колебаний сигнала, поступающего на вход счетчика DD7, на выходе DA1.1 формируется положительная полуволна ступенчатой синусоиды. В течение следующих 16 периодов другая положительная полуволна инвертируется повторителем-инвертором на элементах DD1.2, VT2. Полевой транзистор VT2 работает в качестве электронного ключа, управляемого пятым разрядом счетчика DD7 через одиночный счетный триггер в составе счетчика DD5. Таким образом, в течение 32 тактов сигнала, поступающего на вход счетчика DD7, на выходе ОУ DA1.2 формируется один период синусоидального напряжения. Для улучшения формы выходных сигналов служит ФНЧ второго порядка на транзисторе VT1, частота среза которого изменяется в зависимости от рода работ и принимает значения 100,600 Гц и 20 кГц. Плавная регулировка выходного напряжения осуществляется переменным резистором R2. Частота выходного напряжения, снимаемого с движка резистора R2, в 32 раза ниже частоты сигнала, поступающего на вход счетчика DD7. В зависимости от положения переключателя SA2 сигнал на вход DD7 поступает либо с выхода мультиплексора DD6, либо с выходов линейки делителей частоты задающего генератора. Форма выходного сигнала зависит от номиналов весовых резисторов R6 - R13. При работе генератора в режиме «ПЧ» на сигнале опорной частоты пачки (наименьшая частота заполнения пачки) просматривается ступенчатая форма, что не является недостатком ГПЧ. Вид осциллограммы выходного сигнала ГПЧ в режиме генерации пачек (вариант «ПЧ1») представлен на рис.1. Для большей наглядности в начале каждого цикла введен один «пустой» такт. Формируется он подключением вывода 5 микросхемы DD6 к общей шине питания. Однако следует отметить, что из-за этого при переключсниях SA2 начальная фаза сигнала в пачке будет случайной. Особой роли это не играет, но при необходимости исключить такую ситуацию, можно заполнить этот такт любой из имеющихся на входе DD6 частот, для чего нужно отсоединить вывод 5 DD6 от общей шины питания и соединить его с соответствующим выводом микросхемы DD6, например с 4. В устройстве применены цифровые микросхемы наиболее широко распространенной и недорогой серии К155. Его можно собрать и на микросхемах других серий при сохранении функционального значения каждой конкретной микросхемы в указанных позициях. Операционные усилители тоже могут быть любыми, работающими при напряжении питания +5 и—5 В. Транзистор VT1 может быть с любым буквенным индексом, VT2 — с буквенными индексами К, Л, М. Все резисторы МЛТ-0,125, резистор R13 составлены из двух последовательно включенных резисторов стандартного ряда номиналов (91+4,7 кОм). Для удобства регулировки и остальные весовые резисторы (R6 — R12) целесообразно сделать составными. Оксидные конденсаторы — К50-16, остальные — типа KM. Конструкционно устройство собрано на универсальной плате для монтажа цифровых микросхем (имеются площадки для установки микросхем с разведенными дорожками питания). Все электрические соединения в соответствии с принципиальной схемой выполнены тонкими одножильными монтажными проводниками. Корпус генератора склеен из листового полистирола. Регулировка устройства сводится к подбору конденсаторов С1 и С2 таким образом, чтобы в положении «ПЧ1» переключателя SA1 частота задающего генератора равнялась 800 кГц, а в положении «ПЧ2» — 1024 кГц. При необходимости изменения сетки частот, вырабатываемых ГПЧ, это легко сделать изменением частоты задающего генератора. Линейность синусоидальной формы выходного напряжения устанавливается подбором весовых резисторов, а максимальное выходное напряжение можно изменять в небольших пределах изменением номиналарезистора R17. Питание ГПЧ осуществлено от источника двуполярного стабилизированного напряжения.

В.КАРЛИН г. Воронеж

РАДИО № 12, 1993 г.

Назад