Ультразвуковая стиральная машина.

Внедрение передовых энергосберегающих технологий выдвинуло на передовые рубежи прогресса новое устройство бытового назначения - ультразвуковое стирающее устройство. Стирка ультразвуком происходит за счет периодического формирования в объеме жидкости волн сжатия-разрежения, возникающих в практически несжимаемой среде - воде. Белье, помещенное в такую жидкость, подвергается интенсивному гидроакустическому воздействию. Гидроакустические волны инициируют появление микроскопических пузырьков газа, которые способствуют отделению микрочастиц грязи из объема стираемого белья. При образовании и последующем схлопывании (разрушении) пузырьков газа образуется озон, стерилизующий белье. В ряде случаев, при большой энергии ультразвуковых колебаний, может наблюдаться сонолюминесценция - свечение жидкости, особенно заметное в затемненном помещении.

Преимуществом стирки с использованием ультразвуковых колебаний является то, что белье не деформируется, не истирается и не рвется. Можно стирать даже шерстяные изделия и тонкое белье. Помимо стирки и дезинфекции белья, можно обрабатывать овощи и фрукты, предназначенные для консервации, обеззараживать воду.

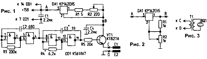
Появившиеся на рынке ультразвуковые стирающие устройства (УЗСУ) типа "Бионика" [1] представляют собой компактный электрический прибор массой 200 г. "Бионика" состоит из сетевого адаптера - источника питания и собственно УЗСУ. Само устройство в целях сохранения "ноу-хау" залито компаундом, и описание его принципиальной схемы и значимых для воспроизведения характеристик не приводится. Однако, имея полученные путем замеров и анализа режимов устройства вторичные характеристики, можно представить одну из возможных схем УЗСУ в следующем виде (рис.1).

УЗСУ состоит из источника питания (микросхема DA1), двух взаимосвязанных генераторов, работающих на частотах 10 кГц и 1 МГц (микросхема DD1), выходного каскада на транзисторе VT1 и активатора-излучателя, подключаемого к точкам С и D устройства. Источник питания в прототипе выполнен нерегулируемым, рассчитанным на максимальную мощность, потребляемую от сети - 3 Вт, что достаточно для стирки белья в объеме жидкости 10...25 литров. Более целесообразным представляется обеспечить УЗСУ плавной регулировкой выходной мощности. На рис.1 в разрыв между точками А и В включен регулируемый источник стабилизированного постоянного тока (25...1000 мА). На рис.2 показана схема регулируемого источника питания (5...13 В). Генератор пакетов импульсов выполнен по традиционной схеме на микросхеме DD1 и особенностей не имеет. Номиналы RC-элементов высокочастотной части генератора могут быть откорректированы при настройке частоты в резонанс с частотой ультразвукового излучателя-активатора. Микросхема DA1 и транзистор VT1 должны быть установлены на теплоотводящих пластинах.

Наиболее проблематичным в практической реализации УЗСУ является выбор ультразвукового излучателя-активатора и обеспечение его гидроизоляции при одновременном достижении максимальной отдачи энергии ультразвуковых колебаний в окружающую среду (жидкость). Обычно в качестве ультразвукового излучателя используют пьезокерамику - титанат бария, стронция, излучатели на ферритовых или пермаллоевых сердечниках, пьезокварцевые пластины (рис.3) [2-4], что открывает широкое поле для эксперимента. Одним из интересных вариантов получения ультразвуковых колебаний является просто пропускание импульсов электрического тока через воду с использованием системы близко расположенных электродов, подключенных к точкам А и В устройства. Периодическое прохождение импульсов тока между электродами вызовет акустическую электростимулированную модуляцию раствора. В качестве электродов можно рекомендовать алюминий или графит. При стирке должна быть обеспечена надежная развязка от питающей сети. Емкость для стирки (ведро, таз) должны быть удалены от заземленных предметов и установлены на сухом полу. Акустические колебания в стирающем растворе можно возбуждать и в диапазоне звуковых частот. Эксперименты показали, что стирка в таких условиях происходит с приемлемым по сравнению с прототипом результатом.

Особенности стирки с применением УЗСУ - в стирающий раствор засыпают столько же стирающего порошка, как и при ручной стирке, температура воды должна быть порядка 65°С. Белье должно свободно плавать в растворе, изредка его следует помешивать деревянным щипцами. Сильно загрязненные участки белья рекомендуется дополнительно намылить. Процесс стирки длится 30...40 минут или более (в зависимости от КПД ультразвукового активатора). Полоскать белье можно также с использованием УЗСУ. Следует отметить, что опыт оптимального использования УЗСУ появляется после нескольких стирок.

Литература:
1. Патент 2047676 С1 РФ. МКИ6 D06F 7/04. Устройство для стирки / А.Е.Потоцкий. - Открытия. Изобретения, 1995, №31.C.197
2. Алексеев Н.Г, Прохоров В.А., Чмутов К.В. Современные электронные приборы в физико-химическом исследовании, 1971
2. Майер В.В. Простые опыты с ультразвуком. - М.: Наука, 1978, 160 с.
4. Гершгал Д.А. Фридман В.М. Ультразвуковая технологическая аппаратура. - М.: Энергия, 1976.

М.ШУСТОВ
634024, г.Томск, ул.5-й Армии, 9 - 208
Радиолюбитель 1 (2001)

Назад