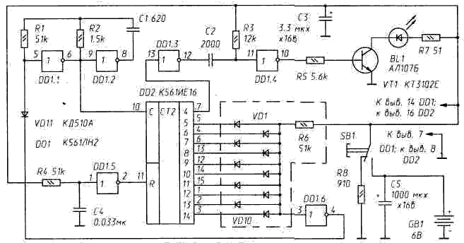
На рис. 1 приведена принципиальная схема ИК генератора, формирующего пакет, содержащий N импульсов, где NО{1,...,1023} - может быть любым в этих пределах*. Здесь DD1.1, DD1.2, R2, С1 - управляемый мультивибратор, частота возбуждения которого f=160 кГц (f=1/2 R2·C1); DD2 - 14-разрядный двоичный счетчик; R3C2 - дифференцирующая цепочка, формирующая из спада меандра ( 1 на выходе DD1.3) короткий - 5...10 мкс - импульс, открывающий нормально закрытый транзистор VT1; VD1-VD10, R6 - шифратор (диодно-резисторный «И»), числом и размещением диодов в котором задают N;SB1 - кнопка включения излучателя. При включении питания на входе R счетчика DD2 формируется импульс «единичной» амплитуды, устанавливающий его в исходное состояние (в этом состоянии на всех его выходах устанавливается напряжение низкого уровня), а мультивибратор, сделав семь холостых «оборотов», выходит на нормальный режим работы. Частота следования меандров на выходе 7 DD2 (четвертый разряд счетчика) F=f/2^4=10 кГц. С соответствующими интервалами - Тп=100 мкс- будут следовать друг за другом и 5...10-микросекундные ИК вспышки излучателя BL1.

Рис. 1. ИК генератор «визитной карточки»
Генерация ИК вспышек продолжится до тех пор, пока на выходе шифратора - входе элемента DD1.6 - не появится напряжение высокого уровня, и, соответственно, на его выходе - напряжение низкого уровня, закрывающего мультивибратор. Число импульсов в пакете зависит от числа и «веса» диодов в шифраторе:
N=VD1+2VD2+4VD3+8VD4+16VD5+32VD6+64VD7+128VD8+256VD9 +512VD10, где: VDi=l, если диод VDi установлен в шифратор, и VDi=0, если его нет. Так как N =1023 и Тп=10^4 с, то длительность пакета не превысит, очевидно, 0,11 с.
Амплитуда импульса тока в самом излучателе - в ИК диоде BL1 - зависит от напряжения питания генератора Uп и сопротивления резистора R7: Iи=(Uп-2,5)/R7 (Iи - в амперах, Uпит - в вольтах, R7 - в омах). Здесь, очевидно, Iи=0,07 А. Однако нет особой необходимости строго следовать указанным номиналам и типам элементов, составляющих генератор. В качестве VT1 может быть взят практически любой n-p-n транзистор с h21э>100 и Iк max>100 мА, а излучателем BL1 могут служить ИК диоды типа АЛ115А, АЛ118А, АЛ119Б, АЛ147А и др. (см. приложение 3). В качестве кнопки SB1 можно воспользоваться каким-либо микропереключателем из перечисленных в приложении 1.

Рис. 2. Печатная плата ИК генератора «визитной
карточки»
Особое внимание необходимо уделить постоянно подключенному к источнику питания конденсатору С5, поскольку при неудачном выборе он может оказаться здесь основным энергопотребителем. Если ИК генератор имеет небольшие размеры и питается, соответственно, от источника небольшой емкости, то ток утечки в конденсаторе С5 Ic5<1мкА. При небольших N конденсатор С5 может иметь меньшую емкость (и меньший, соответственно, Ic5). В первом приближении можно принять C5(мкФ)»N.
Печатную плату генератора изготавливают из двухстороннего фольгированного стеклотекстолита толщиной ~1,5 мм (рис. 2). Фольгу со стороны деталей используют лишь в качестве нулевого провода, для пропуска проводников она имеет выборки-кружки диаметром 1.5...2 мм (на рисунке не показаны). В качестве источника питания ИК генератора можно взять алкалиновую батарею типа 11А (Ж10,3х16 мм, Uп=6 В, Е=33 мА·ч). Заметим, что в подобного рода приборах не так-важна электрическая емкость источника питания, как его саморазряд, физическая сохранность. Лучшие из нынешних батарей - литиевые - сохраняют свою работоспособность до 10 лет.
*) Запись NО{A} означает, что элемент N принадлежит множеству {А}, т.е. может быть одним из перечисленных в нем элементов.
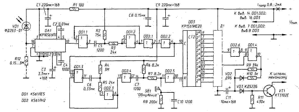
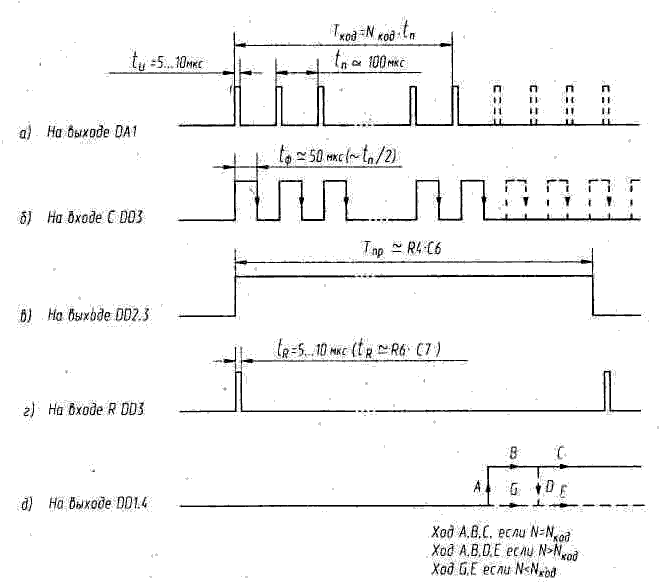
Принципиальная схема приемника «визитной карточки» приведена на рис. 1. Здесь DA1 - микросхема, преобразующая импульс тока, возникающий в фотодиоде VDI под воздействием ИК вспышки, в импульс напряжения, амплитуда которого достаточна для непосредственного управления КМОП-микросхемами (рис. 2, а). На элементах DD1.1 и DD1.2 собран одновибратор, преобразующий короткий импульс, соответствующий длительности ИК вспышки*, в импульс длительностью tф=50 мкс (tф@1/2 tп, где tп - период следования ИК вспышек в кодовой посылке (рис. 2, б)).

Рис. 1. ИК приемник «визитной карточки»

Рис. 2. Эпюры сигналов в ИК приемнике
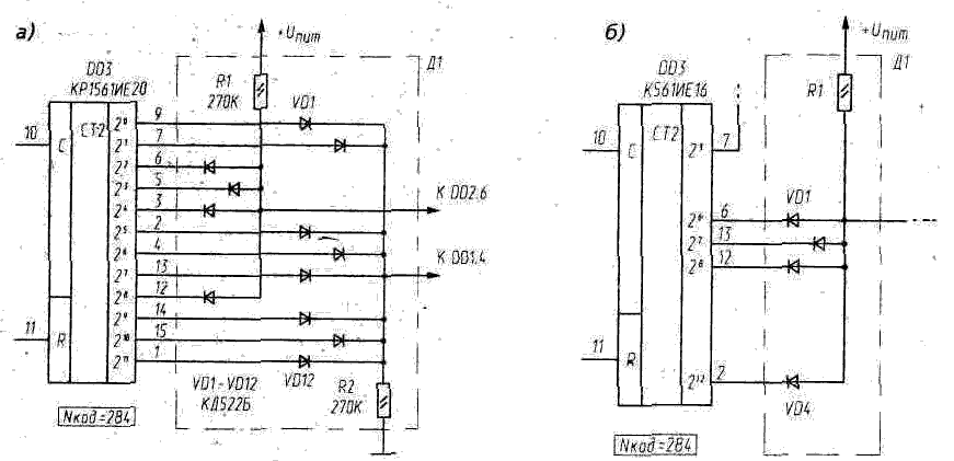
На элементах DD1.3, DD2.3-DD2.5 собрано устройство, формирующее импульс на входе R счетчика DD3 (рис. 2, г), которым он переводится в нулевое состояние по фронту первой же ИК вспышки, и временной интервал Тпр (рис. 41, в), в пределах которого счетчик DD3 может беспрепятственно вести подсчет импульсов (по их спаду), поступающих на его вход С. Дешифрация кодовой посылки, выяснение того, содержит ли она Nкод - кодовое число импульсов, возлагается на дешифратор Д1. В качестве примера, демонстрирующего его структуру, на рис. 3, а приведена конфигурация Д1 для Nкод=284. Поскольку «вес» выхода Qi в DD3 равен 2^(i-1), то в двоичной записи Nкод=000100011100 (2^(3-1)+ +2^(4-1)+2^(5-1)+2(9-1)=4+8+16+256=284). Дешифратор состоит из 4-входового конъюнктора** (Rl, VD3-VD5, VD9), входы которого

Рис. 3. Дешифратор для Nкод=284
подключены ко всем Qi=1, и 8-входового дизъюнктора (R2, VD1, VD2, VD6-VD8, VD10, VD12), входы которого подключены ко всем Qj=0. Легко видеть, что напряжение высокого уровня (лог.1) возникнет и сохранится на выходе DD1.4 (см. рис. 2, д) лишь в случае, если в счетчике DD3 будет зафиксирован Nкод, в любом другом оно так или иначе будет сведено к нулю. На рис. 3, б показана конфигурация конъюнктора в шифраторе ИК излучателя, формирующего Nкод =284; иное его положение на выходах счетчика связано с тем, что «вес» выхода Qi здесь равен 2^(i-5). Подобную же структуру будет иметь дешифратор Д1 и для другого Nкод , с иными, конечно, позициями диодов в конъюнктере и дизъюнкторе. Для того, чтобысистема реагировала на Nкод лишь при достаточно длительной его экспозиции, в цепь формирования выходного сигнала введена цепочка R9·C11@tэксп. Обычно принимают tэксп =0,3...3 с. На кратковременное появление Nкод (в попытках, например, побыстрее подобрать код) такая система просто не отреагирует.

Рис. 4. Тональный генератор (а) и электронный ключ
к электромеханическому замку (б)
Выход устройства - транзистор VT1 с открытым коллектором - может быть дополнен тем или иным исполнительным механизмом. Например, тональным генератором (рис. 4, а), предупреждающим о приходе «своего», или электронным ключом, управляющим электромагнитным замком Y1 (рис. 4, б).
В правильно собранном И К приемнике потребуется, возможно, уменьшить его чувствительность. Это можно сделать как электрически - зашунтировав, например, вход усилителя DA1 резистором R12 (показан на рис. 40 штриховой), так и оптически - прикрыв фотодиод «серым» фильтром, в качестве которого можно использовать, например, пластиковые обои, выполняющие заодно и функцию фильтра, почти полностью «отрезающего» видимую часть спектра паразитной подсветки. Опыт показал, что излучение ИК генератора способно «пробить» даже 1,5...2-миллйметровый пластик. Кроме того, защитная накладка больших размеров, не позволяющая визуально определить положение фотодиода, окажется еще одним препятствием на пути несанкционированного проникновения в систему. Защита от подбора кода - основная забота конструкторов такого рода устройств. Принятая здесь система кодирования относительно проста: Nкод - лишь одно число из тысячи возможных. Но подбор кода осложнен здесь и рядом других обстоятельств. Заметим, что длительность кодовой посылки Ткод не может быть ни слишком малой (иначе «слипнутся» импульсы на входе С счетчика DD3), ни слишком большой, больше Тпр (следующая затем ИК вспышка трансформируется в R-импульс, возвращающий DD3 в исходное состояние). Осложняет подбор кода и t^, во всяком случае очень его замедляет. Защитные функции заложены даже в яркость ИК вспышки - она должна быть лишь достаточной. Повышенная освещенность фотодиода может вывести фотоголовку приемника из рабочего режима и. привести к ошибкам в счете. И все это, заметим, при отсутствии каких-либо специальных контрмер, которые здесь, конечно же, нетрудно предусмотреть. Можно ввести еще один (или не один) находящийся в стороне фотодатчик, засветка которого немедленно заблокирует систему. Или блокировку, реагирующую на слишком большое число сделанных попыток. Более четырех за минуту, например. Блокировки могут, конечно, и дополнять друг друга.

Рис. 5. Печатная плата ИК приемника «визитной
карточки»
На рис. 5 показана печатная плата ИК приемника. Ее изготавливают из двустороннего фольгированного стеклотекстолита толщиной 1.5...2 мм. Фольгу со стороны деталей используют лишь в качестве нулевой шины-«земли» (к ней присоединен «-» источника питания), в местах пропуска проводников она имеет вытравленные кружки диаметром 1.5...2 мм (на рисунке не показаны). Соединения с нуль-фольгой «заземляемых» выводов показаны зачерненными квадратами. Фотоусилитель (VD1, DA1 и др.) с его большой чувствительностью, широкополосностью, высоким входным сопротивлением необходимо экранировать. В противном случае электрические наводки, в том числе и от работы собственного дешифратора, могут сделать ИК приемник совершенно неработоспособным. Экран, имеющий «окно» для фотодиода, изготавливают из жести в виде коробки и припаивают к нуль-фольге в двух-трех точках. На рис. 44 штриховой линией показано примерное его расположение.
Таблица 1.
Uпит, В |
Iпотр, мА |
4,2 |
0,9 |
5,0 |
1,1 |
6,0 |
1,3 |
7,0 |
1,6 |
8.0 |
1,9 |
9,0 |
2,3 |
Рекомендуется также принять меры к минимизации подсветки фотодиода посторонними источниками света, поскольку это может заметно снизить чувствительность приемника к сигналам своего ИК генератора. В качестве бленды, ограничивающей боковой подсвет фотодиода, можно взять отрезок зачерненной внутри пластмассовой или металлической тубы диаметром 10... 15 мм. Фоточувствительную часть приемника можно изготовить в виде отдельной головки, соединенной с другими его элементами тонким трехпроводным кабелем («+», «-», выв. 10 DA1). Малые размеры такой фотоголовки позволят установить ее в вырезе дверного «глазка», за маскирующей накладкой в толще двери, в дверной коробке и т.п. ИК приемник сохраняет работоспособность в широком диапазоне питающих напряжений. Зависимость потребляемого им тока Iпотр от напряжения питания Uпит показана в таблице 9.
*) Напомним, что длительность импульса на выходе фотоусилителя DA1 зависит не только от длительности ИК вспышки, но и ее яркости - освещенности фотодиода. Причина - в относительно медленном восстановлении его темновой проводимости.
**) Физические элементы, реализующие конъюнкцию и дизъюнкцию, - так в работах по математической логике обычно называют логические функции И и ИЛИ. Если мы и далее намерены пользоваться результатами математических исследований и не намерены повторять их (что было бы, кстати, совсем непросто), то должны, как минимум, понимать их язык.
© 1999-2003 Сайт ПАЯЛЬНИК (cxem.net)