Этот прибор помогает обнаруживать скрытые крупные металлические предметы на глубине до 0,6 м. Он нужен строителям, работникам службы газа и коммунального хозяйства для поиска металлических люков и крышек, которые при строительстве зданий или реконструкции улиц оказались под слоем земли, асфальта или были занесены песком. С металлоискателем можно проводить на природе и дома различные занимательные игры. Питается устройство от батареи «Крона» (напряжение 9 В), потребляя ток 5—8 мА.
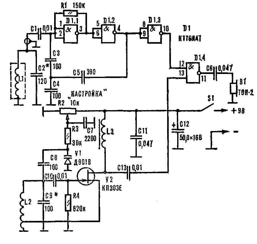
Принцип действия прибора основан на измерении биений двух частот, получаемых от опорного и поискового генераторов. При приближении рамки с катушкой поискового генератора к металлическим предметам ее индуктивность меняется, а вместе с ней и частота поискового генератора. В результате меняется и частота биений. Поисковый генератор собран по так называемой схеме «емкостной трехточки» на элементах Dl.l, D1.2 ИМС D1 (рис. 1). Его частоту определяют параметры контура L1C2, которую ориентировочно можно подсчитать по формуле:

где: L — индуктивность в генри, С — емкость в фарадах.
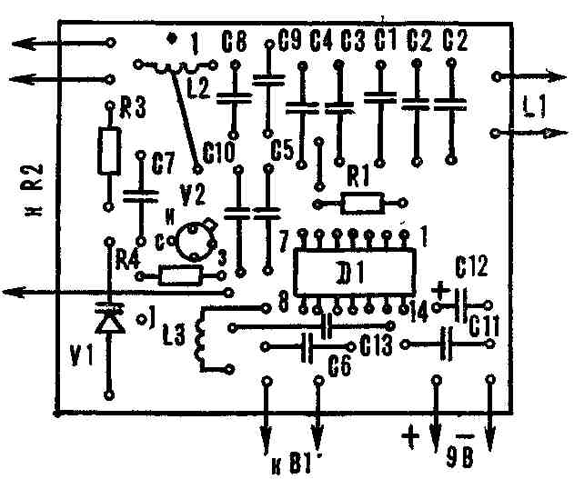
На элементе D1.3 собран буферный каскад, D1.4 служит смесителем. Опорный генератор построен по схеме индуктивной трехточки на полевом транзисторе V2 серии КП303. Его частота зависит от номиналов катушки L2 и конденсатора С9, а также емкости варикапа V1. Нагрузкой устройства служит катушка L3. Прибор смонтирован на плате из одностороннего фольгированного гетинакса или стеклотекетолита толщиной 1,5 мм, размером 65х55 мм (рис. 2).

Рис. 1. Принципиальная схема металлоискателя.

Рис. 2. Монтажная плата прибора со схемой
расположения элементов.

Ряс. 3. Электрическая схема пробника.

Катушка L1 содержит 100 витков провода ПЭВ-2 0,27, намотанного на кольце диам. 250 мм, изготовленном из винипластовой трубки диам. 16 мм. Обмотка обернута слоем алюминиевой фольги с зазором между началом и концом в 4-—6 мм, чтобы не образовался короткозамкнутый виток. Фольга соединена с «минусовым» выводом катушки L1. Катушка L2 состоит из 150 витков провода ПЭЛШО 0,14, намотанного на кольце К8 х 6 х 2 из феррита марки 1000НН. Отвод сделан от '/з витков, считая от заземленного вывода. На таком же кольце намотана катушка L3 до полного его заполнения. Резисторы — МЛТ-0,25, ВС-0,125 с отклонением указанной на схеме (рис. 1) величины ±20%. Конденсаторы С2—С5, С8, С9 — КМ6-46, С12 — К50-6, остальные — К10-7в. Варикап V1 — любой серии Д901. Вместо транзистора КП303Е можно применить аналогичный с любым другим буквенным индексом. Налаживание прибора состоит в проверке работоспособности обоих генераторов при помощи волномера или осциллографа. Приближая катушку волномера, определяют наличие колебаний в контуре L1C2 и, при необходимости, подбирая емкость С2, настраивают его на частоту 100 кГц. С помощью конденсатора С9 частоту опорного генератора также настраивают на 100 кГц при среднем положении движка резистора R2. В наушниках при этом должен быть слышен свист, издаваемый биениями. Если нет волномера, о работе прибора судят по форме сигнала на экране осциллографа, подключенного к выводам 12 или 13 D1.4. В наличии ВЧ колебаний можно убедиться и с помощью простого пробника (его схема на рисунке 3). Если генераторы работают, то при подсоединении пробника к выводам 12 и 13 D1.4 (рис. 1) стрелка индикатора отклонится на некоторую величину, зависящую от его чувствительности. При настройке вместо постоянного конденсатора С2 или С9 рекомендуется временно установить переменный любого типа. Подбирая величину его емкости, стремятся получить наиболее громкий звуковой сигнал. Металлоискатель представлен на рисунке 4. Стрела с ручкой изготовлена из дюралюминиевой лыжной палки длиной 900—1000 мм. На ней на расстоянии 80—100 мм от ручки с помощью двух металлических скоб закреплен кожух с электронной частью прибора. Поисковое кольцо с катушкой крепится к стреле при помощи кронштейна под углом 60—70°. Провод, соединяющий катушку L1 с электронным блоком, проложен внутри стрелы. Кожух (рис. 5) размером 80 х 60 х 35 мм изготовлен из жести толщиной 0,5 мм. На его боковой стенке просверлено отверстие диам. 5 мм для установки регулятора настройки (R2). Поверх него закреплена монтажная плата.
Р. СКЕТЕРИС, г. Паневежис, «М-К» № 8, 1985 г.