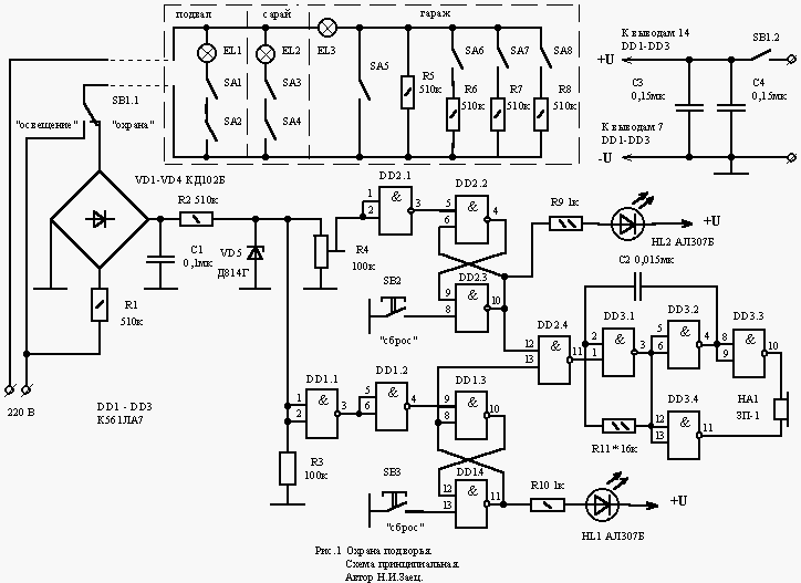
Давно известна истина: если хочешь надёжно спрятать, то положи на видное место. Перефразируя её можно сказать: если хочешь надёжно охранять, то сделай вид, что охраны нет. Много различных схем охранных устройств появилось в последнее время. Время такое. Есть сложные схемы, есть простые, но всем им присущи свои недостатки. Схемы с радиопередатчиками хороши, если охраняемое сооружение не экранировано. Но применять радиопередатчики на сельском подворье, где имеется много сараев, кладовых, подвалов и животноводческих помещений просто разорительно и неэффективно. Другие схемы требуют прокладки отдельной проводки, желательно скрытой в закопанной в землю трубе [1]. Если это сельское подворье или фермерское хозяйство, то такая проводка потребует больших физических и денежных затрат. В любом случае каждый выбирает наиболее подходящую для себя схему с учётом особенностей расположения охраняемого объекта. Еще одна схема, действующая по иному принципу - это еще одна головная боль для вора. Приступая к разработке устройства охраны, была поставлена цель - избавиться от проведения дополнительной проводки. Все надворные постройки давно соединены проводами освещения. Поскольку все провода соединяются возле счётчика, то и охранное устройство удобно разместить возле электросчётчика. Предлагаемая схема охранного устройства срабатывает при попытке открыть дверь или включить освещение в охраняемом помещении. К её достоинствам можно отнести простоту, отсутствие специальной охранной проводки, соединение многих охраняемых объектов на одно охранное устройство. Недостаток предлагаемой схемы - неработоспособность при исчезновении напряжения сети. Хотя сам факт исчезновения напряжения будет воспринят устройством, как попытка проникновения на охраняемый объект и сработает сигнализация. Поэтому если у вас в ночное время часто исчезает напряжение сети, то эта схема вам не подойдёт. В противном случае исчезновение напряжения сети может быть подстроено злоумышленниками и тогда остаток ночи, проведённый в бодрствовании, даст свои результаты. Схема устройства дана на рис.1. Принцип действия схемы заключается в делении напряжения сети делителем на резисторах, выпрямлении его и компарировании логическими элементами. Результат компарирования - включение светодиодов и звуковой сигнализации.

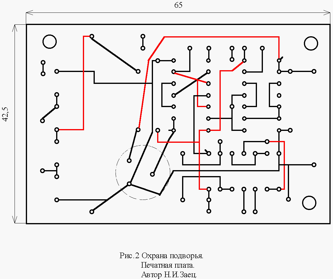
В одном плече делителя резисторы, установленные в охраняемых помещениях, а в другом - R1. Между делителями установлен выпрямительный мост VD1-VD4. Выпрямленное напряжение сглаживается конденсатором C1 и ещё раз делится делителем R2, R3, R4. Далее напряжение поступает на два компаратора по логическому уровню DD2.1, DD1.1. Компаратор DD2.1 настроен на срабатывание по повышению напряжения от исходного. Компаратор DD1.1 срабатывает по понижению напряжения от исходного. При срабатывании компараторов опрокидываются R-S триггеры на элементах DD2.2, DD2.3 и DD1.3, DD1.4. Опрокидывание триггеров включает сигнальное устройство на DD3 и зуммер НА1. Для страховки в точку второго деления установлен стабилитрон VD5. В охраняемых помещениях дополнительно устанавливаются выключатели на двери либо последовательно с выключателем освещения, если дверь одна (подвал, сарай), либо параллельно выключателю освещения, если имеется дверь и гаражные двухстворчатые ворота. Выключатели устанавливаются на замыкание, т.е. при открывании двери контакты замыкаются. Появление выключателей SA1, SA4 можно легко объяснить посторонним, так как при замкнутых выключателях SA1, SA3, при открывании двери, автоматически включается освещение. Это особенно удобно, например, в подвале, где часто забываем выключать свет. Параллельно одному из выключателей освещения, например, в гараже, устанавливается резистор, замыкающий всю цепь. Последовательно выключателям SA6-SA8 устанавливаются резисторы, чтобы при открывании дверей освещение не включалось. Резисторы могут иметь любые номиналы от 36к до 1мом. Слишком малые номиналы увеличивают потребляемый ток и могут нагреваться, а большие значения резисторов уменьшают помехоустойчивость системы. Значения резисторов подбираются так, чтобы на выходе выпрямителя было 50 - 120 В. Налаживание устройства сводится к подстройке переменного резистора R4 так, чтобы при включенной охране на входе элемента DD2.1 было напряжение, воспринимаемое логическим элементом как уровень логического ноля. Примерно на 0,5 вольта меньше половины напряжения питания. При замыкании любого выключателя на двери в охраняемых помещениях на входе элемента DD2.1 добавится напряжение до уровня логической единицы. Ноль с выхода элемента DD2.1 опрокинет R-S триггер на элементах DD2.2, DD2.3 и загорится светодиод HL2. Нулевой потенциал с выхода 10 элемента DD2.3 подаётся на инвертор DD2.4. Логическая единица с выхода DD2.4 запускает генератор на элементах DD3.1, DD3.2. Импульсы генератора через инвертора DD3.3, DD3.4 парафазно возбуждают излучатель HA1. Так как излучатели имеют различную резонансную частоту, для увеличения громкости излучателя необходимо резистором R11 подстроить частоту генератора. Выходной каскад взят из статьи Ю.Виноградова [2]. В принципе выходной каскад можно собрать по любой известной схеме, в том числе и с отпугивающим эффектом. В дежурном режиме на входе элемента DD1.1 будет уровень логической единицы. При обрыве проводов освещения в охраняемых помещениях на входе DD1.1 установится уровень логического ноля, опрокинется триггер на элементах DD1.3, DD1.4, загорится светодиод HL1 и включится звуковая сигнализация. Так как охранное устройство включается на ночь, то излучатель желательно установить в спальной комнате. Кнопками SB2, SB3 производится сброс активного режима устройства, и триггера устанавливаются в исходное состояние дежурного режима. Переключателем SB1 устанавливается режим работы "охрана-освещение". Вторая часть переключателя включает питание устройства в режиме "охрана". Питание устройства осуществляется от гальванических элементов или аккумуляторов. Потребляемый ток в режиме охраны мал, но батареи могут садиться из-за саморазряда, поэтому желательно раз в месяц проверять устройство на работоспособность и в случае необходимости подстраивать резистор R4 или менять элементы питания. На рис.2 показана печатная плата устройства. Конденсатор C1 должен быть на рабочее напряжение не менее 400 В.
Литература.