Автоматическая регулировка яркости (АРЯ) люминисцентных индикаторов.

Использование многих цифровых устройств с малогабаритными индикаторами ИВ-ЗА, ИВ-6 связано с определенным эксплуатационным неудобством. Как известно, показания табло хорошо считываются только при умеренном внешнем освещении. В сумерки цифры светят слишком ярко, становясь плохо различимыми, а при солнечном свете их яркости обычно недостаточно. Поэтому в некоторых серийно выпускаемых электронных часах предусмотрено ступенчатое изменение яркости индикаторов.

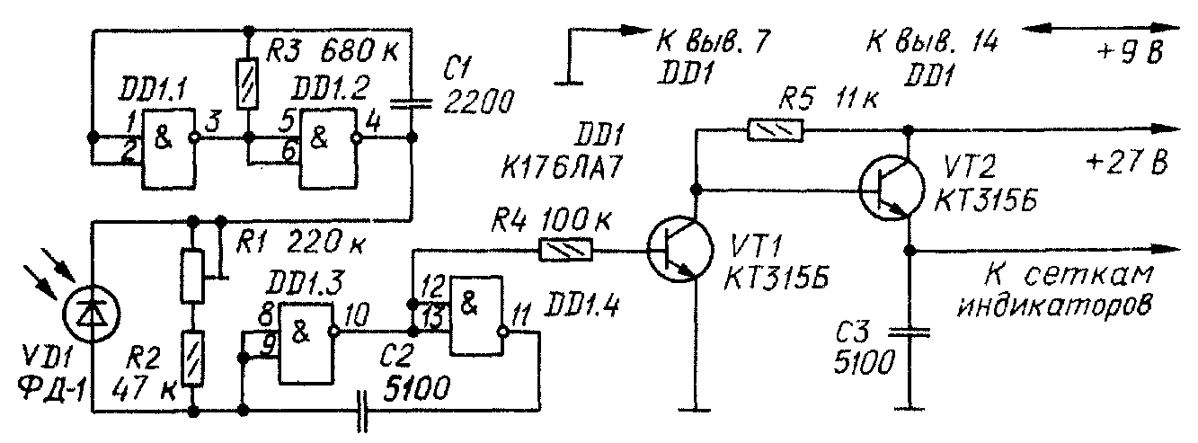
Повысить удобство пользования такими приборами можно введением устройства автоматической регулировки яркости (АРЯ) вакуумных люминесцентных индикаторов. Предлагаемый регулятор (см. схему) работает по принципу питания сеток индикаторов импульсным напряжением, скважность импульсов которого (а следовательно, и яркость свечения индикаторов) автоматически изменяется в зависимости от внешней освещенности. В устройстве использованы узлы, описанные в статье С. Алексеева «Формирователи и генераторы на микросхемах структуры КМОП» («Радио», 1985, № 8. с. 31 35).

Устройство состоит из генератора прямоугольных импульсов на логических элементах DDI.l, DD1.2, узла регулирова ния с ква ж пости и мпул ьсов, собранного на элементах DD1.3, DD1.4 и цепи VD1 R1R2C2, усилителя импульсов на транзисторе VT1 и электронного ключа на транзисторе VT2. Частота повторения импульсов генератора - 400 Гц, длительность импульсов 1,5 мс. Узел регулировки скважности задерживает фронт импульсов генератора в зависимости от освещенности фотодиода VD1. Чем она больше, тем меньше время задержки фронта импульсов, причем частота их остается неизменной. Положение спада импульсов остается неизменным. Импульсы с изменяющейся скважностью усиливает транзистор VT1. Электронный ключ VT2 коммутирует напряжение на сетках индикаторов. Коллекторная цепь транзисторов подключена к источнику напряжения питания индикаторов.

Налаживание автоматического регулятора заключается в установке начальной яркости свечения индикаторов (при полном затемнении фотодиода) резистором R1. Если необходимо, подбирают и конденсатор СЗ. При указанных на схеме номиналах элементов яркость в зависимости от освещенности изменяется в 3...4 раза. Такой режим питания индикаторов более экономичен, он увеличивает ресурс работы индикаторов. АРЯ можно не только предусмотреть в заново разрабатываемых приборах, но и ввести в уже завершенные.

В. РЯЗАНЦЕВ, г. Чита

Радио № 1, 1988 г.

Назад