Модернизированный переключатель гирлянд.

В статье О. Желюка «Программируемый переключатель гирлянд» в «Радио», 1986, № 11, с. 55—57 рассказывалось об автомате, собранном на четырех микросхемах и управляющем четырьмя гирляндами ламп по задаваемой вручную программе.

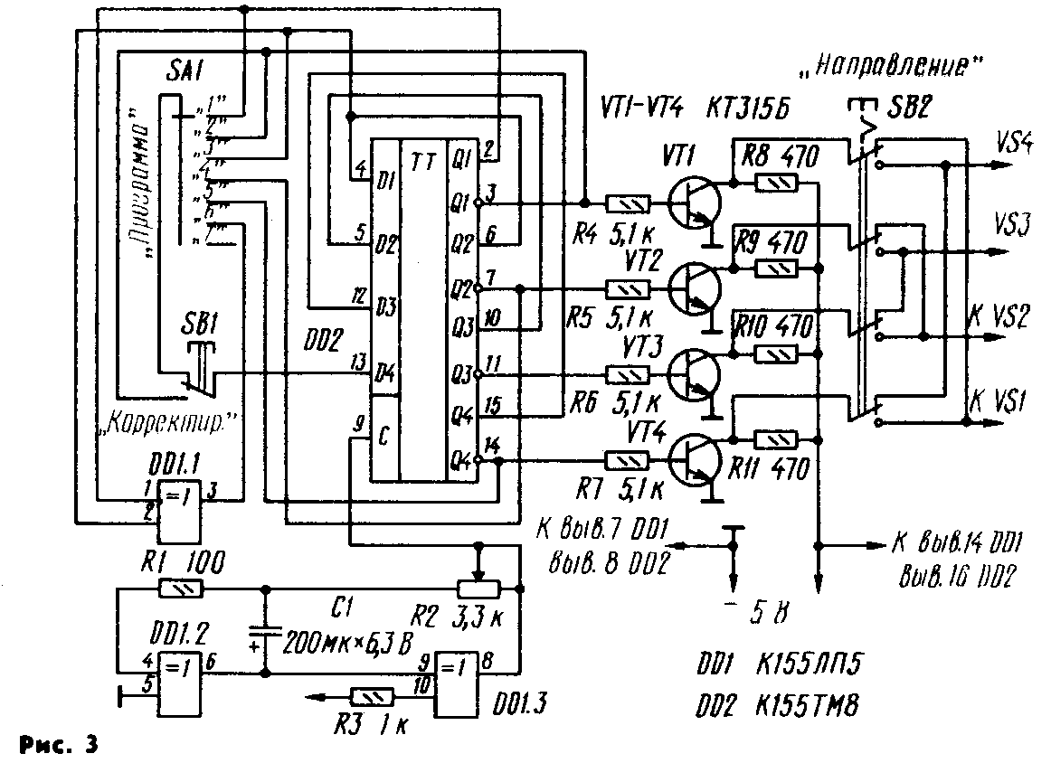
Подобный автомат можно выполнить всего на двух микросхемах (рис. 3): одна из них (DD1) содержит четыре элемента «ИСКЛЮЧАЮЩЕЕ ИЛИ», а вторая (DD2) — четыре D-триггера. Два элемента микросхемы DD1 (DD1.2 и DD1.3) образуют генератор импульсов, причем элемент DD1.2 работает в неинвертирующем включении, а DD1.3 — в инвертирующем. Элемент же DD1.1 используется непосредственно в переключателе программ для выполнения шестой программы.

В остальном принцип работы переключателя гирлянд остался прежним. Для получения большого разнообразия эффектов в автомат введен кнопочный переключатель SВ2, позволяющий изменять направление переключения каналов. Большинство деталей автомата можно смонтировать на плате (рис. 4) из двустороннего фольгированного стеклотекстолита.

г. Рига, М. БЕЛЯКОВА

РАДИО № 11, 1990 г.

Назад