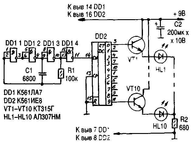
Чтобы вечером во время прогулки Вашу заигравшуюся на воле собаку было легче найти в темноте, ее ошейник оборудуют по периметру несколькими катафотами (световозвращателями) от велосипеда, школьного ранца или прицепа мотороллера либо автомобиля. Тогда, осветив фонарем окружающую местность, вы уже без труда отыщете своего четвероногого друга. Помогут катафоты и в тех случаях, когда не в меру разрезвившийся щенок вдруг выбежит на проезжую часть дороги. Отраженный от световозвращателей свет фар подскажет водителям о наличии впереди подвижного препятствия и предотвратит тем самым беду. С той же целью легко использовать не катафоты, а кусочки пластика, вырезанные из использованного или ненужного компакт-диска, от CD-проигрывателя. Но не менее заманчив и "электронный ошейник", освоенный недавно промышленностью Англии. В нем использованы яркие светодиоды, поэтому освещать их фонариком уже не требуется, а безобидный пудель превращается в настоящую собаку Баскервилей. Попробуем повторить эту новинку. Собрать электронное устройство (см. рисунок) можно всего на двух цифровых микросхемах (DD1 и DD2) На логических элементах микросхемы DD1, конденсаторе С1 и резисторе R1 выполнен тактовый генератор. Он вырабатывает прямоугольные импульсы частотой приблизительно 1000 Гц. Они поступают на вход CN счетчика дешифратора DD2, который работает так, что импульсы высокого уровня по очереди появляются на его выходах 0-9.

Поскольку эти выходы маломощные, сигнал от них усиливается транзисторами VT1-VT10 (на схеме для простоты изображены только два), включенными эмиттерными повторителями. Их эмиттерной нагрузкой являются светоизлучащие диоды HL1-HL10 и токоограничительный резистор R2. Поэтому и светодиоды HL1-HL10 также зажигаются последовательно, как бы по кругу. Располагают их по периферии ошейника собаки. Так как частота тактового генератора составляет 1000 Гц, каждый светодиод мигает с частотой в 10 раз меньшей, т.е. частотой 100 Гц. Именно поэтому их мигание для глаз незаметно. Если же, наоборот, нужно, чтобы (для лучшего привлечения внимания) светодиоды отчетливо мигали, достаточно увеличить сопротивление резистора R1 до 1 МОм (в 10 раз). Тогда частота тактового генератора понизится до 100 Гц, а каждый светодиод станет мигать с хорошо наблюдаемой частотой 10 Гц (10 раз в секунду). Иными словами, меняя сопротивление резистора R1 (или емкость конденсатора С1) всегда удается выбрать любой характер свечения све-тодиодов HL1-HL10. Их число можно и уменьшить, изменив коэффициент счета микросхемы DD1. Если светодиодов, например, шесть, установочный вход R микросхемы DD2 отключают от условного корпуса и соединяют с выходом 6 той же микросхемы. В этом случае каждый светодиод будет светиться с частотой в 6 раз более низкой, чем частота тактового генератора. Аналогичным образом поступают и при других коэффициентах счета от 2 до 9. Вместо микросхемы К561ИЕ8 допустимо использовать и К561ИЕ9. Однако следует иметь в виду, что, во-первых, максимальный коэффициент счета у нее равен 8 (а не 10, как у К551ИЕ8), во-вторых, нумерация (цоколевка) выходных выводов у нее немного иная В остальном же она вполне подходит для данного несложного устройства. Вообще, все микросхемы серии К561 в схеме можно заменить на одноименные из серий КМ1561, 564 или К176. Транзисторы VTI-VTIO могут быть любыми кремниевыми маломощными структуры п-р-п. Однако лучше применить какие-либо транзисторные сборки, например: К217НТ1, К217НТ2 или К217НТЗ, каждая из которых содержит четыре транзистора. Светодиоды HL1-HL10 могут быть любыми из серии АЛ307, но наиболее яркие из них (в порядке убывания яркости) следующие: АЛ307НМ (зеленый), АЛ307КМ (красный), АЛ307ЖМ (желтый). Первый из них допускает ток до 20 мА (регулируют резистором R2), а два других - только до 10 мА Питать электронику ошейника наиболее выгодно от аккумуляторной батареи 7Д-0,115, всякий раз подзаряжая ее после вечерней прогулки. Применять же для питания батарею "Крона" не рекомендуется, так как она при токе 10 мА (а тем более 20 мА) будет слишком быстро истощаться.
От редакции. Вместо светодиодов АЛ307 лучше установить ультраяркие светодиоды (см 'РА' 11/99 crp 26-27)
РАДИОАМАТОР 12/99, В.В. Банников, г. Москва