
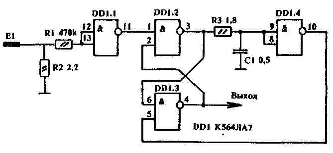
При конструировании сенсорных переключателей обычно сенсорные ячейки делают с зависимым переключением. При такой постановке задачи строится схема п-позициоиного триггера и на соответствующие входы устанавливаются сенсорные датчики. Но иногда имеется необходимость построения сенсорного переключателя с одним сенсорным датчиком, то есть при прикосновении к датчику на выходе ячейки должны возникать одиночные импульсы от каждого касания. Предлагаю простую конструкцию сенсора такого /типа (рис. 1). Вся электрическая схема выполнена на одной микросхеме 564ЛА7 или 561ЛА7. На элементе D1.1 выполнен входной датчик. Элементы D1.2 и D1.3 образуют RS триггер. На резисторе R3, конденсаторе С1 и элементе D1.4 выполнена схема задержки. Работает сенсорный переключатель следующим образом. При касании сенсорной площадки Е1 на выходе элемента L 1.1 появляется серия импульсов. Первый же импульс переключает триггер (элементы D1.2 и D 1.3) в "I". Конденсатор С1 заряжается через R3.c постоянной времени Т " R3C1. После достижения логической "1" на входе элемента D1.4 триггер "сбрасывается" сигналом, приходящим с выхода 10 элемента D1.4 и устройство возвращается в исходное состояние. Сенсор обладает интересной особенностью. При кратковре-меном одиночном касании сенсорной площадки на выходе 4 появляется один импульс. Если же удерживать палец на площадке некоторое время, то на выходе возникнет серия импульсов с периодом T-R3CI. Период следования этой серии можно изменять подбором R3 и С1. Описанный сенсор у меня используется в схеме переключения каналов телевизора.
С. ЗАЙЦЕВ, 246035,г. Гомель, ул. Героев-подполыциков, 21 — 228.