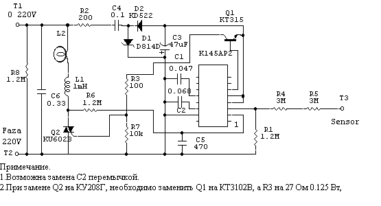
Сенсорный включатель лампы на микросхеме К145АП2.

Назад