При работе с различными приемниками и источниками сигналов, возможно, потребуется дополнительное усиление. В каналах дуплексной связи для повышения конфиденциальности переговоров целесообразно использовать разные частоты преобразования. Расположение элементов устройства на плате и изображение ее двусторонней "печати" показано на рис.3 и рис.4 соответственно.

В переносном варианте пара кодер/декодер, источник питания ("Крона") и дополнительные микрофонные усилители встраиваются в корпус телефона-трубки. Акустическая связь с телефонной линией осуществляется с помощью дополнительного микрофона и малогабаритного динамика, вмонтированных в заднюю часть корпуса напротив телефонного и микрофонного капсюлей трубки телефонного аппарата. Схема подобного сопряжения устройства с телефонной линией показана на рис.5.

Следует, однако, предупредить тех, кто будет использовать шифратор в конфиденциальной связи, что, обладая определенным терпением, можно научиться разбирать содержание "частотно инвертированной речи". Поэтому не затягивайте переговоры или периодически меняйте частоту несущей преобразования.

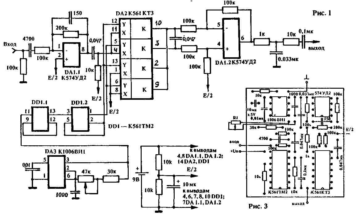
Эффективную защиту радио-и телефонных переговоров от постороннего прослушивания обеспечивает метод "частотной инверсии". Кстати, он давно и весьма успешно применяется американскими полицейскими службами. Частотно инвертированный сигнал выделяется из нижней боковой полосы спектра балансного преобразования звукового сигнала с надзвуковой несущей. Две последовательные инверсии восстанавливают исходный сигнал, т.е. устройство используется как кодек (кодер и декодер). Синхронизация между передатчиком и приемником не требуется. Устройство, схема которого приведена на рис.1, состоит из генератора (DA3), вырабатывающего сигнал частотой 14 кГц, делителя-формирователя несущей 3,5 кГц (DD1), аналогового коммутатора балансного модулятора (DA2), входного полосового фильтра с полосой 300 — 3000 Гц (DA 1.1) и сумматора балансного модулятора с НЧ-фильтром (DA1.2). Многооборотным подстроечным резистором R1 осуществляют индивидуальную подстройку частоты преобразования. Для нормальной работы устройства' необходимо эффективно ограничить спектр речевого сигнала диапазоном 300 — 3000 Гц. В противном случае часть спектра выше несущей перегибается и накладывается на область низких частот, создавая сильные дополнительные помехи. В пределах указанной полосы частот разборчивость речи после двух преобразований составляет не менее 65%. На рис.2 показаны спектры входного и преобразованного сигналов. Несущие пары кодер/декодер настраивают на одинаковую частоту. При настройке кодированный речевой сигнал можно записать на магнитофон и подобрать частоту преобразования декодера по наибольшей разборчивости речи при декодировании.
Радиолюбитель 2/93