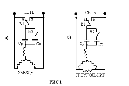
Очень часто возникает необходимость в использовании трехфазных электродвигателей для станков, наждаков и других устройств. Для их питания совсем не обязательно наличие трехфазной сети. Наиболее эффективный способ пуска электродвигателя — это подключение третьей обмотки через фазосдвигающий конденсатор. Для нормальной работы двигателя с конденсаторным пуском , емкость конденсатора должна меняться в зависимости от числа оборотов. Это условие трудно выполнимо, и на практике управляют двигателем двухступенчато. Включают двигатель с пусковой емкостью конденсатора, а после его разгона пусковой конденсатор отключают, оставляя рабочий (рис. 1). Пусковой конденсатор отключают вручную переключателем В 2. Рабочая емкость конденсатора (в микрофарадах) для трехфазного двигателя определяется по формуле если обмотки соединены по схеме "звезда" (рис. 1, а), или если обмотки соединены по схеме "треугольник" (рис. 1,6):

При известной мощности электродвигателя ток (в амперах) можно определить из выражения:

где:
Р-мощность двигателя, указанная в паспорте (на щитке) Вт;
U-напряжение сети. В;
cos-коэффициент мощности;

Конденсатор пусковой С.п. должен быть в 1,5—2 раза больше рабочего Ср. Рабочее напряжение конденсаторов должно быть в 1,5 раза больше напряжения сети, а конденсатор обязательно бумажный, например типа МБГО, МБГП и др. Для электродвигателя с конденсаторным пуском существует очень простая схема реверсирования.

При переключении переключателя В1 (Рис. 1) двигатель меняет направление вращения. Двигатели с конденсаторным пуском имеютособенности. При работе электродвигателя вхолостую по обмотке, питаемой через конденсатор, протекает ток на 20—40% больше номинального. Поэтому при работе двигателя с недогрузкой нужно уменьшить рабочую емкость. При перегрузке двигатель может остановиться, тогда для его запуска необходимо снова включить пусковой конденсатор. Необходимо знать, что при таком включении мощность, развиваемая электродвигателем, составляет 50% от номинального значения.
Все ли трехфазные электродвигатели могут быть включены в однофазную сеть? В однофазную сеть могут быть включены любые трехфазные электродвигатели, но одни из них в однофазной сети работают плохо, например двигатели с двойной клеткой короткозамкнутого ротора серии МА а другие при правильном выборе схемы включения и параметров конденсаторов - хорошо (асинхронные электродвигатели серий А, АО, А 02, Д, АОЛ, АПН, УАД). Мощность используемых электродвигателей ограничивается величиной допустимых токов питающей сети.
Способы автоматической защиты трехфазного двигателя при отключении фазы электрической сети. Трехфазные электродвигатели при случайном отключении одной из фаз быстро перегреваются и выходят из строя, если их вовремя не отключить от сети. Для этой цели разработаны различные системы автоматических защитных отключающих устройств, однако, они либо сложны, либо недостаточно чувствительны. Устройства защиты можно условно разделить на релейные и диодно-транзисторные. Релейные в отличие от диодно-транзисторных более просты в изготовлении. Рассмотрим несколько релейных схем автоматической защиты трехфазного двигателя при случайном отключении одной из фаз питания электрической сети.

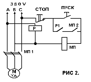
Первый способ (рис. 2). В обычную систему запуска трехфазного двигателя введено дополнительное реле Р с нормально разомкнутыми контактами Р1. При наличии напряжения в трехфазной сети обмотка дополнительного реле Р постоянно находится под напряжением и контакты Р1 замкнуты. При нажатии кнопки "Пуск" через обмотку электромагнита магнитного пускателя МП проходит ток и системой контактов МП1 электродвигатель подключается к трехфазной сети. При случайном отключении от сети провода А реле Р будет обесточено, контакты Р1 разомкнутся, отключив от сети обмотку магнитного пускателя, который системой контактов МП1 отключит двигатель от сети. При отключении от сети проводов В и С обесточивается непосредственно обмотка магнитного пускателя. В качестве дополнительного реле Р используется реле переменного тока типа МКУ-48.

Второй способ (рис 3). Защитное устройство основано на принципе создания искусственной нулевой точки (точка 1'), образованной тремя одинаковыми конденсаторами С1—СЗ. Между этой точкой и нулевым проводом 0' ключено дополнительное реле Р с нормально замкнутыми контактами. При нормальной работе электродвигателя напряжение в точке 0' равно нулю и ток через обмотку реле не протекает. При отключении одного из линейных проводов сети нарушается электрическая симметрия трехфазной системы, в точке 0' появляется напряжение, реле Р срабатывает и контактами Р1 обесточивает обмотку магнитного пускателя—двигатель отключается. Это устройство обеспечивает более высокую надежность по сравнению с предыдущим. Реле типа МКУ, на рабочее напряжение 36 В. Конденсаторы С1—СЗ— бумажные, емкостью 4—10 мкф, на рабочее напряжение не ниже удвоенного фазного. Чувствительность устройства настолько высока, что иногда двигатель может отключиться в результате нарушения электрической симметрии, вызванного подключением посторонних однофазных потребителей, питающихся от этой сети. Чувствительность можно понизить, применив конденсаторы меньшей емкости.

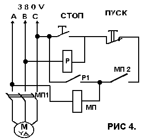
Третий способ (рис. 4). Схема защитного устройства аналогична схеме, рассмотренной в первом способе. При нажатии кнопки "Пуск" включается реле Р, контактами Р1 замыкая цепь питания катушки магнитного пускателя МП. Магнитный пускатель срабатывает и контактами МП1 включает электродвигатель. При обрыве линейных проводов В или С отключается реле Р, при обрыве провода А или С — магнитный пускатель МП. В обоих случаях электродвигатель выключается контактами магнитного пускателя МП1. По сравнению со схемой защитного устройства трехфазного двигателя, рассмотренной в первом способе, это устройство имеет преимущество: дополнительное реле Р при выключенном двигателе обесточено.
Просьба сообщить о замеченных ошибках и опечатках.