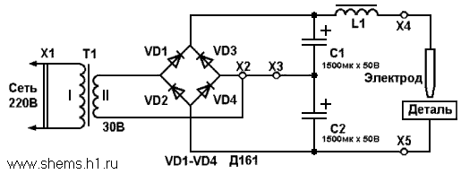
Сварочный аппарат для сварки на постоянном токе с выпрямленииием по вентильному мосту с удвоением напряжениия.

Как показывает практика, процесс горения дуги протекает стабильнее у сварочных устройств с мягкой (падающей) вольт-амперной характеристикой. К числу таких сварочников можно, в частности, отнести и самодельный аппарат с выпрямителем, принципиальная электрическая схема которого выполнена с "закавыкой", суть которой - в быстрой смене режимов работы диодов, включаемых по типовому вентильному мосту (ВСМ), но по так называемой схеме удвоения напряжения (ВСУ). Особую роль в рассматриваемом техническом решении играет перемычка X2X3. Вставив ее, получают из самого что ни на есть обычного диодного моста VD1-VD4 с низкочастотным фильтром C1C2L1 выпрямительное устройство, на выходе которого в режиме холостого хода - удвоенное (по сравнению с первым вариантом работы) напряжение. При этом положительная, скажем, полуволна напряжения, поступающего от начала вторичной обмотки сварочного трансформатора T1, беспрепятственно проходит полупроводниковый силовой вентиль VD1 и, зарядив конденсатор C1 практически до максимума, возвращается к концу названной обмотки. С наступлением другого полупериода цепь прохождения положительных электрических зарядов будет несколько иной: от конца обмотки II сварочного трансформатора T1 к C2, а от него - через вентиль VD2 - к началу той же вторичной обмотки. Но конденсаторы C1 и C2 соединены друг с другом так, что результирующее напряжение оказывается равным суммарному, которое и подводится через дроссель L1 к промежутку "электрод-деталь", облегчая возникновение сварочной дуги. Полупроводниковые диоды VD3 и VD4 при замкнутой перемычке и отсутствии сварочной дуги в работе схемы как бы не учавствуют по причине своего обратного включения в выпрямительные цепи. К тому же каждый из них оказывается запертым напряжением от соответствующего конденсатора. Недостатком типовых схем удвоения является, как утверждает теория, круто падающая внешняя характеристика, то есть резкое снижение выпрямленного напряжения при увеличении тока нагрузки. Это заставляет применять зарядные конденсаторы большой емкости (в рассматриваемом устройстве - "электролиты" по 15000 мкФ каждый). Кроме того, типовые схемы удвоения взрывоопасны: при пробое одного из силовых вентилей переменное напряжение оказывается напрямую приложенным к электролитическому (оксидному) конденсатору, что недопустимо. Вот тут то и призваны сыграть свою спасительную роль бездействовавшие ранее VD3,VD4.

Теперь о самодельных узлах и радиодеталях, используемых в предлагаемом техническом решении. Мощность трансформатора T1, имеющего магнитопровод ПЛ45х80, равна 2,5 кВ*А. Первичная обмотка "сварочника" содержит 156 витков провода ПЭВ2 диаметром 2,5 мм. Разумеется, она может быть также выполнена и более тонким, но сложенным вдвое ПЭВ2-1,7мм. Для вторичной (понижающей) обмотки использован БПВЛ сечением 16мм2. Требуемое количество витков здесь - 22. Дроссель L1 содержит 33 витка провода БПВЛ сечением 10мм2. Намотаны они на изолирующем каркасе, который надевается на магнитопровод ШЛ50х50, собираемый с немагнитным 2-мм зазором, где установлены прокладки толщиной 2 мм из термостойкого диэлектрика. В качестве последнего вполне подойдет гетинакс или текстолит. Конденсаторы C1 и C2 - оксидные К50-18 или другого типа, рассчитанные на использование в цепях с напряжением 50 В и более. Рекомендуемые к использованию в схеме диоды Д161 могут иметь в конце наименования любую комбинацию цифр и букв. Вполне допустимо здесь и применение мощных "электровозных" В200. Каждый из диодов установлен на дюралюминиевый теплоотвод-радиатор 80х80х45 мм с вертикальным расположением ребер (для лучшего охлаждения за счет конвекции). Клеммы X2-X5 представляют собой латунные или медные болты М10 с шайбами и гайками, выведенные на переднюю панель из текстолита или гетинакса. Перемычка сечением 30 мм2 из меди или алюминия.

Моделист-конструктор, 99
Просьба сообщить о замеченных ошибках и опечатках.

Назад