
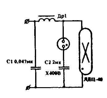
Уже больше годя как я использую схему запуска ламп дневного света с перегоревшими нитями накала. Устройство запуска очень простое и содержит всего четыре детали: типовой пуско-регулирующий дроссель Др1, стартер и два конденсатора. Лампа в этой схеме включается через 1 — 2 секунды.
Е.ЧЕРНЫШЕНКО пос. Содвечякмояьск