Сварочный трансформатор с электронной регулировкой тока.

Этот трансформатор предназначен для электродуговой сварки изделий из конструкционных сталей электродами диаметром 2-5 мм. Питание его осуществляется от однофазной сети переменного тока напряжением 220 В. Электронный регулятор тока позволяет плавно изменять сварочный ток от 20 до 200 А, что дает возможность сваривать детали различной толщины.

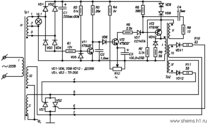
Принципиальная электрическая схема трансформатора приведена на рис. 1. Как следует из схемы, данное устройство - это разновидность трансформатора с тиристорным управлением, получившего распространение в последнее время. Для изготовления трансформатора и регулятора тока используют доступные материалы и детали.


Рис. 1.

Трансформатор состоит из собственно силового трансформатора Тр1 .регулирующих тиристоров VS1 и VS2, включенных в цепь силовой обмотки II, и блока электронной регулировки, вырабатывающего управляющие импульсы. Дополнительная обмотка III стабилизирует горение дуги и позволяет улучшить процесс ее образования в начальный момент сварки. Обмотка IV питает блок электронной регулировки тока. Трансформатор Тр1 изготовлен на основе статорного сердечника асинхронного двигателя переменного тока мощностью 15, 18,5 или 22 кВт. Двигатель разбирают, и статор вместе с обмотками извлекают из корпуса. В случае затруднений при извлечении статора из корпуса, последний разбивают, конечно, с соблюдением необходимых предосторожностей. Обмотки статора вырубают зубилом и остатки удаляют, не повреждая, однако, сами статорные пластины. После этого магнитопровод обматывают несколькими слоями стеклоткани или киперной ленты. В последнем случае изолирующий материал промазывают эпоксидным клеем или же простым масляным лаком, например, марки ПФ-231. Первичная обмотка I трансформатора выполняется проводом марки ПЭВ-2 (медный) или АПСО (алюминиевый) 02,5 мм и содержит 220 витков. Провод наматывается равномерно по всему сечению магнитопровода. Если провода требуемого диаметра нет, то можно обмотку выполнить двумя проводами, при этом их суммарное сечение должно составлять 5 кв.мм. Для удобства намотки используется челнок, на который предварительно отматывается требуемое количество провода. После изготовления обмотки 1 ее изолируют 2-3 слоями стеклоткани или киперной ленты. Затем рекомендуется проверить ее на наличие короткозамкнутых витков. Для этого обмотку включают в сеть переменного тока напряжением 220 В. Ток в цепи обмотки не должен превышать 0,3-0,5 А. Если значение тока превышает указанное, то ничего не остается, как более аккуратно перемотать обмотку. Вторичную обмотку II выполняют проводом сечением 35 мм кв., она содержит 60 витков. В качестве провода может служить медная или алюминиевая шина с надежной изоляцией. Рядом с обмоткой II на магнитопроводе размещают обмотку III, которая также содержит 60 витков провода марки ПЭВ-2 02,5 мм. Обмотка IV содержит 40 витков провода марки ВЭВ-2 0 0,7 мм с отводом от середины. Обмотки II, III, IV изолируются, как и обмотка I. После окончательной намотки следует снова испытать трансформатор на холостом ходу. При указанном ранее токе на обмотках II и III должно быть напряжение 60 В, а на обмотке IV - 40 В. В основе блока электронной регулировки тока лежит схема аналогичного устройства промышленного изготовления, а именно, трансформатора ТС-200. Монтажная схема регулятора выполняется печатным или навесным способом, но в любом случае регулятор должен быть заключен в надежный корпус. Трансформатор Тр2 наматывается на магнитопроводе Ш16 с толщиной набора 16 мм. Его обмотка 1 содержит 140 витков провода марки ПЭВ-2 00,5 мм, обмотка II - 70 витков провода ПЭВ-2 00,1 мм, обмотки III и IV содержат по 90 витков провода ПЭВ-2 00,5 мм. Резисторы R1 -9- типа МЛТ-0,5; R10, R11 - типа МЛТ-2; RI2 - типа СП2-6А. Конденсаторы С1 и СЗ - типа К-50-6; С2 и С4 - типа К73. Блок, собранный без ошибок и из исправных деталей, в наладке не нуждается. Следует обратить внимание на правильное подсоединение обмоток трансформатора Тр2 и на соблюдение указанной в схеме полярности. Работу блока можно проверить с помощью осциллографа. Для этого выходы 4-5 и 6-7 нагружают резисторами сопротивлением по 50 Ом и мощностью 0,5 Вт. Подсоединив осциллограф сначала к одному выходу, затем - к другому, убеждаются, что перемещением движка резистора R12 изменяется скважность импульсов. При отсутствии осциллографа работоспособность блока можно проверить с помощью вольтметра переменного тока. ТиристорыУ81 и VS2 устанавливают на теплоотводах с общей поверхностью - 1000 кв.мм каждый. Один из вариантов конструкции сварочного трансформатора представлен на рис. 2. Трансформатор Тр1 закреплен на круглом основании диаметром 400 мм из текстолита толщиной 10 мм или из фанеры толщиной 15 мм.


Рис. 2. Монтажная схема трансформатора:
1 - обмотка трансформатора; 2 - радиатор тиристора; 3 - тиристор; 4 - верхняя пластина;
5 - брусок; 6 - ручка для переноски; 7 - блок регулировки; 8 - потенциометр (R12);
9 - клемма для подсоединения сварочного кабеля; 10- крепежный болт;
11 - нижняя пластина; 12 - скоба для намотки сетевого кабеля; 13- сетевой кабель.

Под трансформатор следует подложить два бруска из твердого дерева сечением 30х30 мм и длиной 350 мм для обеспечения циркуляции воздуха и улучшения охлаждения его при работе. К основанию трансформатор крепится стяжным болтом М12 соответствующей длины. На верхней пластине крепятся радиаторы с тиристорами. Основание имеет две ручки для переноски трансформатора, изготовленные из стальной трубы диаметром 1/2". На ручках есть две текстолитовые пластины толщиной 6 мм. На одной из них установлен блок регулировки тока, потенциометр R12, а также закреплены клеммы (болты М12) для подсоединения сварочного кабеля. На второй пластине установлены две скобы для намотки сетевого кабеля после окончания работы. Здесь же можно установить и автоматический выключатель, рассчитанный на ток не менее 25 А. Трансформатор допускает следующий режим его эксплуатации: работа - 1 час, перерыв - 10 минут. Сварку производят электродами марки Э-5РА УОНИ-13/55-2,5 УД-1 требуемого диаметра с соблюдением техники безопасности при работе с электроприборами.

М. Терлецкий, С.Петербург

Назад