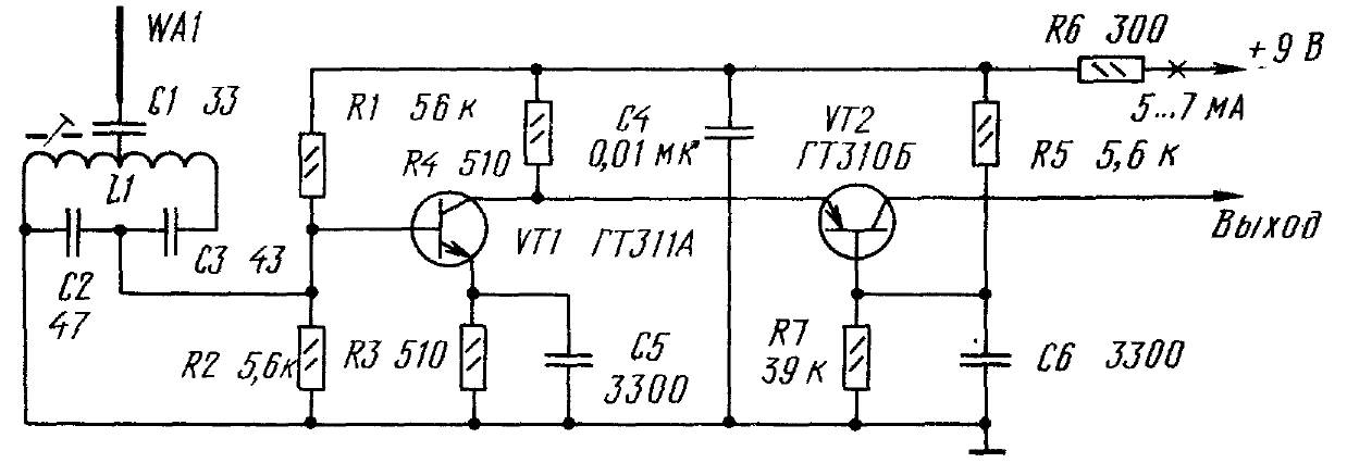
Чувствительность УКВ-приемников можно существенно повысить, подключив к антенному входу простую усилительную приставку (см. рисунок). Вместо штыревой антенны WA1 можно воспользоваться куском медного провода в изоляции длиной 30...40 см. Транзистор ГТ310Б можно заменить ГТ308 с индексами А, Б, В. Катушка 11 содержит 5 витков провода ПЭЛ 0,5 отвод от второго витка (справа по схеме). Ее обмотку намотать на каркасе с подстроечником катушек входных и гетеродинных контуров КВ диапазона любого транзисторного приемника.

На приемник с такой приставкой я принимаю программы УКВ радиостанций, удаленных от места приема на расстояние 85...120 км. Приставка прекрасно работает и с приемником «Юниор». Ее можно использовать и с другими приемниками, у которых гнездо антенны соединено с общим проводом через катушку связи.
В. РУЗМАТОВ, г. Сырдарья, Узбекистан.