ТВ распределительное устройство.

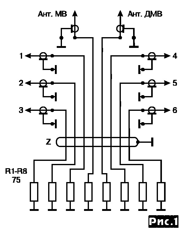
Для подсоединения к одной или двум антеннам нескольких телевизоров в квартире или на даче автором используется схема сумматора на основе направленных ответвителей (рис.1). Таких распределительных устройств сделано 10 шт. Все они работают без замечаний, без взаимного влияния телевизоров друг на друга при одновременном их включении. Монтажная схема показана на рис.2. Устройство собрано на текстолитовой плате, фольгированной со стороны монтажа. Размеры платы не критичны, в авторском варианте - 50x95 мм. «Пятачки» для пайки резисторов и кабелей вырезаются резаком. Оплетки кабелей и «земляные» концы резисторов припаиваются к фольге по месту расположения. Все резисторы мощностью рассеивания 0,125 Вт, формуются перед пайкой так, как показано на рис.3. Расстояние от корпуса резистора до платы должно быть 1-2 мм, и такое же - от торца резистора до изгиба вывода. Сборку устройства выполняют в следующем порядке. Восемь отрезков провода ПЭЛШО диаметром 0,3-0,4 мм длиной 95-100 мм с предварительно залуженными концами складывают в жгутик, выравнивают концы и слегка скручивают.

       

Затем вставляют жгутик в трубчатый экран Z, припаивают его корпус к плате и распаивают нижние по схеме концы проводов к «пятачкам» с резисторами, а верхние - к «пятачкам» подключения кабелей. Прозванивать провода не требуется. Трубчатый экран Z изготовлен из луженой жести или из латунной фольги, имеет диаметр 5-8 мм и длину 50 мм. Все кабели, подсоединенные к устройству, имеют волновое сопротивление 75 Ом. Их концы укреплены на плате капроновыми нитками, продетыми в отверстия диаметром 1-2 мм. После завершения монтажа и укладки проводников плату покрывают лаком.

Владимир Марков (UY5AP), г.Киев

Назад