Идея использовать полевой транзистор КП904А в усилителе мощности диапазона 2 м возникла поневоле - во время работы в "тропо" вышел из строя транзистор КТ931А, а заменить его было нечем. Тогда выбор пал на КП904А (по справочным данным он работоспособен до частоты 400 МГц). Усилитель на этом транзисторе некритичен к качеству источника питания (в моем случае он питается нестабилизированным напряжением +55 В при емкости выходного конденсатора источника питания 10000 мкФ), не требует принятия специальных мер для стабилизации тока покоя транзистора и имеет очень простую схему (рис.1). При входной мощности 4...5 Вт выходная мощность составляет 20...25 Вт на нагрузке 75 Ом.
Puc.1
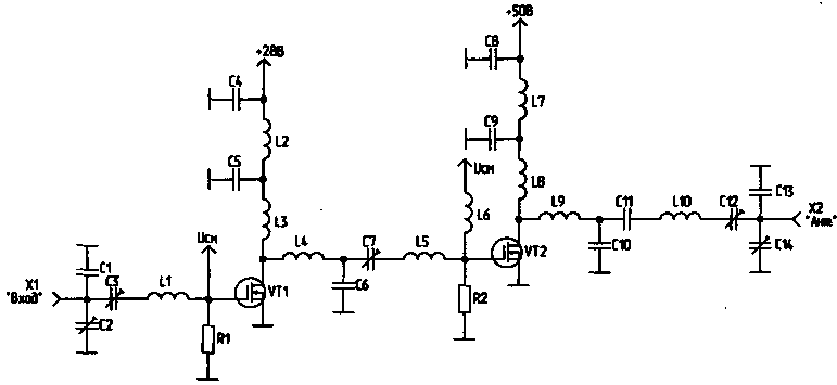
Для получения большей выходной мощности (около 40 Вт) можно последовательно включить два аналогичных каскада, запитав предоконечный каскад напряжением +28 В, а оконечный - +50 В (рис.2).
Puc.2
Усилитель собран на ребристом радиаторе размерами 210х130 мм, высота ребер - 25 мм. Монтаж радиоэлементов выполнен на "пятачках", вырезанных на плате из фольгированного текстолита. В процессе монтажа особое внимание необходимо уделить качеству соединения истока транзистора с общим проводом ("корпусом"). В моем случае исток припаян к посеребренной пластине, которая, в свою очередь, пропаяна вокруг отверстия под транзистор на плате. Резистор R1 припаивается непосредственно к выводам транзистора VT1 и предохраняет транзистор от выхода из строя при обрыве цепи смещения. Намоточные данные катушек индуктивности приведены в таблице.
| Катушка | Число витков | Провод | Диаметр оправки, мм |
| L1 | 4 | ПСР 1 | 8 |
| L2 | 6 | ПЭЛ 0,5 | 4 |
| L3 | 2 | ПСР 1 | 6 |
| L4 | 5,5 | ПСР 1 | 8 |
| L5 | 10 | ПСР 1 | 4 |
Конденсатор С 10 - типа СГМ, С6 - электролитический, на рабочее напряжение 100 В. Остальные конденсаторы типа КМ. Настройка этого усилителя очень проста. К его выходу подключается эквивалент нагрузки сопротивлением 75 (50) Ом, и вращением движка резистора R3 (рис.1) устанавливается ток покоя транзистора VT1 около 200 мА. Затем на вход усилителя подается сигнал частотой 145 МГц и мощностью около 1 Вт (например, с "хэндика") и, подстраивая конденсаторы С2, С3, добиваются максимальной величины тока через транзистор VT1, а при помощи конденсаторов СИ, С12 - максимального напряжения на эквиваленте нагрузки. После описанной предварительной настройки усилителя, на его вход подают сигнал мощностью 5 Вт и вновь подстраивают конденсаторы С11, С12 по максимуму выходной мощности. Схема усилителя не имеет защиты от КЗ и от превышения КСВ, поэтому следует избегать работы на случайные антенны. Данная рекомендация особенно актуальна для двухкаскадного варианта усилителя.
А.ЖУК (EW6FS), г. Поставы.,Радиолюбитель № 3, 2001.