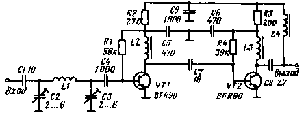
Антенный усилитель.

Несложная конструкция двухкаскадного широкополосного антенного усилителя предназначена для усиления сигналов в телевизионном диапазоне ДМВ. На входе усилителя включен настраиваемый полосовой фильтр L1C2C3 с полосой пропускания порядка 50 МГц в пределах с 21-го по 60-й канал телевизионного диапазона. Транзисторы VT1 и VT2 включены по схеме с общим эмиттером.

Первый каскад работает при токе коллектора транзистора 7 мА и в большей степени определяет такие параметры усилителя, как уровень шума и перекрестную модуляцию. Второй каскад определяет общий коэффициент усиления, который составляет 25 дБ. Коллекторный ток транзистора V12 выбран в пределах 25 мА. Вход и выход усилителя несимметричные и рассчитаны на подключение коаксиального кабеля с волновым сопротивлением 75 Ом. Питание осуществлено напряжением + 12 В и подается через фидер. Дроссель L4 имеет индуктивность 10 мкГ и намотан на ферритовом кольцевом магнито-проводе. Катушка L1 выполнена посеребренным проводом диаметром 2 мм, имеет полвитка и отформована на оправке с внешним диаметром 4 мм. Дроссели L2 и L3 имеют по 3 витка, намотанных проводом ПЭЛ-1 0,2 на ферритовых кольцевых магнитопроводах. Элементы усилителя смонтированы на печатной плате из стеклотекстолита, которая заключена в металлический экран.

Радио, телевизия, электроника, 1988. № 3

Примечание редакции. Дроссели L2 и L3 следует намотать на магнитонроводах из феррита марок 10ВНП, 20ВНП, L4 — на магнитопроводе из феррита с магнитной проницаемостью не менее 1000. Транзисторы BFR 90 можно заменить любыми мощными транзисторами, рассчитанными на работу в СВЧ диапазоне (КТ606, KT610, КТ640, КТ913 и др.).

Назад