УКВ ЧМ радиоприемник стал непременным атрибутом дома, в автомобиле и на даче. И одна из проблем, которая возникает при его эксплуатации, - это обеспечение требуемого качества приема на большом удалении от радиовещательных станций. К сожалению, не все радиоприемники обладают хорошей чувствительностью, поэтому при удалении от радиостанций на несколько десятков километров, например, во время пребывания на даче или поездках за город, качество приема значительно ухудшается. Установка же эффективных приемных антенн на автомобиле или переносной аппаратуре сопряжена с большими трудностями или просто невозможна. Выходом из этой ситуации может быть использование на входе радиоприемника малошумящего антенного усилителя. Если радиоприемник многодиапазонный и имеет один антенный вход (например, автомобильный), то усилитель должен усиливать сигналы именно этого диапазона и пропускать без потерь сигналы других. Кроме того, в условиях города, когда уровень сигналов радиостанций и помех значителен, такой усилитель необходимо отключать во избежание возникновения перекрестных искажений. Если прием осуществляется далеко за городом, то усилитель можно сделать неотключаемым.

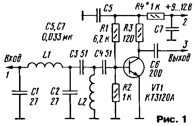
Схема усилителя показана на рис. 1. Он выполнен на малошумящем биполярном транзисторе. Коэффициент усиления составляет около 20 дБ. На входе усилителя установлены последовательно включенные фильтр нижних частот (ФНЧ) C1L1C2 с частотой среза 115...120 МГц и фильтр верхних частот (ФВЧ) с частотой среза 60...65 МГц. Таким образом усилитель обеспечивает усиление сигналов радиостанций, работающих в обоих радиовещательных УКВ диапазонах.
Если усилитель планируется разместить в радиоприемнике, где используется одна антенна на все диапазоны (автомобильный вариант), то его схему надо доработать и ввести два реле, а также дополнительный фильтр по питанию. Схема устройства этого варианта показана на рис. 2. При подаче питающего напряжения реле К1 и К2 подключают усилитель А1 (показано на схеме) между антенной и приемником, а при отключенном питании вход радиоприемника соединяется непосредственно с антенной. Если усилитель будет устанавливаться в автомобиле, то его надо обязательно разместить в металлическом корпусе и питание подать через проходной конденсатор (С9).

Элементы усилителя размещают на печатной плате из двусторонне фольгированного стеклотекстолита, рисунок печатных дорожек и расположение элементов показаны на рис. 3. Вторая сторона печатной платы оставлена металлизированной и соединена фольгой по контуру с общим проводником первой стороны. Для автомобильного варианта печатную плату следует удлинить так, чтобы можно было разместить реле и фильтр питания.
В усилителе желательно применить малошумящий транзистор с нормированным коэффициентом шума, лучше всего подойдут указанный на схеме КТ3120А, а также КТ382А, КТ382Б, КТ399А. КТ3101А-2, КТЗЮ6А9, возможно применение транзистора КТ368А, но результаты могут оказаться несколько хуже. Конденсаторы - КД, К10-17 и аналогичные импортного производства, С9 - К10П-4, К10-51, КТП, Б23. Резисторы -МЛТ, С2-33, Р1-4. Катушки L1 и L2 намотаны проводом ПЭВ-2 0.4 на оправке диаметром 4 мм и содержат соответственно 3,5 и 4,5 витка. Катушка L3 намотана на кольце диаметром 8—10 мм из феррита марки 2000НН и содержит 20—30 витков провода ПЭВ-2 0.2.
Усилитель включают между антенным гнездом и входом радиоприемника. При этом соединение от усилителя до входа приемника необходимо выполнить коротким экранированным кабелем. При установке в автомобиле все соединения следует выполнить экранированным кабелем, а усилитель разместить вблизи радиоприемника в экранированном отсеке. Если усилитель будет коммутируемым (автомобильный вариант), то необходим выключатель питания, который размещают в любом удобном месте. Фильтры рассчитаны для работы на кабель с волновым сопротивлением 50 Ом, при работе на кабель 75 Ом необходимо уменьшить емкости конденсаторов С1—С4 и увеличить индуктивность катушек L1 и L2 в полтора раза.
Налаживание усилителя сводится к установке требуемого режима по постоянному току. Подбором резистора R4 устанавливают оптимальный ток коллектора транзистора, при котором коэффициент шума минимален. Такие режимы обычно указывают в справочнике. Затем проводят проверку АЧХ входных фильтров, а в случае необходимости корректировки сдвигают и раздвигают витки катушек индуктивности.
Экспериментальная проверка усилителя проводилась в г. Фатеж на расстоянии 40...45 км от радиовещательных станций г. Курска. Он был установлен в приемник, имеющий УКВ диапазон с частотами 65,8...74 МГц. Прием осуществлялся на внешнюю антенну. Без усилителя был возможен уверенный прием двух государственных радиостанций и одна коммерческая радиостанция принималась с плохим качеством. После установки усилителя оказался возможным уверенный прием шести радиостанций, работающих в этом диапазоне в г. Курске.
И. НЕЧАЕВ, г. Курск,
Н. ЛУКЬЯНЧИКОВ, г. Фатеж, Курской обл.