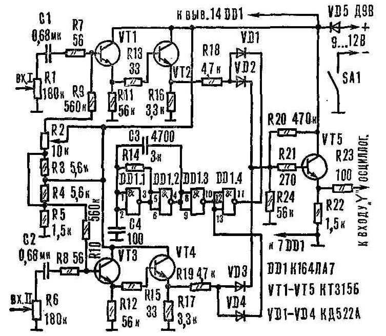
С помощью сравнительно простого электронного коммутатора (рис. 1) можно наблюдать на экране обычного однолучевого осциллографа одновременно два сигнала. Познакомимся с работой устройства. Тактовый генератор, собранный на логических элементах DD1.1 и DD1.2, генерирует прямоугольные импульсы с частотой 25 кГц и скважностью, равной 2. С выхода генератора (вывод 4 DD1.2) импульсы поступают на буферные элементы DD1.3 и DD1.4, с выходов которых противофазные напряжения поочередно закрывают диоды VD2, VD3, включенные в цепи прохождения исследуемых сигналов. Поскольку база транзистора VT5 эмиттерного повторителя соединена через ограничительный резистор R21 с катодами этих диодов, на резисторе R22 выделяются прямоугольные импульсы тактового генератора. Их амплитуда (расстояние между средними линиями) зависит от положения движка переменного резистора R2 — в верхнем по схеме положении амплитуда импульсов наибольшая, в нижнем — наименьшая. Если теперь на входы I, II подать исследуемые сигналы, то на экране осциллографа (при длительности развертки 10 мкс) появится импульсное напряжение (рис. 2).

Рис. 1. Принципиальная схема коммутатора для осциллографа.

Рис. 2. Форма сигнала на^ экране осциллографа:
1 — импульс тактового генератора, 2 — первый исследуемый сигнал, 3 — второй исследуемый сигнал.

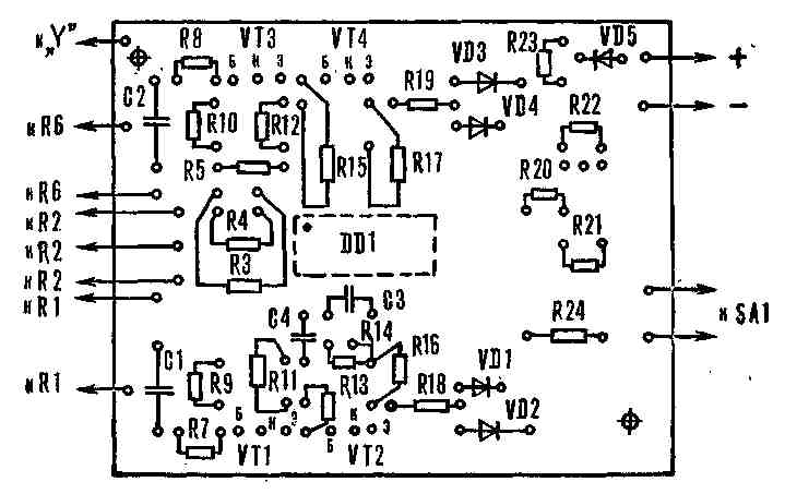
Рис. 3. Монтажная плата коммутатора со схемой расположения элементов.
При большей длительности развертки (1 мс) на экране осциллографа можно наблюдать оба исследуемых сигнала. Их амплитуды и расстояние между сигналами устанавливают изменением положения движков переменных резисторов Rl, R6 и R2 соответственно. Частота тактового генератора зависит от емкости конденсатора СЗ и сопротивления резистора R14.
Микросхему К164ЛА7 можно заменить на МС К164ЛЕ5, К564ЛА7, К564ЛЕ5, а также на К176ЛА7, К176ЛЕ5. К561ЛА7, К561ЛЕ5. При использовании последних элементов печатную плату под выводы микросхем придется изменить. Вместо транзисторов КТ315Б можно применить любые полупроводниковые приборы той же серии, подойдут и КТ3102А. Коэффициент передачи по току для всех транзисторов — 40—100. Желательно, чтобы параметры VT1, VT3 и VT2, VT4 были одинаковыми. Диоды КД522А можно заменить на КД521А или КД5ЮА, VD5 — серии Д9 или Д2. Постоянные резисторы — МЛТ-0,125 или ВС-0,125, переменные — СПО-0,5 или СП-1 группы А. Конденсаторы КМ или К10-7В. Коммутатор собран на печатной плате (рис. 3) размером 65 Х 52 мм из фольгированного стеклотекстолита толщиной 1,5 мм. Микросхема DD1 установлена со стороны печатных проводников, а остальные элементы — с противоположной стороны. Плата помещена в пластмассовый корпус размером 125 X 70 X 20 мм, на котором установлены гнезда входов и выхода, переменные резисторы, выключатель питания. Коммутатор питается от батареи «Крона» или автономного источника. Потребляемый ток не превышает 10 мА. Если радиоэлементы исправны, устройство начинает работать без настройки.
«М-К» № 6/87, А. ПРОСКУРИН