Для миниатюрной электронной аппаратуры и приборов, питающихся от аккумуляторных батарей или гальванических элементов, весьма полезным устройством является индикатор разрядки источника питания. Такой индикатор позволяет, обнаружив разрядку, своевременно предпринять меры для перезаряда аккумуляторов или замены гальванических элементов.
На рис.1 для примера приведены характерные кривые разряда никель-кадмиевых аккумуляторов токами от I=0,2С до I=3С, где С — емкость аккумулятора в амперчасах , из которой видно, что при разрядке на 80...90% напряжение на них падает приблизительно на 0,15 В от номинальной величины 1,25 В. Сходно ведут себя и никель-металло-гидридные аккумуляторы. Что касается обычных марганцево-цинковых или алкалиновых гальванических элементов, то их падение напряжения при той же степени разрядки составляет приблизительно 0,2...0,25 В от номинальных 1,5 В. Исключение составляют лишь литиевые элементы, которые практически до полного разряда сохраняют номинальное напряжение.

Таким образом, для индикации разрядки подавляющего большинства гальванических источников питания достаточно регистрировать уменьшение их напряжения на величину примерно от 150 мВ у одного аккумулятора до 2...2,5 В у батареи из 8...10 гальванических элементов.
Обычно такие индикаторы реализуются на основе микросхем, уже включающих в себя компаратор напряжения. В других случаях для этого, как правило, используются операционные усилители, на которых также собирается компаратор.
Здесь предлагается индикатор, построенный на цифровой микросхеме. Его компаратор выполнен на КМОП — инверторе, в качестве которого применен базовый элемент микросхемы К561ЛН2.
Опорное напряжение Uо подается на вход инвертора, а сравниваемое положительное напряжение источника питания Uи.п. на ножку 14 питания микросхемы. Из характерных кривых на рис.2 видно что в достаточно широкой области вокруг произвольно выбранного номинального значения Uи.п. напряжение переключения инвертора Uп связано с напряжением его питания соотношением Uп = xUи.п., где x = const и x >> 0,4 при переключении инвертора из состояния логической «1» в «0» и x >> 0,6 в обратном случае. Следовательно, с уменьшением напряжения питания при прохождении точки Uи.п. >> 2,5Uо инвертор, выход которого предварительно находился в состоянии «1», будет изменять его на противоположное. Крутизна переходной характеристики инверторов 561 серии при работе на высокоомную нагрузку вполне достаточна для фиксации перепада контролируемого напряжения порядка десятка милливольт.

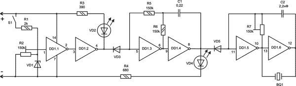
Принципиальная схема индикатора разрядки для источников питания с номинальным напряжением в пределах 3...6 В приведена на рис.3. Компаратор выполнен на инверторе DD1.1. Опорное напряжение формируется цепочкой R1, R2, VD1, где VD1 — источник опорного напряжения КА.336-2.5. Часть напряжения, падающего на VD1, а для КА.336-2.5 это 2,48 В, подается на вход DD1.1 через резистор R2, которым устанавливается порог срабатывания компаратора. Нормальное и разряженное состояния источника питания индицируются светодиодами VD2 и VD4 соответственно. Инвертор DD1.2 выполняет функцию буфера, препятствующего уменьшению крутизны переключательной характеристики инвертора при включении светодиода VD2.

Помимо светового сигнала, разряженное состояние источника индицируется и звуковым сигналом пьезозвонка BQ1, который возбуждается мультивибратором, собранным на инверторах DD1.5, DD1.6. Резистор R7 используется для подстройки частоты мультивибратора под резонансную частоту пьезозвонка. Значение емкости конденсатора С2 дано для случая, когда применен пьезозвонок с резонансной частотой около 3 кГц и выше. Если применяется пьезозвонок с более низкой резонансной частотой, емкость конденсатора С2 следует соответственно увеличить. В противном случае громкость звукового сигнала может оказаться недостаточной.
Манипулятор на инверторах DD1.3, DD1.4 формирует импульсы для питания светодиода VD4 и управляет мультивибратором. При указанных на схеме номиналах времязадающей цепочки С1, R6 частота пререключения манипулятора приблизительно равна 3 Гц. Разделительные диоды VD3 и VD5 позволяют последовательно управлять манипулятором и мультивибратором.
Собранный индикатор поключается к любому прибору или устройству просто путем присоединения выводов 7 и 14 микросхемы К561ЛН2 к минусовой и плюсовой шинам питания соответственно.
Индикатор работает следующим образом. В исходном состоянии кнопка S1 разомкнута и на входе инвертора DD1.1 присутствует логический «0». Соответственно логический «0» присутствует и на выходе инвертора DD1.2. При этом диод VD3 шунтирует вход инвертора DD1.3 на «землю» и таким образом стопорит манипулятор, на выходе которого также оказывается логический «0», благодаря чему через диод VD5 на «землю» шунтируется и вход инвертора DD1.5 и мультивибратор находится в ждущем режиме. В результате светодиоды VD2 и VD4 не горят и звуковой сигнал отсутствует.
При нажатии на кнопку S1 напряжение питания Uи.п. подается на анод светодиода VD2 и в цепочку формирования опорного напряжения R1, R2, VD1. Если окажется, что Uи.п. велико настолько, что напряжение переключения инвертора DD1.1 из «1» в «0» при данном питании больше чем опорное напряжение, установленное на его входе, то на выходе инвертора DD1.2 сохранится состояние логического «0». При этом манипулятор и, соответственно, мультивибратор останутся в ждущем режиме, а светодиод VD2 загорится, свидетельствуя о нормальном состоянии источника питания. Если же Uи.п. понизится так, что напряжение переключения инвертора DD1.1 из «1» в «0» при данном питании окажется меньше, чем опорное напряжение на его входе , то при нажатии на кнопку S1 инвертор DD1.1 переключится и на выходе инвертора DD1.2 появится логическая «1». В результате светодиод VD2 погаснет, а диод VD3 запрется и запустится манипулятор, формируя импульсы питания светодиода VD4 и управления мультивибратором. Мультивибратор начнет генерировать пачки импульсов. Мигание светодиода VD4 и одновременные звуковые сигналы будут свидетельствовать о разрядке источника питания и необходимости его перезарядки или замены.
Правильно собранное устройство начинает работать сразу. Настройка сводится к установке величины порога срабатывания. Для этого необходимо запитать устройство от регулируемого источника напряжением, которое выбрано в качестве критерия разряда гальванического источника питания. Например, для аккумуляторной батареи из четырех никель-кадмиевых аккумуляторов с номинальным напряжением 5 В это будет приблизительно 4,4 В. Замкнуть кнопку S1, повернуть движок резистора R2 в положение, при котором горит светодиод VD2, и медленно поворачивать его в обратном направлении до момента, когда светодиод VD2 погаснет и замигает светодиод VD4. После этого увеличить напряжение на 0,5...1 В, светодиод VD2 при этом загорится вновь. Затем начать плавно его снижать и зафиксировать величину, при которой светодиод VD2 погаснет опять и снова замигает светодиод VD4. Если полученное значение напряжения переключения будет отличаться от требуемого — процедуру повторить. Производить установку опорного напряжения не как описано выше, а наоборот, добиваясь переключения светодиода VD2 из погашенного состояния, нельзя, поскольку напряжение переключения инвертора из «1» в «0» отличается от напряжения переключения из «0» в «1».
В конструкции в качестве светодиодов VD2 и VD4 использованы АЛ307Г и АЛ307К зеленого и красного цветов, диоды VD3, VD5 — любые, например КД510А или КД522Б. Номиналы резисторов R3, R4 даны для индикатора, работающего с батареей, состоящей из четырех аккумуляторов или гальванических элементов. В индикаторе для батареи из трех элементов с целью избежания потери яркости свечения светодиодов эти резисторы желательно уменьшить до 150 и 470 Ом соответственно.

Если индикатор предназначен для источника питания с номинальным напряжением больше 6 В, в нем следует использовать более высоковольтный источник опорного напряжения. Так для индикаторов от 6 до 12 В подойдет источник LM336Z-5.0, жестко стабилизирующий опорное напряжение 4.98 В, или какой-нибудь его аналог. Номиналы резисторов R1,R3,R4 необходимо при этом увеличить так, чтобы ток через VD1 находился в пределах 1...2 мА, через VD2 — не более 10 мА, а через VD3 — не более 3 мА. В индикаторе возможно применение и обычных стабилитронов с соответствующей коррекцией величины R1, но точность срабатывания индикатора несколько уменьшится.
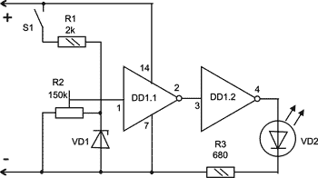
При разработке какого-либо изделия в него можно заложить индикатор по упрощенной схеме, представленной на рис.4, а оставшиеся инверторы использовать для других нужд. В этом случае о разрядке источника питания будет свидетельствовать только горение светодиода, а о нормальном его состоянии — отсутствие какой-либо реакции индикатора. Возможны и различные промежуточные комбинации. В завершение следует заметить что описанное устройство не требует собственного питания как такового и может использоваться совершенно самостоятельно как некий тестер — пробник, например, для контроля автомобильных аккумуляторов.
Александр Мясников, Москва.