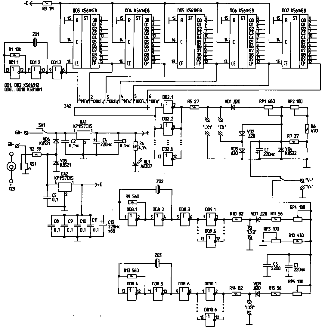
Предлагаемый прибор выполнен в виде приставки к вольтметру. Им можно измерять емкости и индуктивности. При измерениях выходное напряжение приставки изменяется в диапазоне 0...120 мВ пропорционально измеряемой емкости или индуктивности. Например, при емкости конденсатора 100 пФ в диапазоне 120 пФ выходное напряжение составляет 100 мВ. Схема приставки состоит из трех генераторов, делителя частоты и трех специальных преобразователей, на выходе которых напряжение изменяется в зависимости от того, какая емкость или индуктивность включена на входе преобразователя.
На микросхеме DD1, резисторе R1 и кварцевом резонаторе ZQ1 собран генератор импульсов частотой 1 МГц, на микросхемах DD3...DD7 - делители частоты на "10", а на элементах VD1...VD4, RP1, RP2, С1, R6, R7-преобразователь. На выходе преобразователя, обозначенном "V-", напряжение изменяется пропорционально величине подключенной емкости или индуктивности (к контактам "СХ" или "LX1" соответственно). Сигнал частотой 6 МГц формируется генератором на элементах DD8.1, DD8.2.Импульсы с этого генератора поступают на специальный преобразователь, напряжение на выходе которого меняется пропорционально подключенной к разъему "LX2" индуктивности. Преобразователь выполнен на элементах R10...R12, VD7, RP4, RP3, С7, Сб. С его выхода ("V-") на вольтметр подается напряжение, пропорциональное индуктивности, подключенной к разъему "LX2"; третий генератор выполнен на ZQ3. Он вырабатывает импульсы частотой 10 МГц. Сигнал с этого генератора подается на преобразователь, напряжение которого меняется пропорционально подключенной к клеммам "LX3" индуктивности.
Параметры приставки
Диапазон измерения емкости, мкФ
. 0,1*10-6...12
Диапазон измерения индуктивности, Гн 0,02*10-9...1,2
Погрешность измерения емкости, %, не более ±1,5
Погрешность измерения индуктивности, %, не более
±5
Преобразователь для этого
поддиапазона выполнен на элементах R14, R15, RP5, VD8, С6,
С7. Функции подстроечных элементов:
- RP1 -установка показаний индуктивности в
диапазонах 1 ...б;
- RP2 - установка показаний емкости в диапазонах
1...6;
- RP3 - предварительная установка в диапазонах
"LX2" и "LX3";
- RP4 - установка показаний индуктивности в
диапазоне "LX2";
- RP5 - установка показаний индуктивности в
диапазоне "LX3".
Подстройку необходимо производить сначала резистором RP1. Показания в диапазонах "LX2" и "LX3" не зависят от положения резисторов RP1 и RP2. При измерении в диапазонах "LX2" и "LX3", при отсутствии измеряемой индуктивности, стрелка вольтметра не устанавливается на "нулевую" отметку, а показывает величину 3...5 В (это не влияет на точность показаний). При работе прибора в диапазонах 1 ...б его можно питать от маломощного 9-вольтового аккумулятора (ток потребления - не более 12 мА). В диапазонах "LX2" и "LX3" необходим отдельный блок питания с напряжением 7...15 В (ток потребления -порядка 100 мА). Цена деления и частота измерения для разных диапазонов приведены в таблице.
| N диапазона | Диапазон измерения | Цена деления: 1 мВ составляет, мкф(Гн) | Частота, Гц | |
| Емкость, мкФ | Индуктивность, Гн | |||
| 1 | 1...12 | 0,1 ...1,2 | 0,1 (0,01) | 10 |
| 2 | 0,1...1,2 | 0,01...0,12 | 0,01 (1•10-3) | 100 |
| 3 | 0,01...0,12 | 0,001...0,012 | 1•10-3 (0.1•10-3) | 1000 |
| 4 | 0,001 ...0,012 | 0.1•10-3...1,2•10-3 | 0,1•10-3 (0,01•10-3) | 104 |
| 5 | 1•10-6...1,2•10-3 | 0,01•10-3...0,12•10-3 | 10•10-6 (1•10-6) | 105 |
| 6 | 10,1•10-6...1,2•10-4 | 1•10-6...1•10-6 | 1•10-6 (0,1•10-6) | 106 |
| LX2 | 0,2•10-6...2•10-6 | 1•10-9 | 6•106 | |
| LX3 | 0,01•10-6...0,2•10-6 | 0.1•10-9 | 10•106 | |
Данный прибор можно приобрести по адресу: 103031, г.Москва, а/я 101, Зуев А.Ф. тел.442-24-15.
Радиолюбитель № 6, 2000
В.МАЛЕЕВ, г.Воронеж.