Предлагаемый стрелочный измеритель позволяет определять параметры большинства встречающихся в практике радиолюбителя катушек индуктивности и конденсаторов. Кроме измерений параметров элементов, прибор может быть использован как генератор фиксированных частот с декадным делением, а также как генератор меток для радиотехнических измерительных приборов.
Предлагаемый измеритель емкости и индуктивности отличается простотой и малой трудоемкостью изготовления. Диапазон измерений разбит подекадно на шесть поддиапазонов с предельными значениями емкости 100 пф - 10 мкф для конденсаторов и индуктивности 10 мкГн - 1 Гн для катушек индуктивности. Минимальные значения измеряемых емкости, индуктивности и точность измерения параметров на пределе 100 пф и 10 мкГн определяет конструктивная емкость клемм или гнезд для подключения выводов элементов. На остальных поддиапазонах погрешность измерения в основном определяется классом точности стрелочной измерительной головки. Потребляемый прибором ток не превышает 25 мА.
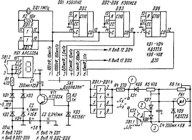
Принцип работы прибора основан на измерении среднего значения разрядного тока емкости конденсатора и ЭДС самоиндукции индуктивности. Измеритель, принципиальная схема которого приведена на рис.1, состоит из задающего генератора на элементах DD1.5, DD1.6 с кварцевой стабилизацией частоты, линейки делителей частоты на микросхемах DD2 - DD6 и буферных инверторов DD1.1 - DD1.4. Резистор R4 ограничивает выходной ток инверторов. Цепь из элементов VD7, VD8, R6, C4 используется при измерении емкости, а цепь VD6, R5, R6, C4 - при измерении индуктивности. Диод VD9 защищает микроамперметр PA1 от перегрузки. Емкость конденсатора C4 выбрана сравнительно большой, чтобы уменьшить дрожание стрелки на максимальном пределе измерения, где тактовая частота минимальна - 10 Гц.

В приборе использована измерительная головка с током полного отклонения 100 мкА. Если применить более чувствительную - на 50 мкА, то в этом случае можно уменьшить предел измерения в 2 раза. Семисегментный светодиодный индикатор АЛС339А используется как индикатор измеряемого параметра, его можно заменить индикатором АЛС314А. Вместо кварцевого резонатора на частоту 1 МГц можно включить слюдяной или керамический конденсатор емкостью 24 пф, однако при этом погрешность измерения увеличится на 3-4%. Возможны замены диода Д20 диодами Д18 или ГД507, стабилитрона КС156А - стабилитронами КС147А, КС168А. Кремниевые диоды VD1-VD4, VD9 могут быть любыми с максимальным током не менее 50 мА, а транзистор VT1 - любым из типов КТ315, КТ815. Конденсатор CЗ - керамический К10-17а или КМ-5. Все номиналы элементов и частота кварца могут отличаться на 20%.
Рисунок печатной платы, выполненной на фольгированном стеклотекстолите толщиной 1,5 мм, приведен на рис.2. Настройку прибора начинают в режиме измерения емкости. Переводят переключатель SB1 в верхнее по схеме положение и устанавливают переключатель диапазона SA1 в положение, соответствующее пределу измерения 1000 пФ. Подключив образцовый конденсатор емкостью 1000 пФ к клеммам XS1, XS2, движок подстроечного резистора R6 выводят в положение, при котором стрелка микроамперметра PA1 установится на конечное деление шкалы. Затем переводят переключатель SB1 в режим измерения индуктивности и, подключив к клеммам катушку индуктивности величиной 100 мкГн, в том же положении переключателя SA1 производят аналогичную калибровку подстроечным резистором R5. Естественно, точность калибровки прибора определяется точностью используемых образцовых элементов. Измерения прибором параметров элементов желательно начинать с большего предела измерений для избежания резкого зашкаливания стрелки головки прибора. Для обеспечения питания измерителя можно использовать постоянное напряжение 10...15 В или переменное напряжение от подходящей обмотки трансформатора питания другого прибора с током нагрузки не менее 40...50 мА. Мощность отдельного трансформатора должна быть не менее 1 Вт. В случае питания прибора от батареи аккумуляторов или гальванических элементов напряжением 9 В его можно упростить и повысить экономичность исключением диодов выпрямителя напряжения питания, индикатора HG1 и переключателя SB1, выведя на переднюю панель прибора три клеммы (гнезда) от точек 1, 2, 3, указанных на принципиальной схеме. При измерении емкости конденсатор подключают к клеммам 1 и 2, при измерении индуктивности катушку подключают к клеммам 1 и 3. Примечание редакции. Точность измерителя LC со стрелочным индикатором в определенной степени зависит от участка шкалы, поэтому введение в схему переключаемого делителя частоты на 2, 4 или аналогичное изменение частоты задающего генератора (для варианта без кварцевого резонатора) позволяет снизить требования к габаритам и классу точности показывающего прибора.
Е.Терентьев г.Набережные Челны, Татарстан
Радио, №4, 1995 г.