В статье описаны схема и конструкция простейшего измерителя емкости конденсаторов от единиц пикофарад до десяти микрофарад. В качестве измерительной головки применен тестер ТЛ-4 или любой цифровой. Прибор используется более 10 лет. Приведены рисунок печатной платы и рекомендации по настройке.
По мере того как у радиолюбителя накапливается опыт, начинают четко прослеживаться две тенденции. С одной стороны, интуиция подсказывает пути решения многих задач без использования большинства измерительных приборов, достаточно тестера и ... отвертки, С другой стороны, становится очевидным, что наличие хотя бы простейших измерительных приборов значительно упрощает работу. Появляется желание (и возможность) произвести не только ремонт, но и исследование. В настоящее время в продаже появилось большое количество простейших цифровых тестеров, доступных радиолюбителям по цене. Одновременно со стрелочным ТЛ-4 они уверенно входят в практику. Другие типы контрольно-измерительных приборов более дорогостоящие, поэтому применяются в практике реже. Ниже приводится описание схемы и конструкции простейшего измерителя емкости конденсаторов, Хотя он был изготовлен более 10 лет назад, но с успехом используется в домашней лаборатории и сейчас.
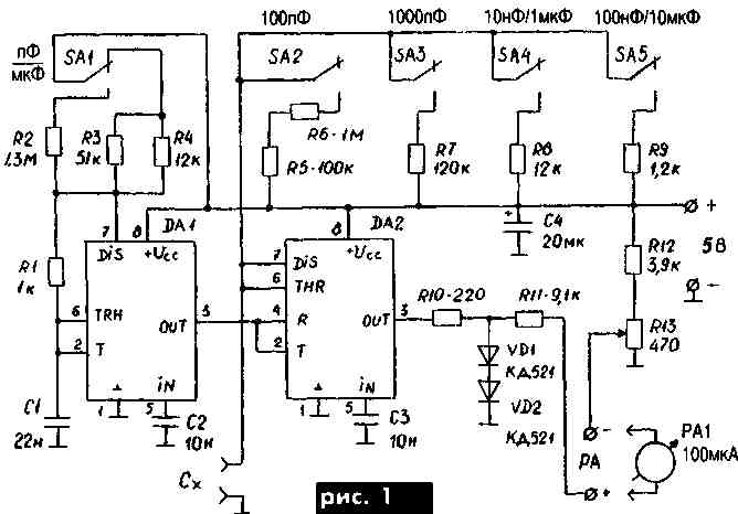
Конструкция выполнена на двух микросхемах таймеров 3E555N (аналог КР1006ВИ1) - рис.1. Аналогичная схема того времени [1] содержала ошибки и требовала доработки. На DA1 выполнен задающий мультивибратор. В зависимости от требуемого поддиапазона измерений емкости конденсаторов (пФ/мкФ) переключателем SA1 выбирают частоту мультивибратора.

На DA2 выполнен ждущий мультивибратор. В зависимости от требуемого поддиапазона измерений емкости конденсаторов (пФ/мкФ) переключатели SA2-SA5 обеспечивают выбор предела измерений (100 пф, 1000 пф, 10 нФ/1 мкФ, ЮОнФ/10 мкФ). Конденсаторы С2, СЗ могут быть и большей емкости. На работу устройства это не влияет. Цепочка R10,VD1,VD2 является простейшим ограничителем напряжения. Она предотвращает сильные зашкаливания стрелки прибора при неправильно выбранном пределе измерений. Сопротивление резистора R11 выбирают при настройке с учетом сопротивления микроамперметра. У тестера ТЛ-4 сопротивление головки составляет около 987 Ом. Резистором R13 устанавливают стрелку прибора на нуль перед измерением. В авторском варианте схема питается от источника питания цифровых микросхем (+5 В), можно использовать любые блоки питания напряжением до 15В.
Настройка. Подбору подлежат сопротивления резисторов R3-R9, а в некоторых случаях и R11. Первоначально подключаем к схеме микроамперметр на 100 мкА (гнезда РА). На этом пределе измерений проще всего использовать ТЛ-4 Переключателем SA1 выбираем предел измерений прибора "мкФ" При этом в работе участвует резистор R2. Нажимаем кнопку переключателя SA5, а ко входу прибора "Сх" подключаем любой конденсатор емкостью около 10 мкФ. Для обеспечения большой точности настройки прибора желательно подготовить несколько конденсаторов с заранее . проверенной емкостью. Их величины не имеют принципиального значения. Важно только, чтобы их значения находились в пределах под-диапозонов. Автор использовал произвольно выбранные и заранее проверенные по емкости конденсаторы. 9,7 мкФ (К50-16, 10 мкФ), 0,94 мкФ (КМ-6, 1 мкФ), 96 нФ (КМ-60, 1мкФ), 9500пФ (КМ5, 10 нФ), 930 пФ (КСО-1, 910 пФ), 98 пФ (КД-1 100пФ). Как было сказано выше, первым подключаем конденсатор емкостью 9,7 мкФ. Подбирая сопротивление резистора R9, добиваемся отклонения стрелки прибора ТЛ-4 на 97 делений по шкале 100 мкА. Для этого не время настройки временно заменяем постоянные резисторы R5-R9 подстроенными. Измерив сопротивление подстроечного резистора, заменяем его постоянным. Далее переключатель SA4 устанавливаем на измерение емкостей до 1 мкФ. При этом, естественно, SA5 отключаем.


Подключив на вход прибораконденсатор емкостью 0,94 мкФ и изменив сопротивление резистора R8, добиваемся отклонения стрелки ТЛ-4 на 94 деления (мкА). Переключаем SA1 в положение "пФ" При этом в работе участвуют резисторы R3, R4. Замкнув SA5, подключаем ко входу "Сх" конденсатор 96 нФ. Для того чтобы стрелка прибора установилась на 96 делений (мкА), подбираем сопротивление резистора R3. Замкнув SA4, подключаем ко входу "Сх" конденсатор емкостью 9500 пФ. Сейчас прибор должен показать деление 95 (мкА) Включаем SA3, а ко входу прибора, подключаем конденсатор емкостью 930 пФ. Чтобы микроамперметр показал 93 деления (мкА), подбираем сопротивление резистора R7. Аналогично на нижнем пределе измерений прибора (включаем SA2) и при подключенном ко входу конденсаторе емкостью 98 пФ изменяем сопротивление резисторов R5, R6 (добиваемся отклонения стрелки прибора на 98 делений). Практически настройка закончена. В ряде спучаев для облегчения подборе сопротивлений (для уменьшения их количества) можно несколько изменить сопротивление резистора R11. При этом, естественно, изменяются настройки всех поддиапазонов прибора. Целесообразно проверить, как влияет величина напряжения источника питания схемы на точность измерений. Как было сказано выше, можно вместо стрелочного прибора использовать цифровой. Для этого достаточно к выходным гнездам "РА" подключить резистор с эквивалентным стрелочному прибору сопротивлением. В данном случае это могут быть, например, два параллельно соединенных резистора МЛТ-0,25-1 кОм и 75 кОм. Их эквивалентное сопротивление около 987 Ом. Цифровой тестер, например, М830В включаем в режим измерения малых напряжений.
Печатная плата прибора показана на рис. 2, а расположение элементов - на рис.3. При этом резисторы R3, R12 выделены цветом, что подчеркивает их расположение со стороны печатной платы. Сама плата разработана для размещения в пластмассовой коробке от ЗИП промышленного прибора. Следует обратить внимание на то, что в зависимости от расстояния между входными гнездами прибора существует небольшая паразитная входная емкость (около 10 пФ), поэтому на пределе "100 пф" ее будет показывать прибор даже без подключения ко входу измеряемого конденсатора.
Литература:
1. Amaterske radio. - 1988 - № 1
Е.Л. Яковлев, г. Ужгород, РАДИОАМАТОР № 12, 2001