Измеритель индуктивности и емкости.

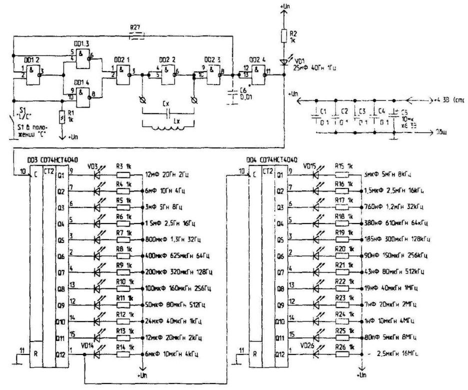
Технические характеристики прибора: диапазон измеряемой емкости (мкФ) от 80 х 10-6 до 25 х 10 3; диапазон измеряемой индуктивности (Гн) от 2,5 х 10-6 до 40; диапазон измеряемых частот (Гн) от 1 до 16 х 10 6. Схема измерителя показана на рисунке. На элементах DD1 и DD2 собран генератор, времязадающим элементом которого являеться измеряемая емкость или индуктивность. На элементах DD3 и DD4 собран делитель частоты с коэффициентом деления 16777211. Вся шкала прибора включает 25 значений, отличающихся друг от друга в 2 раза. При работе прибора визуально определяют, частота мигания какого светодиода ближе всего к 1 Гц. Показания напротив него и являются результатом измерения.

С. Володько, Радиолюбитель №11, 2000

Назад