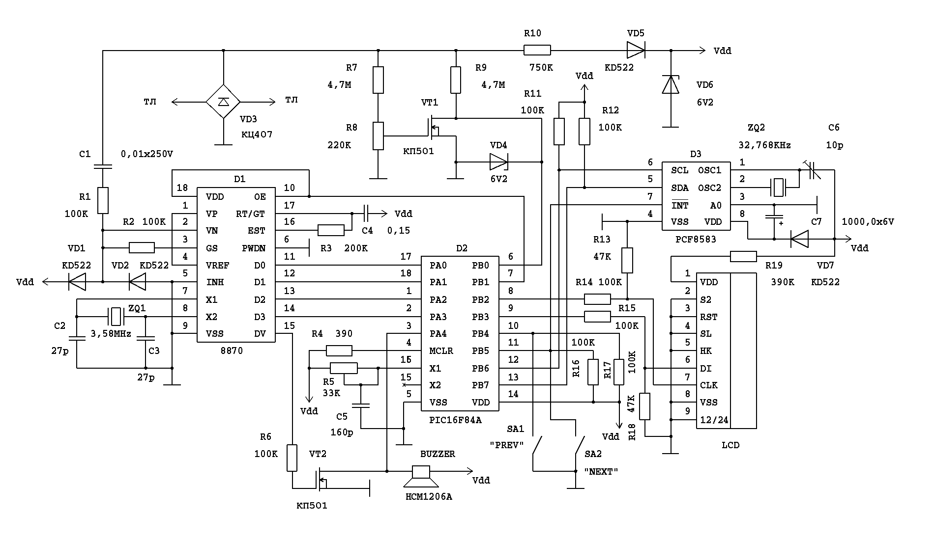
Принципиальная схема и описание.
Основным
элементом конструкции является микроконтроллер
PIC16F84A. Скачайте программный код.
Задайте режим программирования с выключенным
сторожевым таймером WDT, включенным таймером PWRT и
осциллятором RC. Для декодирования сигналов DTMF
используется микросхема 9270, или 8870, или 9170, или
1008ВЖ18, включается по типовой схеме. Аппаратное
декодирование обеспечивает более высокую
помехоустойчивость и надежность, в отличие от
программной дешифрации, применяемой в
большинстве конструкций.
Микросхема PCF8583 совмещает в себе часы, календарь
и память, в которой сохраняются определившиеся
номера. Каскад на транзисторе VT1 это простейший
компаратор для анализа состояния телефонной
линии. Перед выдачей номера АТС снижает
напряжение в линии до 42...44 вольт, на этом уровне
передает сигнал DTMF, а затем на этом же уровне
передается вызывной сигнал. Поэтому к настройке
этого каскада надо отнестись внимательно, о чем
пойдет речь дальше. Для звукового сопровождения
нажатия кнопок служит “пищалка” HCM1206A со
встроенным автогенератором на рабочее
напряжение 6 или 12 вольт. Стабилитроны VD4 и VD6
защищают схему от возможного превышения
напряжения. Желательно использовать
стабилитроны с хорошей крутизной
характеристики, от этого зависит общее
потребление от источника питания. Конденсатор С7
является буферным элементом питания для
микросхемы PCF8583. Чем больше его емкость, тем
дольше сохраняется память номеров и ход часов.
Подстроечный конденсатор С6 необходим для
установки точности хода часов. Включение этого
конденсатора рекомендовано производителем
микросхемы. В качестве индикатора используется
жидкокристаллический индикатор от китайских
телефонов PANAPHONE или аналогичных. Рабочее
напряжение резисторов R7, R9, R10 и конденсатора С1
должно быть не менее 250 В. Ключи КП501 можно
заменить на 1014КТ1.
Внешний вид монтажа на печатной плате:

Работоспособность устройства проверена на реальных телефонных линиях. Конструкция не содержит дефицитных деталей, все необходимое я приобрел на радиорынке. Суммарные затраты на комплектующие намного ниже цены готового Caller ID. Устройство работает как приставка, подключаемая параллельно любому телефонному аппарату на аналоговой телефонной линии с напряжением линейных батарей 54...60 В. Приставка отличается простотой управления, абсолютной надежностью определения номера, некритичностью к уровню напряжения питания, предельно низким энергопотреблением от источника питания и от телефонной линии. Приставка не мешает работе факсов, автоответчиков и других устройств, работающих в автоматическом режиме и отвечает требованиям стандартов по подключению абонентских устройств. Конструктивно может быть выполнена в отдельном корпусе или встроена в телефонный аппарат. Питание приставки – три батарейки размера АА или ААА, или аккумулятор на напряжение 4…5 В. Обеспечивается постоянный подзаряд элементов питания малым током от телефонной линии, поэтому при использовании аккумулятора срок службы неограничен, а при использовании батареек срок службы определяется естественным старением батареек. Память приставки – двадцать шесть входящих номеров, организованная по принципу – “первым вошел – первым вышел”. Двумя кнопками можно “листать” память в сторону более ранних звонков и в сторону более поздних звонков. В память записываются зона, номер, время и дата звонка. Предусмотрено экономичное использование памяти, т.е. если один и тот же абонент дозванивается к вам с периодичностью менее 10 минут, то его номер записывается в память единожды и фиксируется время последнего звонка. При отключенном питании информация в памяти и работа часов сохраняются не более 3 мин, что достаточно для замены элементов питания. Количество новых звонков, записанных в память после последнего ее просмотра, отображается на индикаторе. Счетчик новых звонков сбрасывается после просмотра памяти. Если ваш телефонный аппарат работает в тональном режиме, то набираемый номер дублируется на индикаторе, таким образом, вы можете контролировать правильность набора.
Электрические характеристики по постоянному току.
Напряжение питания 4....5 вольт.
Ток потребления при уложенной трубке (при Uпит. = 4,5В):
- от телефонной линии не более 0,1 мА; (зависит от Uпит. и линейного напряжения)
- в режиме просмотра памяти не более 0,3 мА
- ток подзаряда источника питания не менее 0,01 мА
Ток потребления от источника питания:
- в момент набора или определения номера не более 5 мА
- при снятой трубке не более 0,3 мА.
Габариты печатной
платы 55 х 36 х 15* мм (без индикатора и кнопок)
( * высота определяется компонентами)
Для наладки устройства необходим обычный мультиметр (желательно цифровой) с возможностью измерения токов менее 100 мкА, осциллограф с входным сопротивлением 10 мОм, регулируемый источник постоянного напряжения до 60 В, который заменит нам телефонную линию, и батарейки или аккумулятор напряжением 4,5...4,8 В для питания устройства. Также понадобится тонкая отвертка с изолированной ручкой для регулировки подстроечных резисторов. При правильной сборке из исправных компонентов устройство начинает работать сразу и необходимо лишь установить тактовую частоту контроллера D2 резистором R5, настроить входной компаратор резистором R8 и проверить потребляемый ток. Перед настройкой установить подстроечные резисторы в среднее положение.
ПОМНИТЕ,
НЕЛЬЗЯ ПОДКЛЮЧАТЬ ПРИСТАВКУ К ТЕЛЕФОННОЙ ЛИНИИ,
ПРЕДВАРИТЕЛЬНО НЕ УСТАНОВИВ ЭЛЕМЕНТЫ ПИТАНИЯ!
Включить питание
4,5...4,8 В через микроамперметр, предварительно
установленный на пределе измерения не менее 5 мА
постоянного тока. Примерно через 5 сек приставка
перейдет в ждущий режим (на дисплее появится
время и счетчик звонков), ток потребления при
этом не должен превышать 30 мкА. Если ток больше
или приставка не переходит в ждущий режим
необходимо проверить стабилитрон VD6 и качество
монтажа. В ждущем режиме каждые 7 сек контроллер
регенерирует индикатор, поэтому ток
кратковременно увеличивается до 100 мкА. Включить
питание напрямую. К выводу 15 контроллера
подключить щуп осциллографа и, удерживая одну из
кнопок, установить период импульсов 15 мкс
подстроечным резистором R5. Отпустить кнопку.
Тактовая частота некритична и может быть
установлена с погрешностью, определяемой
разверткой осциллографа. Не отключая питания,
подключить выводы ТЛ к регулируемому источнику 60
В, щуп осциллографа к выводу 6 контроллера. При
напряжении 50 В установить подстроечным
резистором R8 уровень на выводе 6 не более 0,3 В.
Уменьшить напряжение до 46 В, уровень на выводе 6
должен быть не менее 3 В. Иначе необходимо
проверить стабилитрон VD4 и ключ VT1.
Установить на выводах ТЛ напряжение 60 вольт и в
разрыв одного провода ТЛ включить
микроамперметр. Приставка должна находится в
дежурном режиме, при этом ток в измеряемой цепи
не должен превышать 100 мкА. Теперь приставку
можно подключить к реальной телефонной линии и
проверить работу декодера D1. Поднимите трубку на
телефонном аппарате, включенном в тональный
режим. Дисплей очистится, у вас есть 6 сек, чтобы
успеть набрать произвольную последовательность
цифр, они должны отображаться на дисплее и каждое
нажатие сопровождается звуком “пищалки”. Если
индикация отсутствует, необходимо проверить
правильность монтажа, исправность декодера и
кварцевого резонатора ZQ1. Возможно, не будут
отображаться некоторые цифры. Такое обычно
происходит с телефонными аппаратами китайского
произодства, и другими аппаратами, сильно
нагружающими телефонную линию. В этом случае
проверьте напряжение в телефонной линии при
снятой трубке. Если оно ниже 8 вольт, включите
последовательно с выводами телефонного аппарата
резисторы по 100 ом и мощностью не менее 0,5 Вт. На
качестве связи это никак не отразится, но поможет
избавиться от этой проблемы. Правильная
настройка компаратора и отображение цифр при
наборе с параллельного аппарата является
гарантией определения номера при входящем
вызове.
Последний этап настройки – установка точности
хода часов подстроечным конденсатором С6.
Сделайте это в процессе эксплуатации. Если часы
“уходят” в течение суток на десятки секунд,
слегка поверните ротор С6. Повторяйте эту
операцию, пока не добьетесь точного хода часов.
Применяемые микросхемы чувствительны к
статическому электричеству, пользуйтесь
изолированным от сети паяльником мощностью не
более 40 Вт. Все операции по монтажу выполняйте
при отключенном питании. Прежде, чем начинать
работу, внимательно изучите схему и порядок
настройки.
В заключение, несколько слов о том, как управлять приставкой. Все предельно просто. Кнопка “PREV” листает память в сторону более ранних звонков, а кнопка “NEXT” – в сторону более поздних звонков. Для входа в режим просмотра памяти первое нажатие должно быть не менее 0,5 сек. Приставка покажет номер, дату и время звонка, и автоматически перейдет в ждущий режим. Для входа в режим установки часов нажмите одновременно обе кнопки на время не менее 0,5 сек. На индикаторе слева направо появятся значения даты, месяца, часов и минут. Для выбора значения используйте кнопку “NEXT”, для установки – “PREV”. Для выхода из режима установки нажмите кнопку “NEXT” и удерживайте ее не менее 0,5 сек, а по сигналу точного времени – отпустите. Никаких других установок не требуется.
Источник: www.araxinfo.com/~bacvic