Цифровой FM-приемник с электронной регулировкой громкости и тембра.

В настоящее время на развалах радиорынков продается большое количество тюнеров от автомагнитол. В данной статье рассказано, как используя блок тюнера от автомагнитолы Sony XR-3750 (или аналогичный) можно изготовить несложный FM-приемник, обладающий следующими сервисными возможностями:

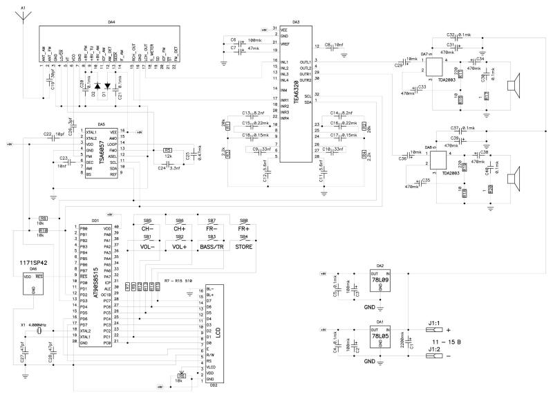
Схема приемника показана на рисунке 1. Блок тюнера, обозначенный на ней DA4 представляет собой функционально законченное устройство, включающее в себя узлы радиочастотной части FM приемника (усилитель РЧ, преобразователь, гетеродин, фильтры, усилитель ПЧ, ЧМ-детектор), а также стереодекодер и шумоподавитель. Вывод 2 служит для подключения приемной антенны (отрезок провода длиной около 1м), выводы 8, 9 - питание тюнера, диоды D1, D2 создают необходимое напряжение 7,6 в. для питания тюнера. Выводы 5 и 6 являются входом напряжения настройки и выходом гетеродина и служат для подключения синтезатора частоты DA5, коэффициентом деления которого (и соответственно частотой настройки) управляет микроконтроллер DD1 по шине I2C. По этой же шине происходит управление микросхемой электронной регулировки громкости и тембра DA3, включенной по типовой схеме. На ее входы подается низкочастотный стереосигнал с выходов тюнера 15 и 17. С выходов DA3 звуковой сигнал подается на УМЗЧ DA7 и DA8.

Схема приемника

Микроконтроллер DD1 обеспечивает вывод информации на ЖКИ, управление синтезатором частоты и микросхемой регулировок громкости и тембра, и опрос клавиатуры. Резисторы R7-R15 защищают выходы МК от перегрузки по току при одновременном нажатии нескольких кнопок, микросхема DA6, блокирует работу МК, удерживая сигнал RES в низком состоянии до тех пор, пока напряжение питания не достигнет 4,2 в. Это предотвращает сбои МК и порчу содержимого внутреннего EEPROM при включении питания. Для питания приемника подойдет стабилизированный источник постоянного напряжения 11-15в и током не менее 300 мА. В качестве ЖКИ использован буквенно-цифровой индикатор DV-16100 (16 символов, 1 строка) или аналогичный. Стабилизаторы DA1 и DA2 создают необходимые питающие напряжения для цифровой и аналоговой частей схемы.

Управление приемником осуществляется с помощью кнопок SB1-SB8. После включения питания на индикаторе отображается FM 01 87.50 MHz. Кнопками SB5, SB6 осуществляется выбор канала настройки. SB7, SB8 изменяют частоту настройки на данном канале, которая может быть записана нажатием на SB4 (на индикаторе в течении 2 секунд отображается FM STORED). Громкость регулируется нажатием на SB1, SB2. В этом случае индикатор принимает вид VOLUME: 15, при нажатии на SB3 отображается BASS: 7, нажатием SB1 и SB2 можно установить тембр НЧ, при повторном нажатии на SB3 показания сменятся на TREBLE: 6 и кнопками SB1, SB2 можно установить тембр ВЧ. При отсутствии нажатия на кнопки через 3 сек индикатор вернется в исходное состояние. Все настройки громкости и тембра сохраняются в EEPROM МК и при выключении питания.

Файлы проекта:
Прошивки памяти программ и EEPROM микроконтроллера AT90S8515.

Автор проекта: Грицик Олег. E-mail: olgg@mail.ru

Назад