Табло "Бегущая строка".

Ввод информации в табло:
Для начала ввода необходимо нажать любую клавишу. На табло должна загореться надпись
ВВОД: выберите режим работы:
Insert --------------------- установка времени.
Delete -------------------- очистка памяти, подтверждение Enter.
Home -------------------- запись информации в начало.
End ----------------------- допись информации в конец.
Page Down ------------- запись информации по метке.
Выберите язык:
Print Screen SysRg ----- русский.
Scroll Lock --------------- украинский.
Pause Break ------------ английский.
Ввод информации осуществляется по методу:
1) Эффект ------------------------- клавиши от F1 - F12.
2) Скорость эффекта ---------- клавиши от 0 до 9.
3) Ваше описание --------------- наберите надпись.
Эффекты:
F 1 - бегущая строка.
F2 - команда стоп, останавливает предыдущий эффект (надпись в данном месте) на время
указаное после команды (желательно использовать после каждого эффекта, кроме F-7).
F3 - появление информации сверху вниз.
F4 - появление информации снизу вверх.
F5 - появление от середины.
F6 - появление к середине.
F7 - высветить текущее время, на время указанное после команды ( в мин.).
F8 - волновое исчезновение и появление надписи.
F9 - малекулярное изменение надписи.
F10 - взрывная волна.
F12 -штамп.
F3 - F6, F8 - F12 требуется вводить знаки, максимально возможные для вашего табло (от 8 до 32 знаков),
если знаков будет меньше они автоматически заполнятся пробелами.
Отсутствие знаков сделает данный эффект стирающим.
Page Up - установка метки.
После ввода необходимо нажать Enter ( конец ввода), затем Esc ( выход).
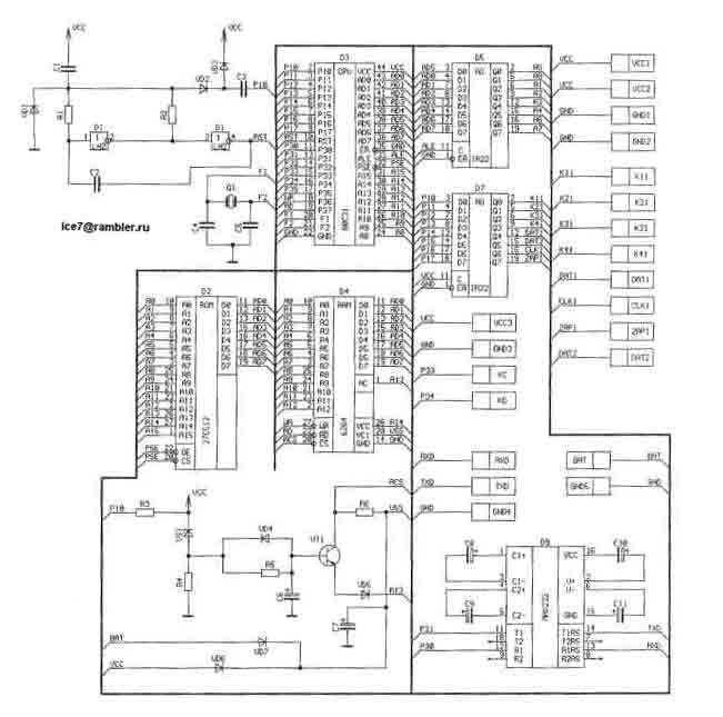
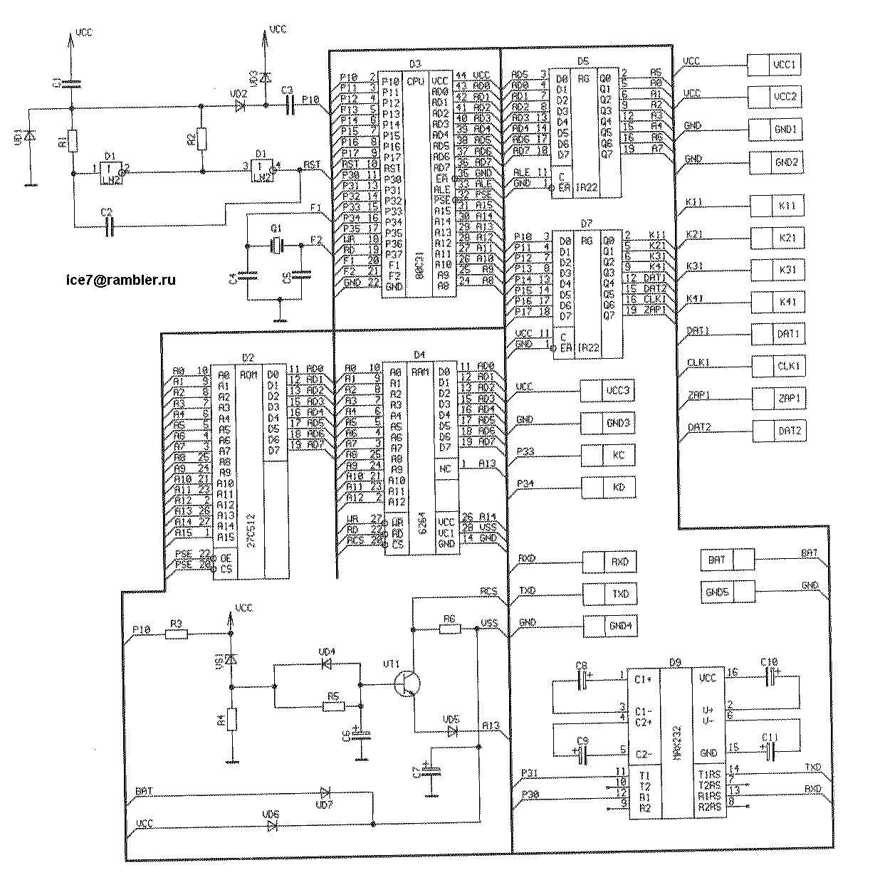
НАЗНАЧЕНИЕ КОНТАКТОВ.
VCC1 - ПИТАНИЕ + 5 ВОЛЬТ ОТ ВНЕШНЕГО БП.
GND1 - ПИТАНИЕ ОБЩИЙ ОТ ВНЕШНЕГО БП.
VCC2 - ПИТАНИЕ +5 ВОЛЬТ НА МОДУЛЬ СВЕТОДИОДОВ (VCC1).
GND2-ПИТАНИЕ ОБЩИЙ НА МОДУ ЛЬ СВЕТОДИОДОВ (GND1).
К11 - "СКАНИРОВАНИЕ" НА МОДУЛЬ СВЕТОДИОДОВ (К11).
К21 - "СКАНИРОВАНИЕ" НА МОДУЛЬ СВЕТОДИОДОВ (К21).
КЗ 1 - "СКАНИРОВАНИЕ" НА МОДУЛЬ СВЕТОДИОДОВ (КЗ 1).
К41 - "СКАНИРОВАНИЕ" НА МОДУЛЬ СВЕТОДИОДОВ (К41).
CLK1 - ТАКТОВЫЙ ВЫХОД НА МОДУЛЬ СВЕТОДИОДОВ (CLK1).
DAT2 - ДАННЫЕ2 НА МОДУЛЬ СВЕТОДИОДОВ (НЕ ИСПОЛЬЗУЕТСЯ).
DAT1 - ДАННЫЕ НА МОДУЛЬ СВЕТОДИОДОВ (DAT1).
ZAP 1 - ЗАПИСЬ НА МОДУЛЬ СВЕТОДИОДОВ (ZAP 1).
VCC3 - ПИТАНИЕ+5 ВОЛЬТ НА КЛАВИАТУРУ (5).
GND3 - ПИТАНИЕ ОБЩИЕ НА КЛАВИАТУРУ (4).
KD-ДАННЫЕ НА КЛАВИАТУРУ (2).
КС - СИНХРОНИЗАЦИЯ НА КЛАВИАТУРУ (1).
СПЕЦИФИКАЦИЯ БЛОКА УПРАВЛЕНИЯ
МИКРОСХЕМЫ
D1 К561ЛН2
D2 27С512
D3 80С31/32
D4 62С256
D5 555ИР22 (74НС373, 74НСТ373)
D7 555ИР22 (74НС373, 74НСТ373)
D9 МАХ232
РЕЗИСТОРЫ
R1 100 кОм
R2 100 кОм
R3 10 кОм
R4 300 Ом
R5 100 кОм
R6 10 кОм
КОНДЕНСАТОРЫ
С1 0.1 uF
С2 0.1 uF
СЗ 0.1 uF
C4 15-30 pF
C5 15-30 pF
С6 0.47 uF
C7 100 uF
С8 10 uF
C9 10 uF
С10 10 uF
С11 10 uF
C12 1000 uF
ДИОДЫ
VD1-VD7 КД522
VS1 КС139
КВАРЦ
Q1
СПЕЦИФИКАЦИЯ БЛОКА ИНДИКАЦИИ
МИКРОСХЕМЫ
D1 К555ИД10
D2 К555ИР8
D3 К555ИР22 (74НС373.74НСТ373)
D4 К555ИР22 (74НС373,74НСТ373)
РЕЗИСТОРЫ
R1 10 кОм
КОНДЕНСАТОРЫ
С1 1000 uF
ДИОДЫ
L1 - L56
1. Схема блока индикации
2.
Печатная плата блока управлениря
3. Печатная плата 1 блока
индикации
4. Печатная плата 2
блока индикации
5. Монтаж блока
управлениря
К этому комплекту схем есть также программы, коды, языковые прошивки,
шрифты.
За подробностями обращайтесь ice7@rambler.ru