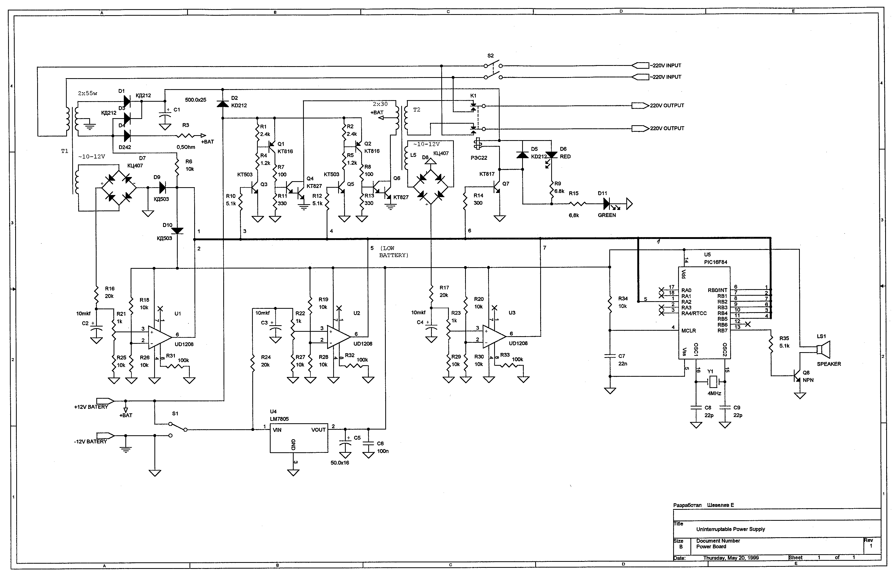
UPS на основе микроконтроллера PIC16F84.

Схема, прошивка, исходники в файле ups.zip

Назад