Назначение
Устройство предназначено для защиты ламп освещения от разрушения нити накала при подаче напряжения и стабилизации напряжения на лампах при работе. Подобные меры, как известно, продлевают срок службы ламп практически до бесконечности. Особенно пригодится такое устройство для защиты ламп, расположенных в труднодоступных местах или ламп, перегорание которых крайне нежелательно. Это могут быть, например, осветители рекламных щитов, расположенных на большой высоте. Впрочем, такое устройство будет полезно и в обычной квартире. Всем нам подчас надоедает менять сгоревшие и почерневшие лампы, а для некоторых граждан это занятие оказывается несколько сложным и небезопасным. Установка такого простого и недорогого устройства сразу решает все эти проблемы.
Описание устройства
Устройство обеспечивает плавный разогрев нити накала лампы в течение 2,5 сек. после подачи напряжения питания. При любом, даже очень кратковременном, пропадании напряжения в сети, процесс плавного разогрева лампы повторяется после восстановления напряжения. Напряжение на лампе стабилизируется, вернее сказать, ограничивается его максимальное значение, на уровне ~220V (может быть определен любой другой желаемый уровень). Скорость реакции на любое изменение напряжения в сети не более 10 миллисекунд. Управляющий контроллер надежно защищен от зависания при любом характере коммутации тока выключателем питания. Применённый триак выдерживает не повторяющийся импульсный ток 140А (длительностью не более 20msec). Это позволяет обходиться без предохранителя и обеспечить высокую надежность и безотказность схемы.
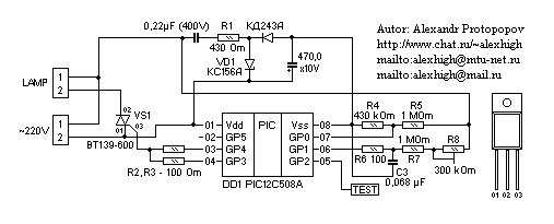
Принципиальная схема

Подстроечный резистор R8 (300 кОм) показан на схеме скорее условно. При использовании прецизионных деталей он может и не устанавливаться. В этом случае резисторы R7 и R8 заменяются одним резистором с сопротивлением примерно 1150 кОм. Его точное значение можно определить при помощи выхода "TEST". Следует подключить устройство к сети с напряжением ровно ~220V и изменением сопротивления этого резистора добиться появления логической 1 на выходе "TEST". Если Вы желаете выбрать порог для стабилизации напряжения на лампе несколько ниже чем ~220V, например, ~215V, то описанную выше процедуру следует провести при напряжении сети ~215V.
Мощность подключаемых к устройству ламп ограничивается лишь максимальным допустимым током через триак BT139-600. Ток не должен быть более 16А, что эквивалентно подключению ламп общей мощностью до 3,5 кВт. Однако, в этом случае, триак обязательно должен быть установлен на теплоотводе. Без установки триака на теплоотвод, вполне можно подключать нагрузку мощностью до 300-400Вт. Если требуется подключать к одному устройству нагрузку мощностью более 3,5 кВт, то следует применить более мощный триак.
В схеме отсутствует помехоподавляющий дроссель в цепи питания. Дело в том, что помехи в эфир от этого устройства могут излучаться фактически лишь в момент пускового разогрева ламп в течении 2,5 сек., так как обычно превышение напряжения в сети над уровнем ~220V не слишком значительно (у меня дома, как правило, не бывает более ~235V) и триак (по окончании разогрева) открывается при небольшом напряжении. Ради удешевления и упрощения схемы этим можно пренебречь. Конечно, если есть желание полностью избавиться от возможного присутствия радиопомех, можно установить мощный дроссель между 2-м выводом триака и нагрузкой. Это не вызовет проблем.
Вместо контроллера PIC12C508A можно применить PIC12C509A. Вместо триака BT139-600 можно применить другие, практически любого типа, с подходящим для Вашего применения допустимым током нагрузки. Например, MAC9M (Motorola). Требуемый ток управления триака не должен быть более 50mA.
Программа для контроллера
Руководители фирм и
все желающие заняться серийным производством
этого устройства могут обращаться
ко мне за получением программы. Возможно также
программирование контроллеров по договорной
цене без передачи файла "прошивки".
Автор проекта и описания: Александр
Протопопов (г. Москва). E-mail: alexhigh@mtu-net.ru
, alexhigh@mail.ru . WWW-site: www.protopopov.da.ru . Если
Вы нуждаетесь в разработке какого-либо
устройства с применением микроконтроллера,
обращайтесь ко мне по e-mail. Буду рад
письмам с предложением работы.