В месте, где я живу, часто "пропадает" электричество, а вся бытовая аппаратура рассчитана на переменное напряжение 220 В, 50 Гц. Для ее нормального функционирования и пришлось сделать источник бесперебойного питания (ИБП). За основу взята схема из журнала "Моделист-конструктор".
ИБП обеспечивает:
- в прямом режиме преобразование
постоянного напряжения 12 В в переменное 220 В/50 Гц
при максимальном потребляемом токе не более 6 А.
Выходная мощность -до 220 Вт (1 А):
- обратный режим (режим заряда аккумулятора). При
этом ток заряда - до 6 А; .
- быстрое переключение из прямого в обратный
режим.
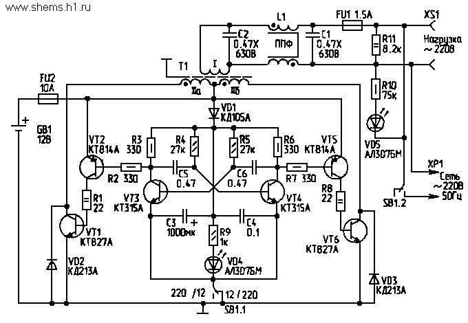
Схема ИБП приведена на рисунке. На элементах VT3, VT4, R3...R6, С5, С6 выполнен тактовый генератор, вырабатывающий импульсы с частотой около 50 Гц. Он, в свою очередь, управляет работой транзисторов VT1, VT6, в коллекторные цепи которых включены обмотки IIa, IIб трансформатора Т1. Диоды VD2, VD3 - элементы защиты транзисторов VT1, VT6 в прямом режиме и выпрямители в обратном режиме. Элементы С1, С2, L1 образуют сетевой фильтр, VD1, СЗ, С4 - фильтр тактового генератора. Рассмотрим, как работает схема в обоих режимах.
Прямой режим (=12 В / -220 В). Напряжение +12 В попеременно прикладывается к обмоткам IIа или IIб, а трансформатор Т1 преобразует его в напряжение 220 В/50 Гц. Это напряжение присутствует на розетке XS1, и к ней подключаются всевозможные потребители (лампы накаливания, телевизор и др.) Индикатором нормальной работы является свечение светодиодов VD4, VD5. Ток нагрузки может достигать 1 А, что соответствует мощности 220 Вт.

Обратный режим (-220 В / =12 В). Для работы в обратном режиме необходимо сетевой шкур подключить к разъему ХР1 и подать на него -220 В. После этого переключается тумблер SB1. При этом сетевое напряжение попадает на первичную обмотку трансформатора Т1, а тактовый генератор отключается. Благодаря этому на вторичных обмотках Т1 получаются два переменных напряжения 10В, которые выпрямляются диодами VD2, VD3. Индикатором нормальной работы в обратном режиме является свечение светодиода VD5. Кипение в банках аккумулятора GB1 свидетельствует о процессе его зарядки.
Детали и конструкция. Т1 - любой трансформатор, обеспечивающий два напряжения 10В при Токе до 10 А. Лучше всего использовать сердечники типа ШЛ и ПЛ, которые легче разбираются. Катушка L1 выполнена на ферритовом кольце К28 х 16 х 9 М2000НМ и содержит две обмотки по 10 витков провода диаметром 0,5...0,71 мм. Транзисторы VT1, VT6 и диоды VD2, VD3 крепятся через слюдяные прокладки, смазанные теплопроводящей пастой, на один общий радиатор площадью не менее 200 см2.
Литература:
Китаев В. Расчет источников электропитания устройств связи. - М.: Радио и связь, 1993.
А.ЧАСТОВ, рыбхоз "Полесье,"Брестской обл. (РЛ 2-99)