Для
уменьшения габаритов и массы сетевых источников
питания в последние годы все шире используют
преобразование напряжения на частоте несколько
десятков килогерц. Такой источник содержит
выпрямитель сетевого напряжения, фильтр
пульсаций с удвоенной частотой сети,
преобразователь напряжения, понижающий
трансформатор, выпрямитель и фильтр пульсаций с
удвоенной частотой преобразования.
Преобразователь обычно выполняют по схеме
мостового или полумостового [Л] инвертора, в
котором транзисторы открываются и закрываются
поочередно через полпериода коммутации.
Недостаток подобного преобразователя — наличие
сквозного коллекторного тока в моменты
закрывания транзисторов. Из-за этого на них
выделяется большая мгновенная электрическая
мощность, допустимое значение которой и
ограничивает мощность подобных устройств.
Допустимая мгновенная мощность обычно
применяемых в преобразователях напряжения
кремниевых транзисторов, например, серии КТ812, не
превышает нескольких сотен ватт. Снять это
ограничение в определенной мере позволяет
применение мостового инвертора, нагруженного
последовательным резонансным контуром.
Транзисторы такого устройства закрываются при
отсутствии коллекторных токов, максимальное
напряжение на коллекторе (по отношению к
эмиттеру) и максимальный коллекторный ток
действуют на транзистор в разное время, поэтому
мгновенная электрическая мощность, выделяющаяся
на нем, оказывается небольшой. Возможности
мостового инвертора с последовательным
резонансным контуром иллюстрирует описываемый
ниже сетевой блок питания. Он предназначен для
использования в качестве эквивалента
27-вольтовой бортовой сети автомобиля при
наладочных испытаниях установленного на нем
медицинского оборудования (активная или
индуктивно-активная нагрузка).
Основные технические характеристики блока:
Напряжение сети, В........................................................................................200...240
Выходное напряжение без нагрузки, В ............................................................32
Выходное напряжение, В (КПД), на нагрузке сопротивлением, Ом:
1,5.......................................................................................27,5 (0,8)
1.........................................................................................25,5 (0,77)
Напряжение пульсаций на нагрузке с Частотой 100 Гц, мВ, не более...........300
Порог срабатывания защиты от перегрузки, кВт ...............................................1
Габариты, мм ..............................................................................................350х230х90
Масса, кг ................................................................................................................7
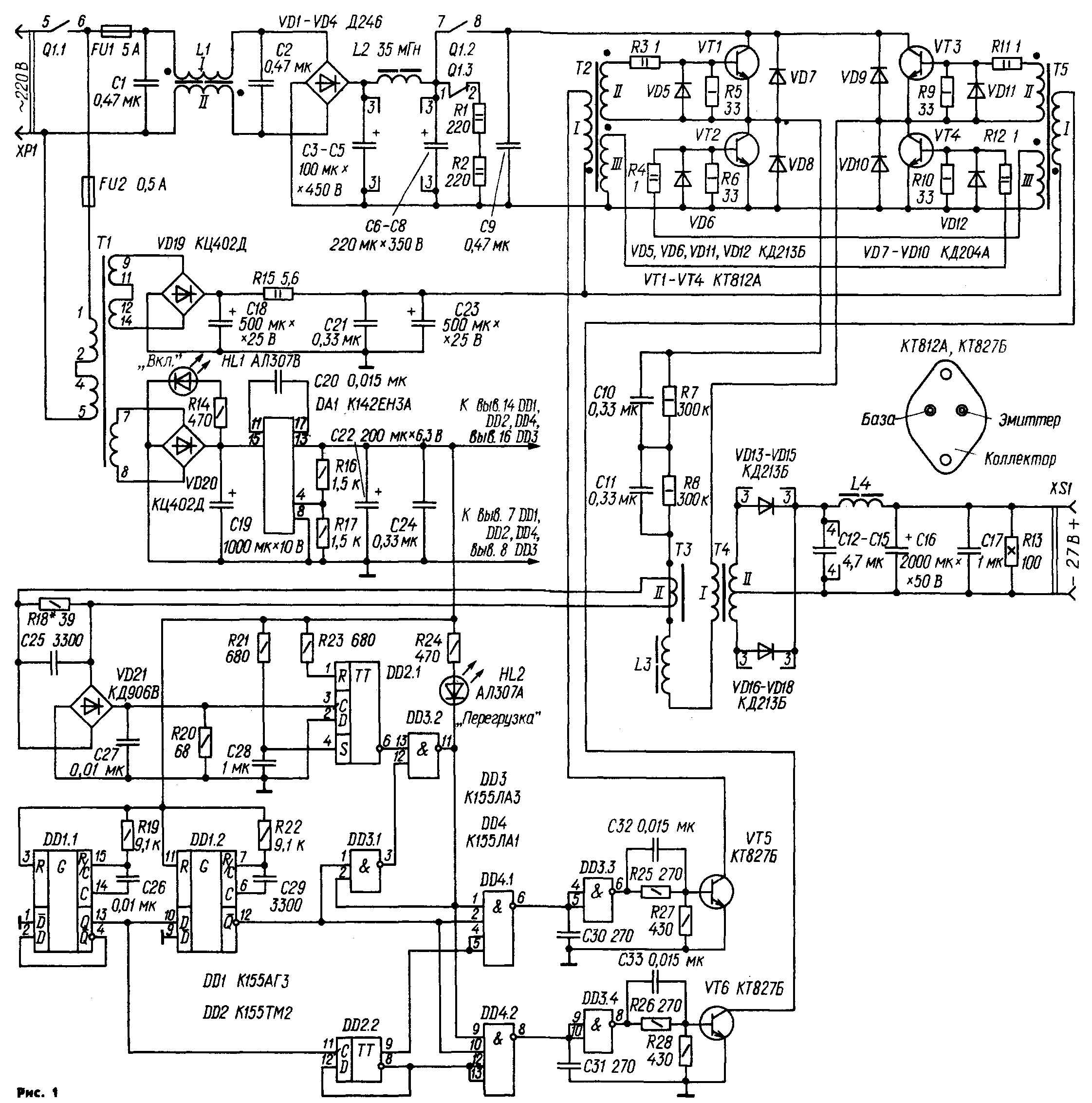
Принципиальная схема устройства изображена на рис. 1. Его основные узлы — фильтр C1L1C2, предотвращающий проникание в сеть помех от преобразователя частоты; выпрямитель сетевого напряжения на диодах VD1—VD4 с фильтром СЗ—C5L2C6—С8; мостовой инвертор на транзисторах VT1— VT4 с резонансным контуром L3C10C11, понижающий трансформатор Т4, выпрямитель напряжения повышенной частоты на диодах VD13—VD18 с фильтром L4C12—С17; узел управления инвертором на микросхемах DD1—DD4 и транзисторах VT5, VT6 и два питающих его источника: нестабилизированный (VD19) и стабилизированный (VD20, DA1). Светодиод HL1 — индикатор включения блока в сеть. Узел управления мостовым инвертором состоит из генератора тактовых импульсов, выполненного на одновибраторах микросхемы DD1, распределителя импульсов на триггере DD2.2 и элементах микросхемы DD4, двух усилителей (DD3.3; VT5 и DD3.4, VT6) и устройства защиты блока от перегрузки (ТЗ, VD21, DD2.1) с синхронизатором (DD3.1, DD3.2). Светодиод HL2 сигнализирует о срабатывании устройства защиты. При включении блока в сеть тумблером Q1 подается напряжение питания на узел управления и на инверсном выходе одновибратора DD1.2 появляются положительные импульсы длительностью 17 мкс с постоянной частотой повторения около 40 кГц. Триггер DD2.2 сигналами логической 1, возникающими на его прямом и инверсном выходах, поочередно «открывает» элементы DD4.1, DD4.2, и импульсы поступают на вход то одного усилителя (DD3.3, VT5), то другого (DD3.4, VT6). В результате импульсы открывающей полярности подаются на эмитгерный переход то транзисторов VT1, VT4, то VT2, VT3. Через некоторое время после появления импульсов тактового генератора (задержка обусловлена довольно большой постоянной времени фильтра СЗ—C5L2C6—С8) на конденсаторе С9 возникает плавно нарастающее выпрямленное напряжение и инвертор преобразует его в переменное напряжение частотой 20 кГц, приложенное к первичной обмотке трансформатора Т4. Напряжение, снимаемое с его обмотки II, выпрямляется диодами VD13— VD18 и через фильтр С12—C15L4C16C17 поступает на нагрузку. Резистор R13 снижает выходное напряжение ненагруженного выпрямителя.
В работе инвертора можно выделить четыре фазы. В первой, длительностью 17 мкс, открываются транзисторы VT1, VT4 и конденсаторы С10, С11 заряжаются через них, первичную обмотку трансформатора Т4 и дроссель L3. Ток в этой цепи вначале возрастает от нуля до максимального значения, а затем, по мере зарядки конденсаторов, уменьшается до нуля. Форма тока напоминает полупериод синусоиды. Во второй фазе, длящейся 8 мкс, на базы транзисторов VT1, VT4 подается напряжение закрывающей полярности и они закрываются. В третьей фазе (как и первой, длительностью 17 мкс) открываются транзисторы VT2, VT3, а к каждому из закрытых транзисторов VT1, VT4 прикладывается практически все выпрямленное диодами VD1—VD4 напряжение (при нагрузке сопротивлением 1 Ом — около 260 В). Ток перезарядки конденсаторов СЮ, СП до максимального напряжения противоположной полярности так же, как и в первой фазе, течет через последовательный контур, образованный конденсаторами, дросселем L3 и первичной обмоткой трансформатора Т4. Напряжение, до которого они перезаряжаются, зависит от сопротивления нагрузки: чем оно меньше, тем больше это напряжение (при нагрузке сопротивлением 1 Ом — примерно 200 В). В момент, когда коллекторный ток транзисторов VT2, VT3 уменьшается до нуля, начинается четвертая фаза работы инвертора, длящаяся, как и вторая, 8 мкс: на базы транзисторов с обмоток трансформаторов Т2 и Т5 подается закрывающее напряжение. Транзисторы VT1, VT4 все это время продолжают оставаться закрытыми. Пауза необходима для того, чтобы транзисторы VT2, VT3 полностью закрылись и при открывании транзисторов VT1, VT4 не возник импульс сквозного тока через транзисторы соседних плеч. Благодаря тому, что коммутирующее напряжение поступает на эмиттерные переходы в моменты, когда коллекторного тока нет, мгновенная электрическая мощность на коллекторном переходе в самом худшем случае не превышает нескольких ватт.
Узел защиты блока от перегрузки работает следующим образом. После подачи напряжения питания триггер DD2.1 устанавливается в единичное состояние (на инверсном выходе — напряжение логического 0), и на выходе элемента DD3.2 (вывод 11) появляется напряжение логической 1, создающее условия для прохождения импульсов тактового генератора через элементы DD4.1 и DD4.2. В этом состоянии триггер остается все время пока мощность, отдаваемая в нагрузку, меньше 1 кВт. При достижении предельной мощности амплитуда первого же импульса, поступившего на счетный вход триггера DD2.1 с вторичной обмотки трансформатора тока ТЗ через мост VD21, оказывается достаточной, чтобы перевести триггер в нулевое состояние (на инверсном выходе — напряжение логически 1). Смена низкого логического уровня высоким на верхнем (по схеме) входе элемента DD3.2 приводит к тому, что с приходом очередного тактового импульса на его выходе устанавливается напряжение логического 0, и прохождение импульсов через элементы DD4.1, DD4.2 прекращается. Благодаря RS-триггеру на элементах DD3.1, DD3.2 сигнал запрета появляется только в момент начала паузы между импульсами, что предотвращает выход транзисторов инвертора из строя (закрывание при наличии коллекторного тока привело бы к выходу их из строя из-за чрезмерного увеличения мгновенной электрической мощности). Узел защищает транзисторы инвертора и при коротком замыкании нагрузки. Для возвращения блока питания в исходное состояние после срабатывания защиты его нужно выключить и снова включить тумблером Q1. При выключении блока конденсаторы фильтра СЗ—С8 разряжаются через резисторы R1 и R2. Это необходимо для того, чтобы во время нарастания амплитуды импульсов базового тока транзисторов VT1—VT4 после повторного включения, когда они открываются неполностью (т. е. не входят в режим насыщения), на их коллекторах не оказалось сразу большого напряжения, способного привести к выходу из строя.
В резонансном контуре преобразователя применены конденсаторы (С10, С11) К71-4 на номинальное напряжение 250 В. Конденсаторы фильтра С12— С15—К73-16 на номинальное напряжение 63 В. Резистор R13—ПЭВ-10. Остальные резисторы и конденсаторы — любого типа. Выключатель Q1 — ТВ1-2. В источнике питания узла управления применен унифицированный трансформатор ТН13 127/220-50. Все остальные трансформаторы и дроссели устройства — самодельные. Намоточные данные приведены в таблице. Дроссель L3 и обе обмотки трансформатора Т4 намотаны свитыми в жгут проводами. Для уменьшения индуктивности рассеяния этого трансформатора обмотка II намотана двумя сложенными вместе жгу-, тами. Отвод получен соединением вывода начала одной из полуобмоток с выводом конца другой. Магнитопроводы всех дросселей собраны с немагнитным зазором 0,5 мм.
| Обозначение no схеме | Обмотка | Число витков | Провод | Магнитопровод |
| Li | I, П | 10 | МГШВ 1,5 мм2 | М2000НМ-9 Ш12х16 |
| L2 | 200 | ПЭВ-1 1,0 | ШЛ16х40 | |
| L3 | 25 | ПЭВ-2 12X0, 3 | М2000НМ-9 Ш12х16 | |
| L4 | 11 | ПЭВ-2 2,5 | То же | |
| Т2, Т5 | I | 60 | ПЭВ-2 0,5 | » |
| II, III | 14 | ПЭВ-2 0,8 | ||
| тз | I | 1 | МГШВ 1,5 мм2 | М2000НМ-9, Ш7Х7 |
| II | 150 | ПЭВ-1 0,1 | ||
| Т4 | I | 48 | ПЭВ-2 16х0,3 | М2000НМ-9, Ш1 6X40 |
| II | 2X5 | ПЭВ-2 16х0,69 | (два сложенных вместе магнитопровода Ш16х20) |
Узел управления инвертором и источник его питания смонтированы на печатной плате из фольгированного стеклотекстолита толщиной 2 мм. Большинство остальных деталей блока смонтированы навесным способом на трех платах размерами 220х85 мм из текстолита толщиной 3 мм: на одной из них закреплены диоды VD1—VD4 и детали фильтров С1L1C2 и СЗ—C5L2C6—С9, на другой — трансформаторы Т2, ТЗ, Т5 и детали инвертора, на третьей — дроссель L3 и детали фильтра С12—C15L4C16C17. Транзисторы VT1—VT4 установлены на дюралюминиевых теплоотводах в виде пластин размерами 70х60х8 мм (сторонами 60х8 мм они прикреплены к монтажной плате), диоды VD1— VD4 — на П-образных теплоотводах, согнутых из алюминиевых пластин размерами 100х25х1,5 мм, диоды VD13— VD18 и трансформатор Т4 — на ребристом дюралюминиевом теплоотводе с площадью охлаждающей поверхности около 1000 см2, закрепленном в задней части корпуса блока.

Внешний вид блока питания показан в заставке к статье, вид на его монтаж — на рис. 2. Налаживание устройства начинают без предохранителя FU1. Включив питание узла управления, с помощью осциллографа убеждаются в наличии на эмиттерных переходах транзисторов VT1—VT4 импульсов положительной полярности длительностью 17 мкс с частотой повторения около 20 кГц (период колебаний — примерно 50 мкс). При соединении любого вывода вторичной обмотки трансформатора тока ТЗ с плюсовым выводом источника питания микросхем узла управления эти импульсы должны исчезать. Затем отключают вывод Дросселя L3 от первичной обмотки трансформатора Т4, устанавливают на место предохранитель FU1, а вместо контактов 7 и 8 сетевого выключателя Q1 включают миллиамперметр. Ток, потребляемый инвертором без нагрузки, должен быть не более 15 мА. Убедившись в этом, соединяют выводы дросселя L3 и первичной обмотки трансформатора Т4 дополнительным резистором сопротивлением примерно 0,5 Ом, отпаивают сетевые выводы выпрямительного моста VD1—VD4 от дросселя L1 и подают на них от регулируемого автотрансформатора (например ЛАТРа) переменное напряжение 20...30 В. К выходу блока подключают эквивалент нагрузки — резистор сопротивлением 1 Ом с мощностью рассеяния 700...800 Вт. Контролируя осциллографом форму напряжения на дополнительном резисторе, подбирают немагнитный зазор в магнитопроводе дросселя L3 таким, чтобы импульсы (как положительной, так и отрицательной полярности) на экране стали как можно более похожими на полуволны синусоиды. Далее, наблюдая за формой импульсов, повышают напряжение на входе моста VD1—VD4 до 220 В. Выходная мощность на эквиваленте нагрузки возрастает при этом до 650... 700 Вт, однако форма импульсов должна остаться практически неизменной. Если же при такой мощности они заостряются, то это свидетельствует о насыщении магнитопровода дросселя L3 или трансформатора Т4 и его необходимо заменить более массивным (с большим сечением). Наконец, исключив из цепи дополнительный резистор, подбирают резистор R18 таким образом, чтобы узел защиты от перегрузки срабатывал при выходной мощности 1 кВт (ее получают уменьшением сопротивления эквивалента нагрузки). Во время налаживания следует соблюдать правила техники безопасности, так как многие цепи блока питания, в частности, подлежащие контролю осциллографом, находятся под высоким напряжением. Нагрузку мощностью до 700 Вт можно соединять непосредственно с выходом блока и коммутировать питание тумблером Q1. При большей мощности желательно предусмотреть дополнительный выключатель в цепи нагрузки и вначале подключать блок к сети, а затем нагрузку к его выходу.
С ЦВЕТАЕВ, г. Мытищи, Московской обл.
ЛИТЕРАТУРА:
Жучков В., Зубов О., Радутный И. Блок питания УМЗЧ.— Радио, 1987, № 1, с. 35—37.
РАДИО № 9,1990 г